GM Service Manual Online
For 1990-2009 cars only
Makes
🢒
Cadillac
🢒
2005
🢒
DeVille
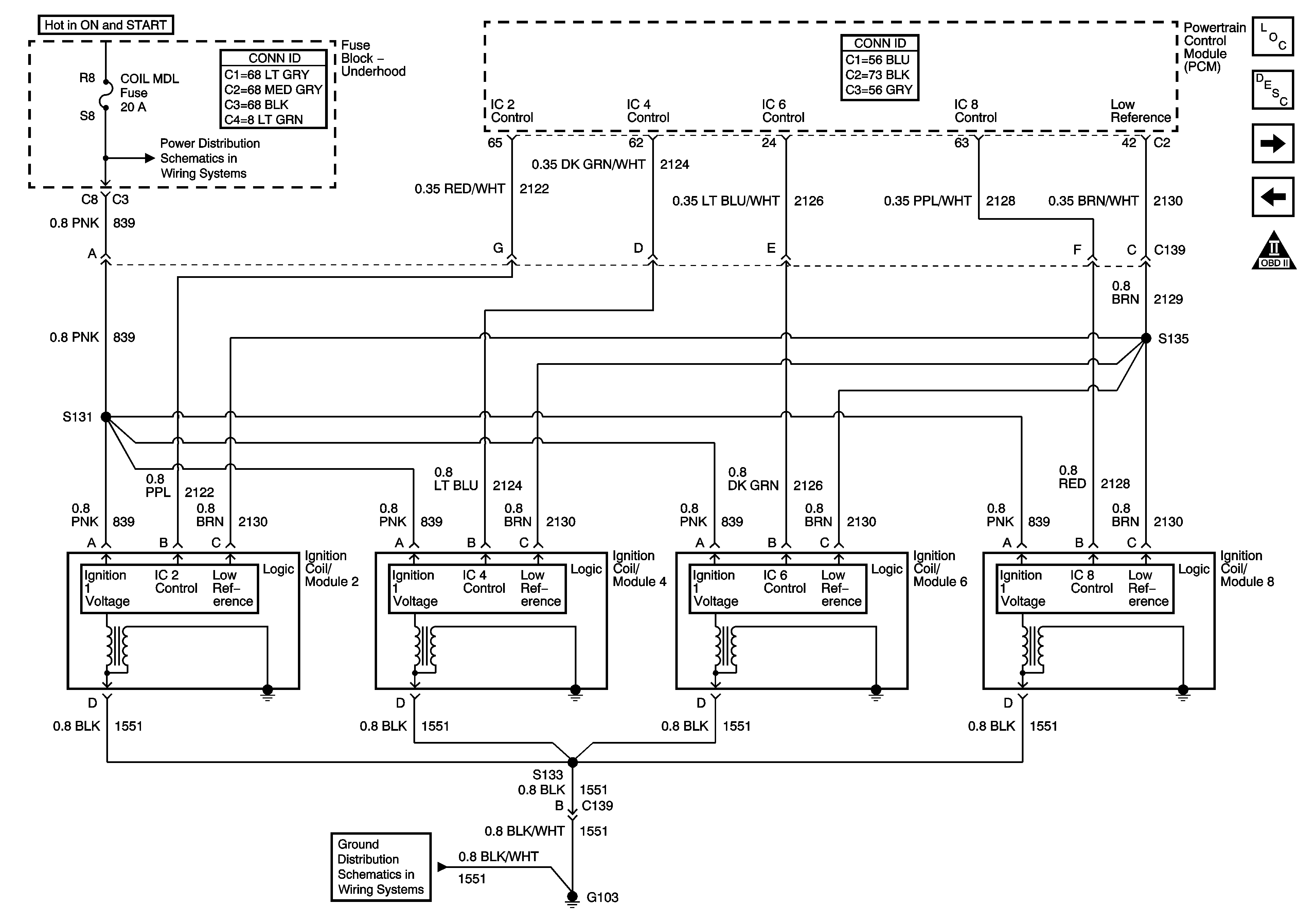
🢒 Ignition Controls- Ignition Coil/Modules 2, 4, 6, and 8
Ignition Controls- Ignition Coil/Modules 2, 4, 6, and 8
Ignition Controls - Ignition Coil/Modules 2, 4, 6, and 8
Master Electrical Component List
Electronic Ignition (EI) System Description
Ignition Controls- Sensors
Ignition Controls- Ignition Coil/Modules 1, 3, 5, and 7
Engine Controls Schematic Icons
Underhood Fuse Block- OXY SEN, CR CONT, MDL COIL, TRANS Fuses
G102, G103, G105, G106, and G110