GM Service Manual Online
For 1990-2009 cars only
Makes
🢒
Cadillac
🢒
2005
🢒
DeVille
🢒 w/o F45
w/o F45
w/o F45
Master Electrical Component List
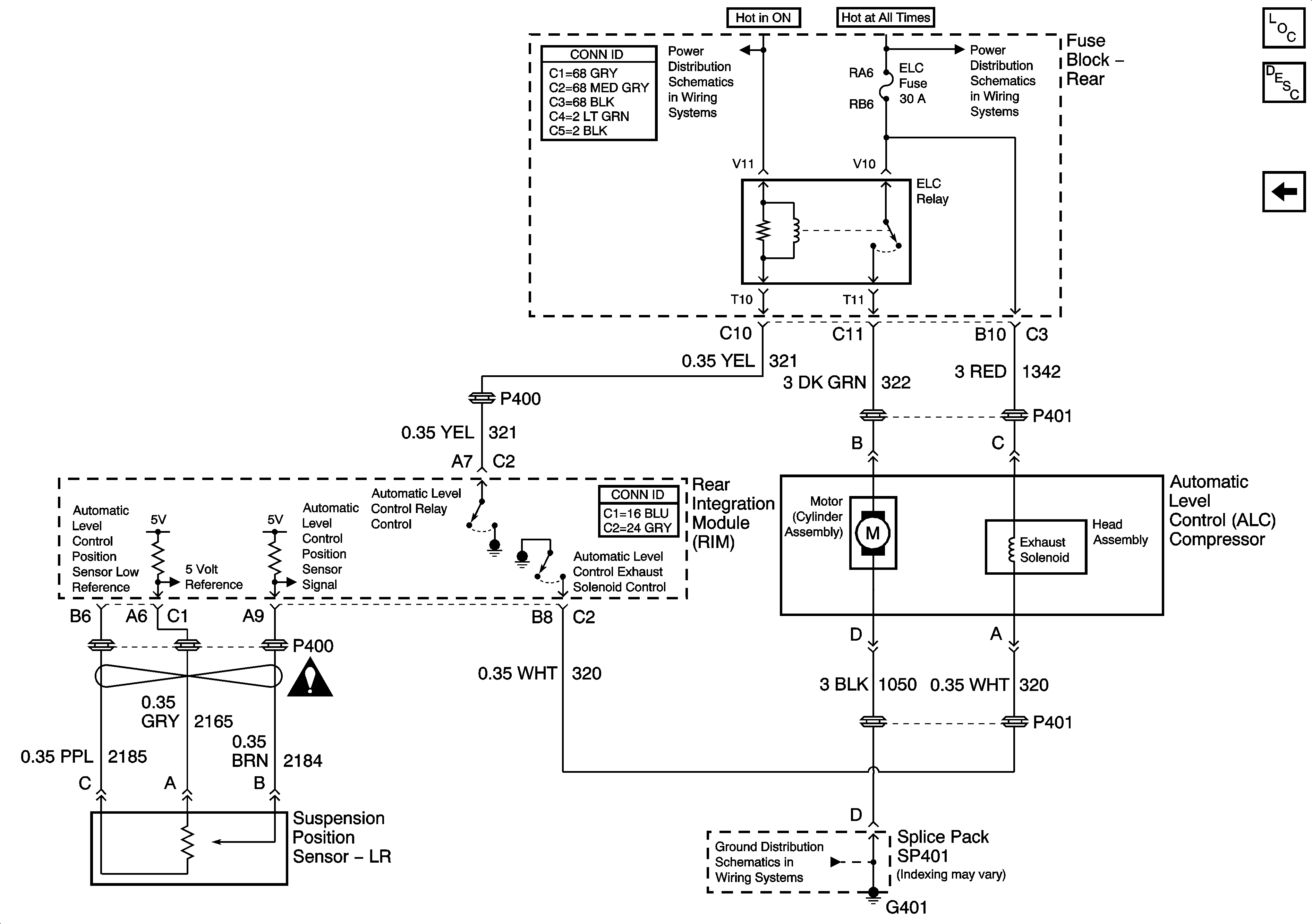
Automatic Level Control Description and Operation w/o F45
w/ F45
Rear Fuse Block Battery Voltage
ELC, NIGHT VISION, HVAC, and ABS Fuses and ELC Relay
Automatic Level Control Schematic Icons
G401