GM Service Manual Online
For 1990-2009 cars only
Makes
🢒
Cadillac
🢒
2005
🢒
DeVille
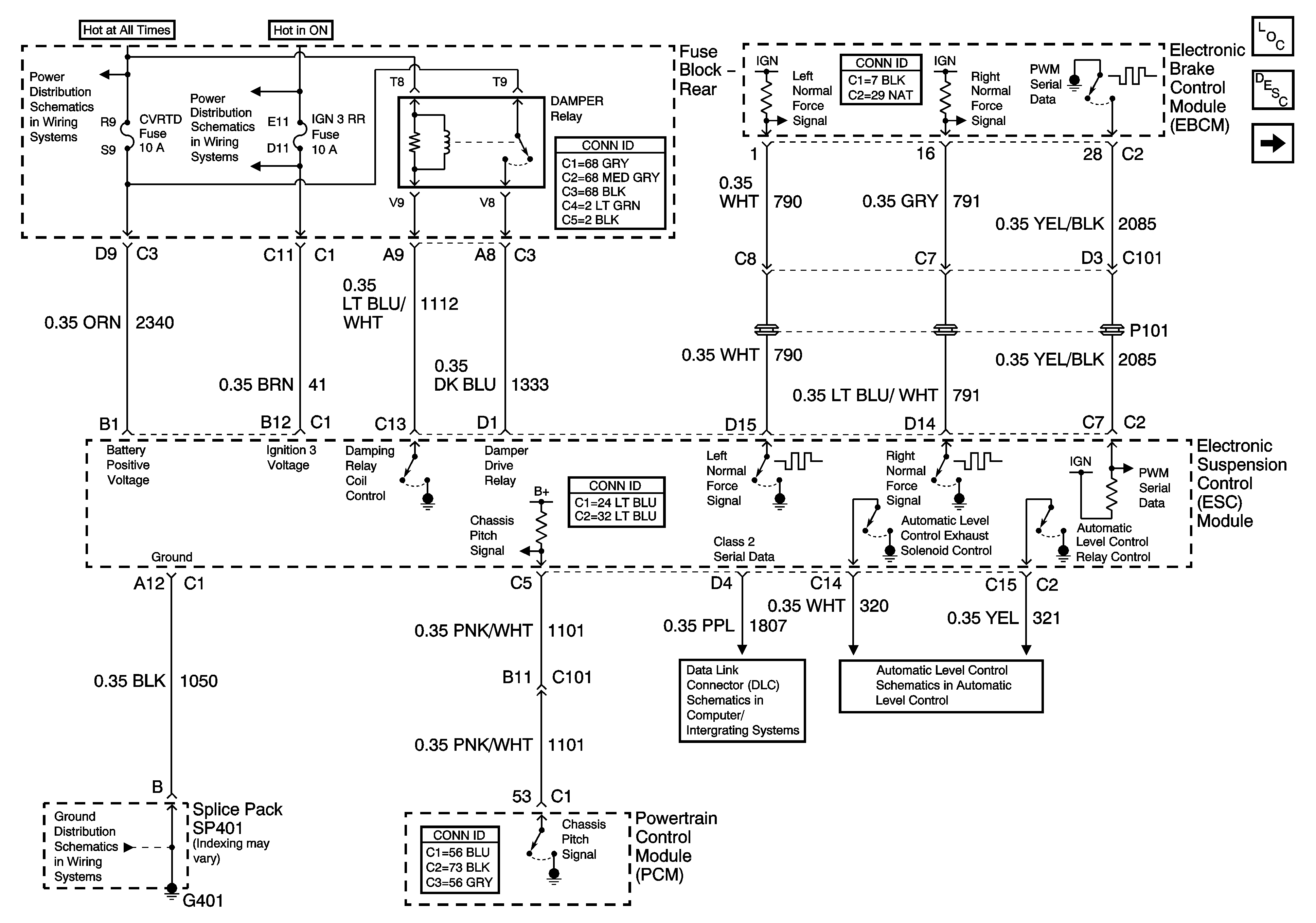
🢒 ESC Module Power and Ground
ESC Module Power and Ground
Electronic Suspension Control Module - Power and Ground
Master Electrical Component List
Electronic Suspension Control Description and Operation
Sensors and Actuators
CVRTD, CIGAR, and RAP Fuses and Relays
IGN 3 Relay and IGN 3 RR Fuse
G401
Class 2 Serial Data (2 of 3)
w/ F45