GM Service Manual Online
For 1990-2009 cars only
Makes
🢒
Cadillac
🢒
2005
🢒
DeVille
🢒 Generator and Battery
Generator and Battery
Generator and Battery
Master Electrical Component List
Charging System Description and Operation
Starting System
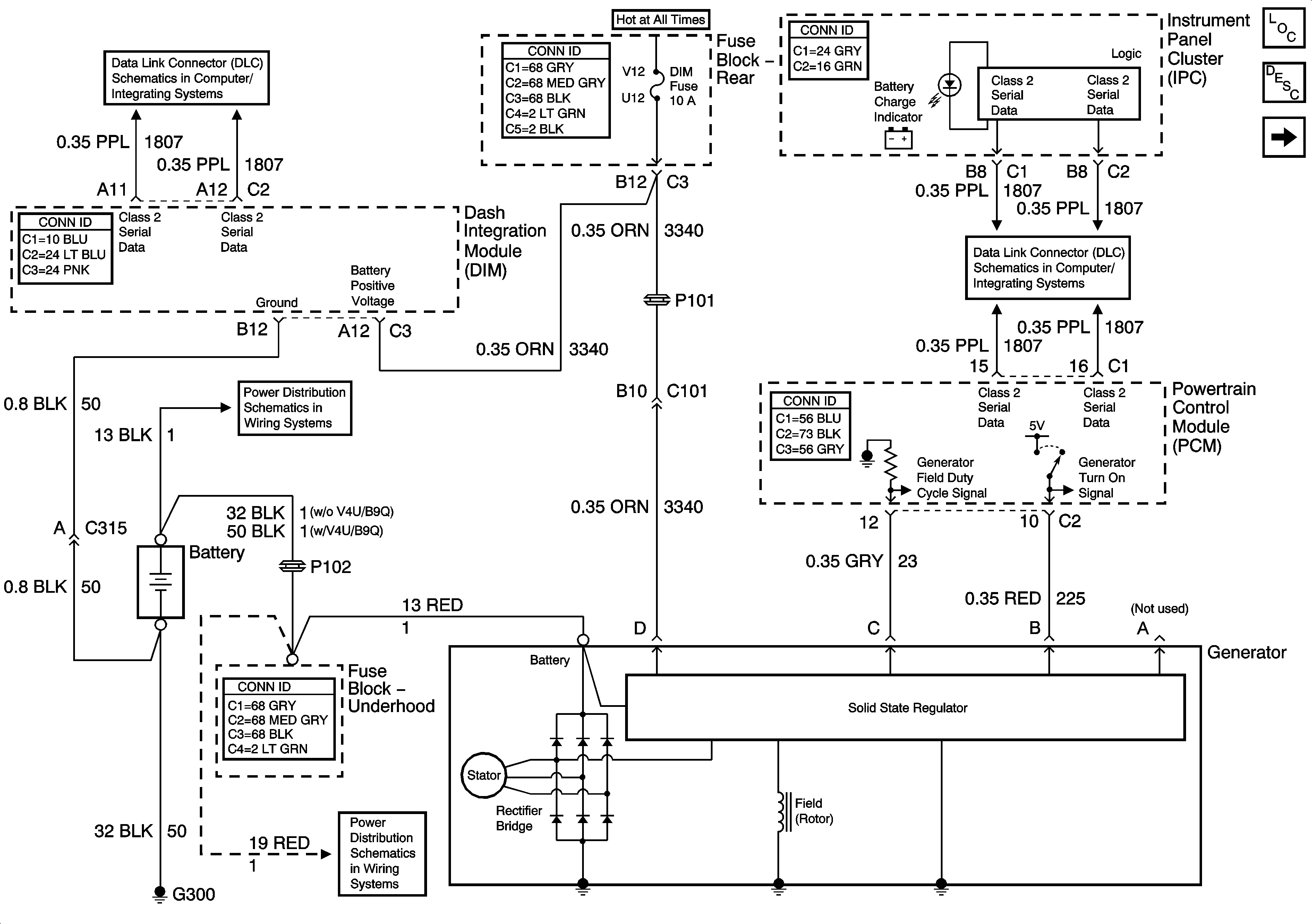
Class 2 Serial Data (1 of 3)
Rear Fuse Block Battery Voltage
Underhood Fuse Block Battery Voltage
Class 2 Serial Data (1 of 3)