GM Service Manual Online
For 1990-2009 cars only
Makes
🢒
Cadillac
🢒
2005
🢒
DeVille
🢒 Fog Lights Schematics
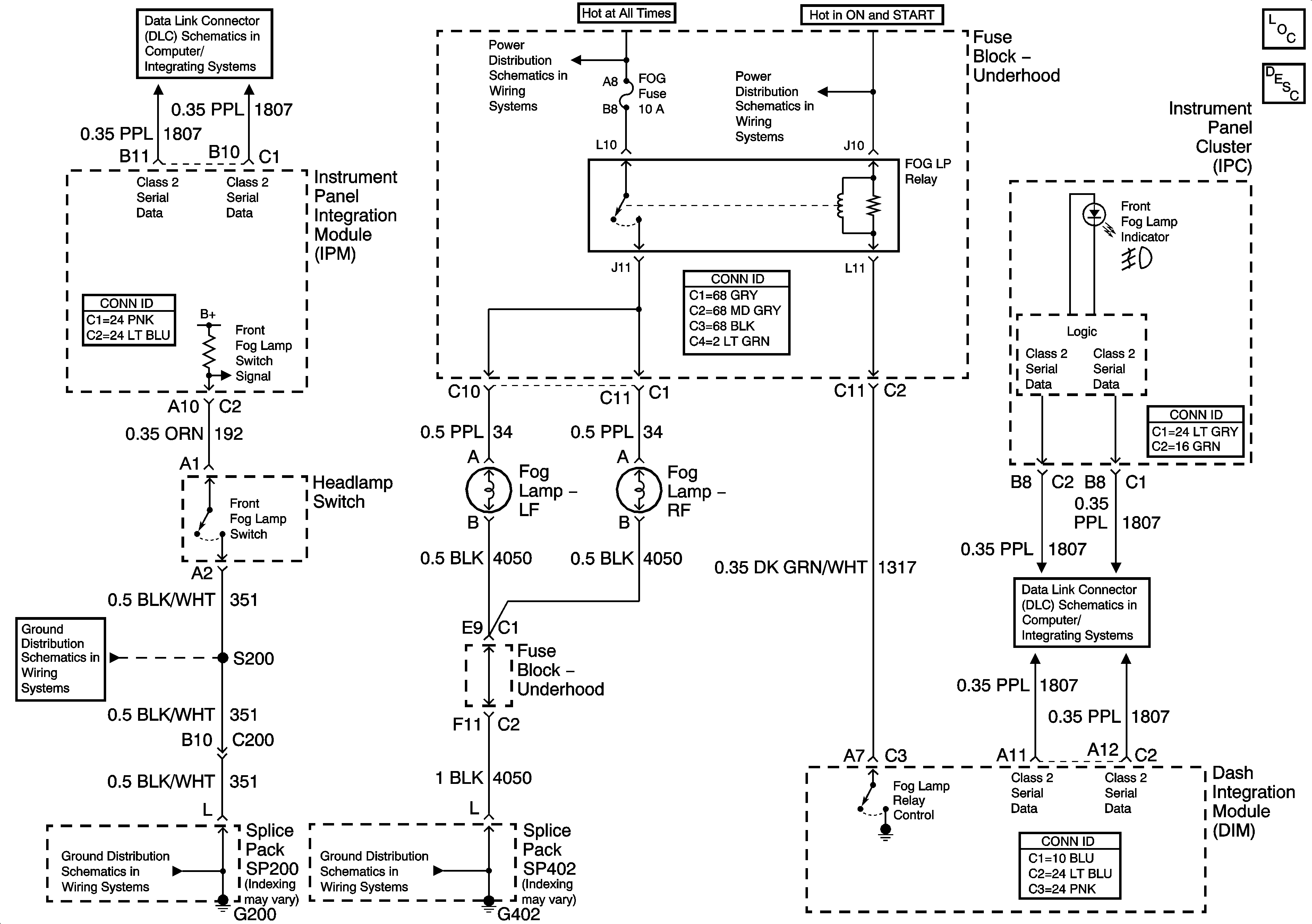
Fog Lights Schematics
Master Electrical Component List
Exterior Lighting Systems Description and Operation
Class 2 Serial Data (1 of 3)
Underhood Fuse Block Battery Voltage
Underhood Fuse Block Battery Voltage
G200
G200
G402 - 2 of 2
Class 2 Serial Data (1 of 3)