GM Service Manual Online
For 1990-2009 cars only
Makes
🢒
Cadillac
🢒
2005
🢒
DeVille
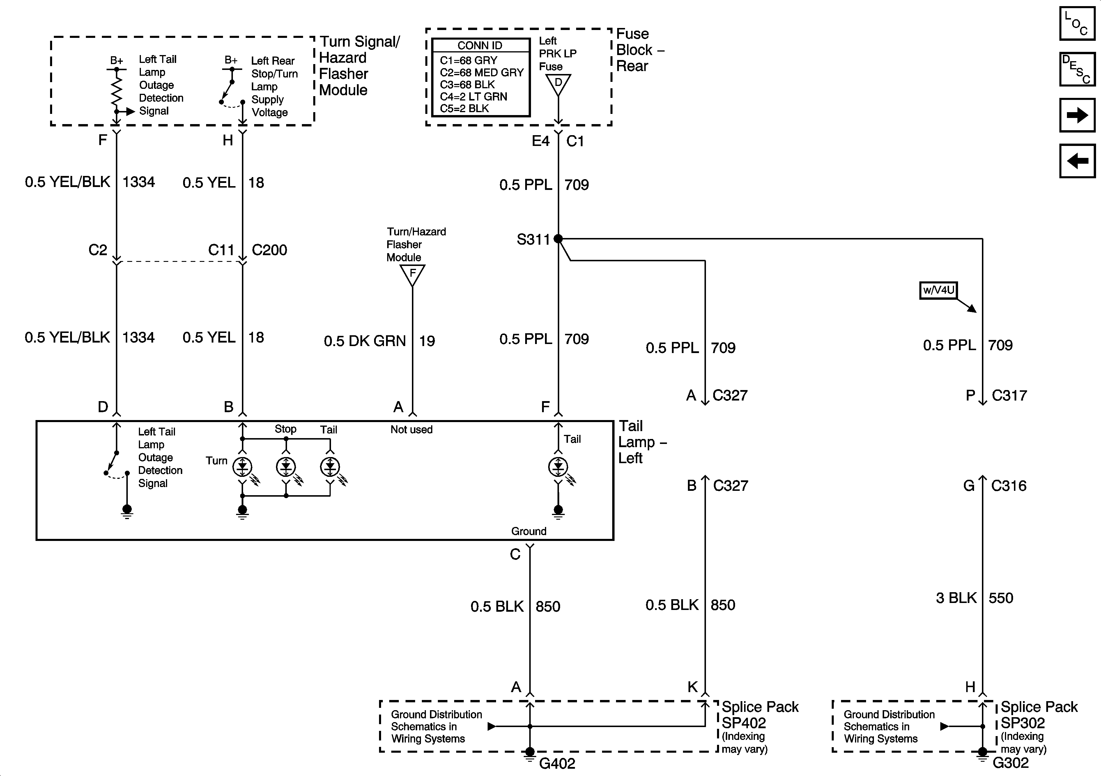
🢒 Left Tail Lamp
Left Tail Lamp
Left Tail Lamp
Master Electrical Component List
Exterior Lighting Systems Description and Operation
Front Park/Turn and Side Marker Lamps
Right Tail Lamp and Center High Mounted Stop Lamp
Headlamp Switch and Park Lamp Relay
Right Tail Lamp and Center High Mounted Stop Lamp
G402 - 2 of 2
G302 - 3 of 3