GM Service Manual Online
For 1990-2009 cars only
Makes
🢒
Cadillac
🢒
2005
🢒
DeVille
🢒 Steering Wheel Controls
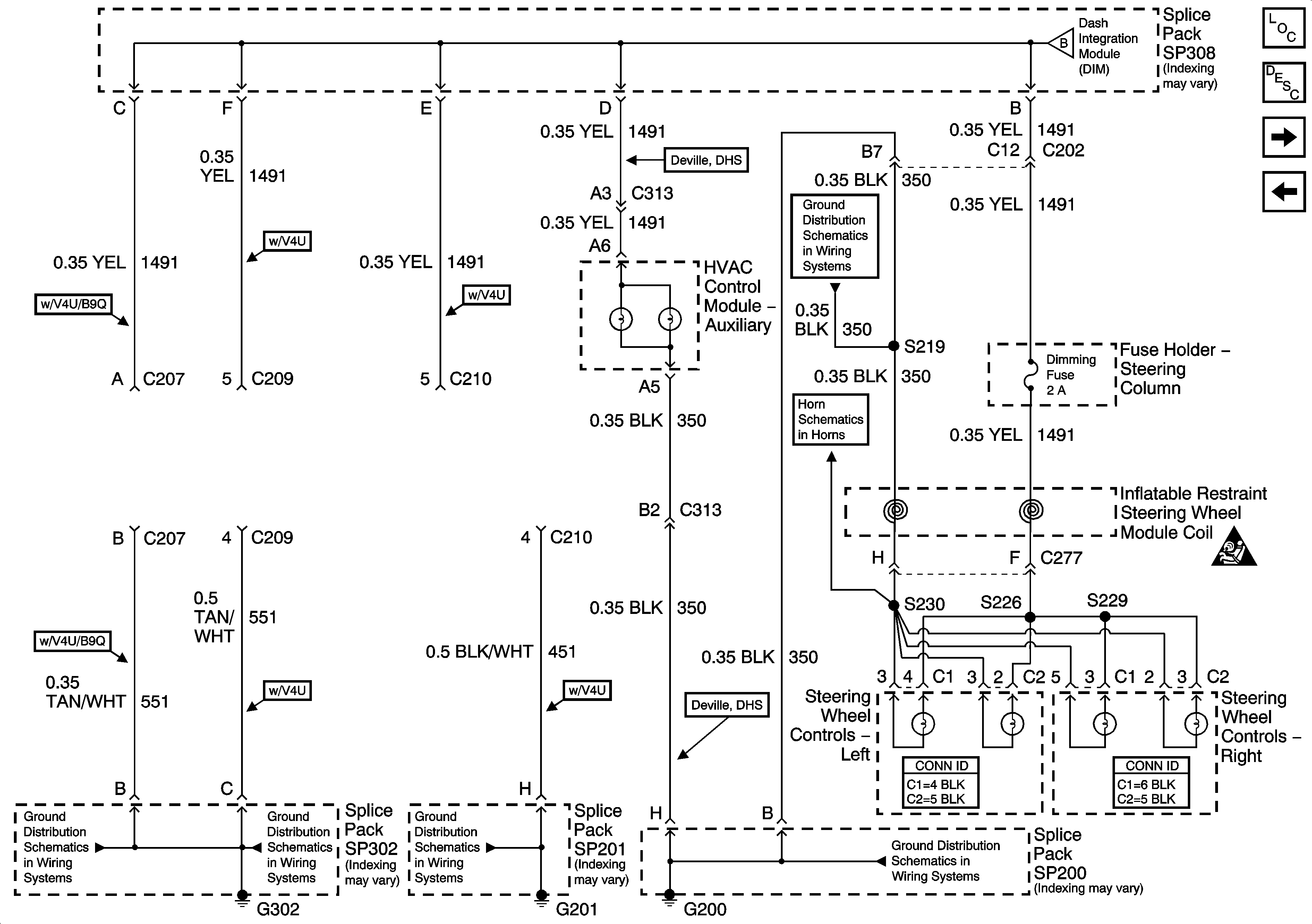
Steering Wheel Controls
Steering Wheel Controls
Master Electrical Component List
Interior Lighting Systems Description and Operation
Console Dimming
Instrument Panel Dimming
Instrument Panel Dimming
G200
Horns Schematics
SIR Caution for Zoning
G302 - 2 of 3
G302 - 1 of 3
G201 - 3 of 3
G200