GM Service Manual Online
For 1990-2009 cars only
Makes
🢒
Cadillac
🢒
2005
🢒
DeVille
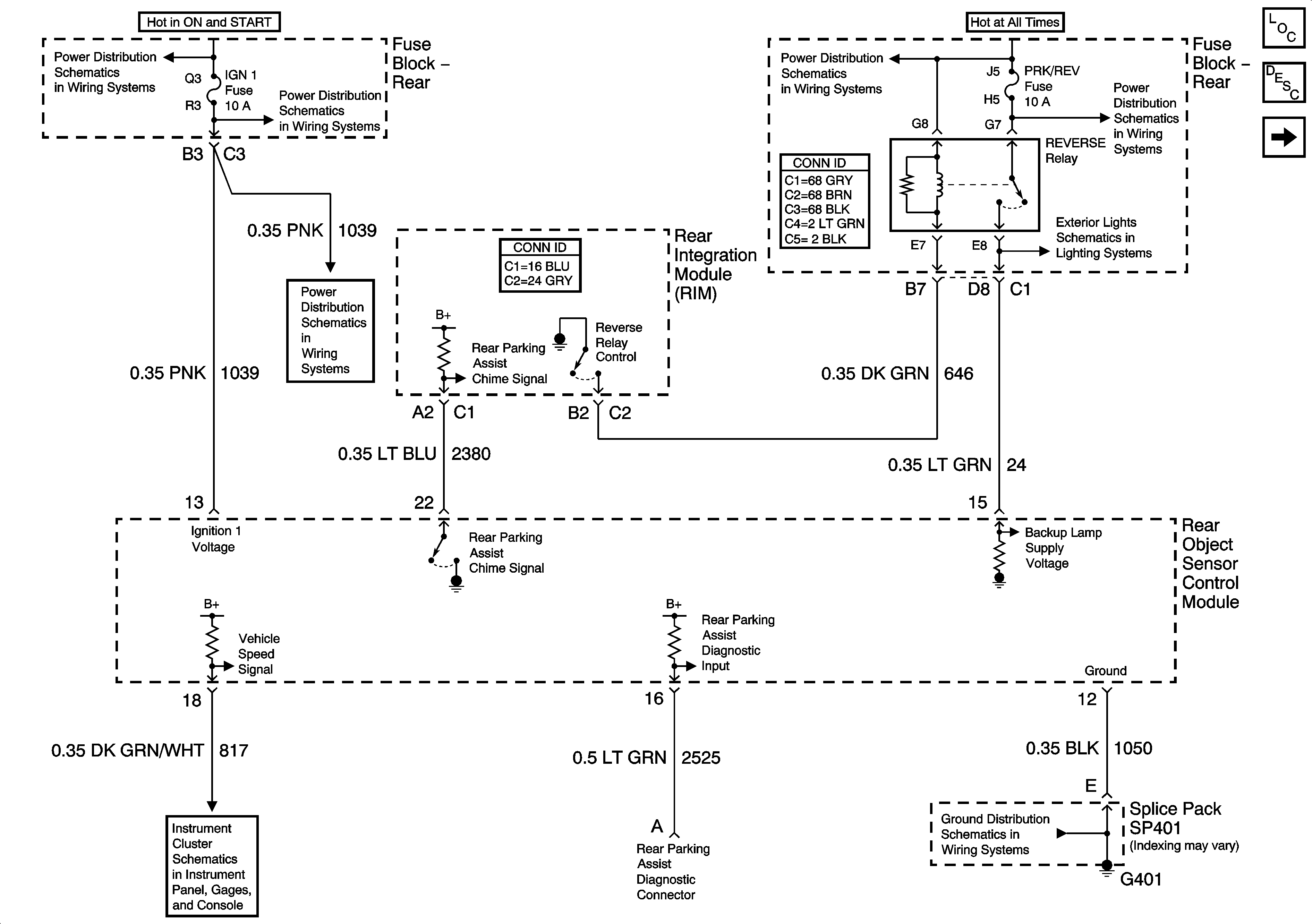
🢒 Rear Object Sensor Control Module Power and Ground
Rear Object Sensor Control Module Power and Ground
Rear Object Sensor Control Module - Power and Ground
Master Electrical Component List
Object Detection Description and Operation
Object Sensors
Rear Fuse Block Battery Voltage
SIR, VENT SOL, and IGN 1 Fuse and IGN 1 Relay
SIR, VENT SOL, and IGN 1 Fuse and IGN 1 Relay
Rear Fuse Block Battery Voltage
Rear Fuse Block Battery Voltage
Backup Lamps Schematics
Gages
G401