GM Service Manual Online
For 1990-2009 cars only
Makes
🢒
Cadillac
🢒
2005
🢒
DeVille
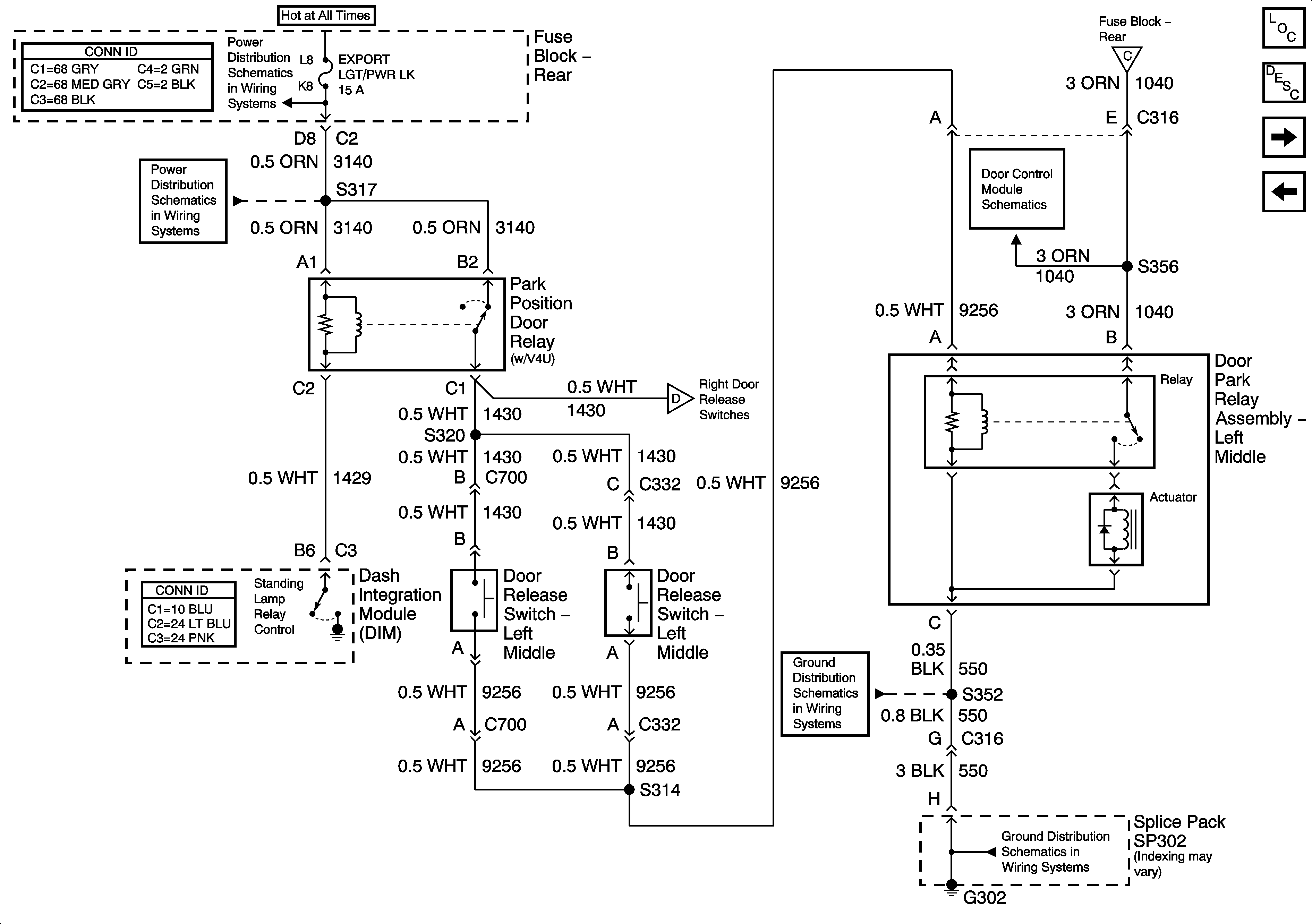
🢒 Power Door Locks Middle Door Release (V4U) - 1 of 2
Power Door Locks Middle Door Release (V4U) - 1 of 2
Power Door Locks Middle Door Release (V4U) - 1 of 2
Master Electrical Component List
Power Door Locks Description and Operation
Power Door Locks Middle Door Release (V4U) - 2 of 2
Right Rear Door Power Door Lock (w/o B9Q)
AUDIO AMP and EXPORT LTG/PWR LK Fuses
AUDIO AMP and EXPORT LTG/PWR LK Fuses
Left Middle Door Module (LMDM) Power and Ground Inputs and Outputs (V4U)
Power Door Locks Middle Door Release (V4U) - 2 of 2
Power Door Locks Middle Door Release (V4U) - 2 of 2
G302 - 3 of 3
G302 - 3 of 3