GM Service Manual Online
For 1990-2009 cars only

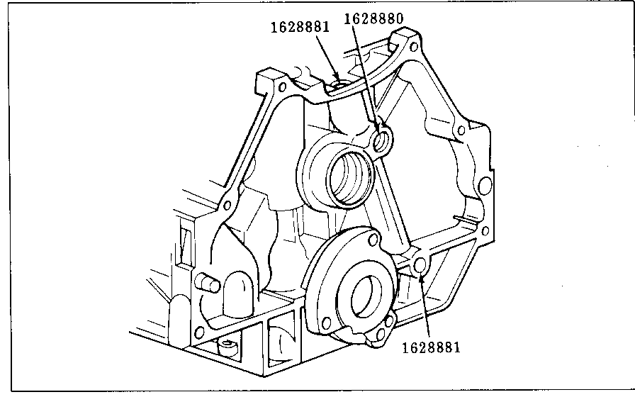
OIL GALLERY PLUGS NEW PLUGS AVAILABLE

VEHICLES AFFECTED: 1983-1984 Cadillac's Equipped With HT 4100 Engines

To reduce oil leaks, two new engine oil gallery plugs, available through WDDGM (P/N 1628880, 1/2 NPTF, and P/N 1628881,3/8 NPTF), have been released for production on late 1983 and 1984 HT4100 engines, starting which engine unit number T10L080783. These new gallery plugs, which are phosphate treated and then coated with a specific sealer, may require the use of light heat for removal.

These new gallery plugs have proven to be superior to any other plug currently available and should be used when servicing all HT4100 engines for oil leaks in these areas (refer to figure below).


Object Number: 88534  Size: MF

General Motors bulletins are intended for use by professional technicians, not a "do-it-yourselfer". They are written to inform those technicians of conditions that may occur on some vehicles, or to provide information that could assist in the proper service of a vehicle. Properly trained technicians have the equipment, tools, safety instructions and know-how to do a job properly and safely. If a condition is described, do not assume that the bulletin applies to your vehicle, or that your vehicle will have that condition. See a General Motors dealer servicing your brand of General Motors vehicle for information on whether your vehicle may benefit from the information.