GM Service Manual Online
For 1990-2009 cars only
Makes
🢒
Cadillac
🢒
1998
🢒
Eldorado
🢒
Engine
🢒
Engine Cooling
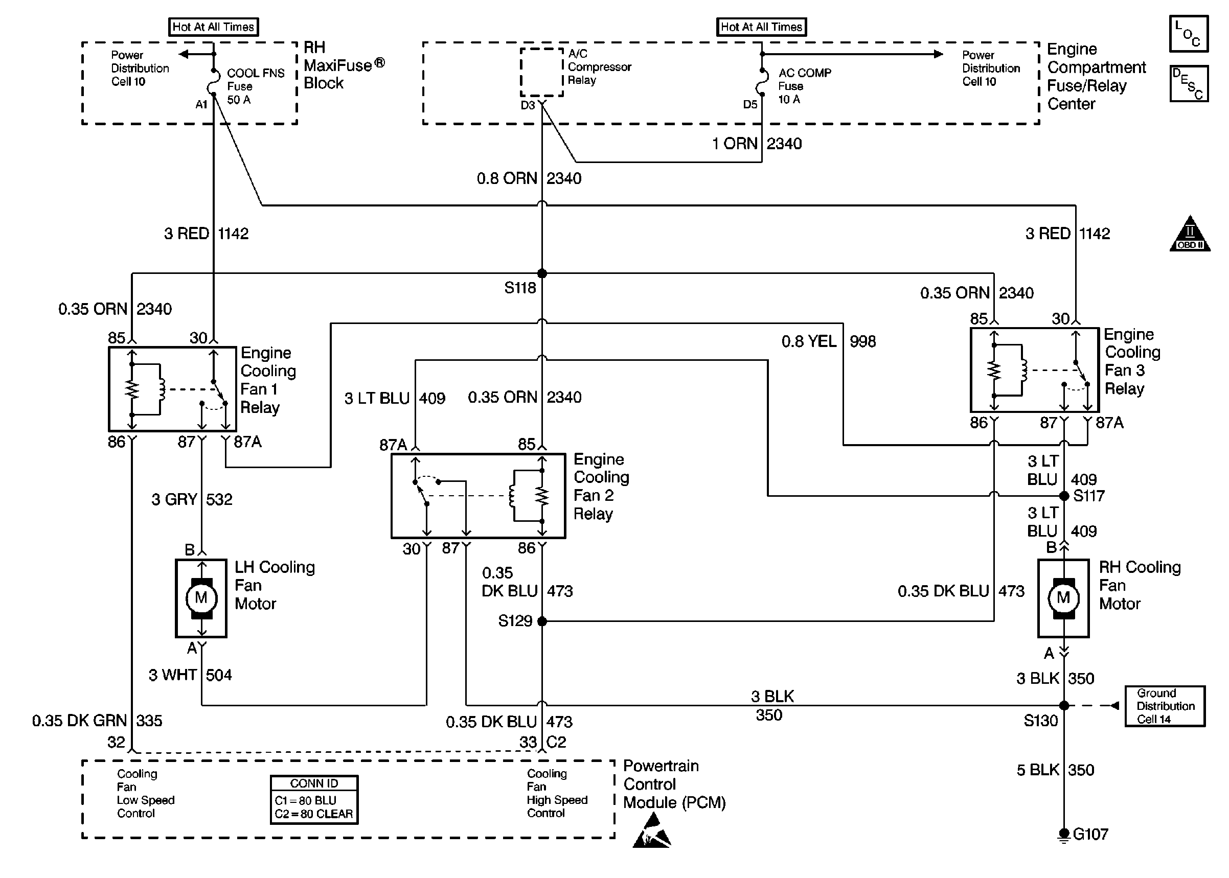
🢒 Cooling Fan Schematics
Cell 31
Cooling System Components
Cooling System Description
OBD II Symbol Description Notice
Handling ESD Sensitive Parts Notice
Cooling System Schematic References
Cooling System Schematic References
Cooling System Schematic References
Powertrain Control Module Connector End Views