GM Service Manual Online
For 1990-2009 cars only
Makes
🢒
Cadillac
🢒
1998
🢒
Eldorado
🢒
Suspension
🢒
Automatic Level Control
🢒 Automatic Level Control Schematics
Figure
1:
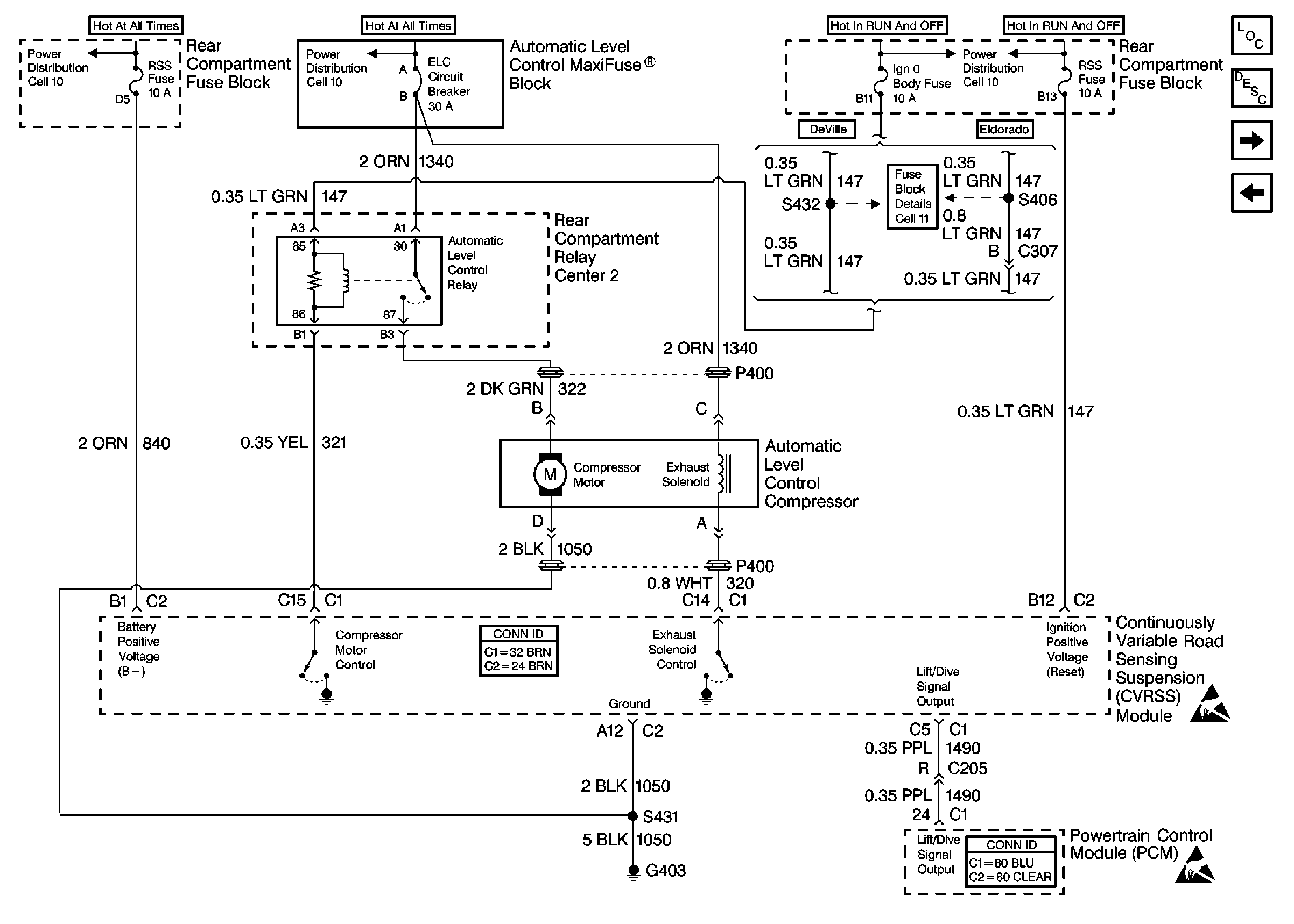
Cell 42: Automatic Level Control w/o F45)
Automatic Level Control Suspension Components
Automatic Level Control General Description
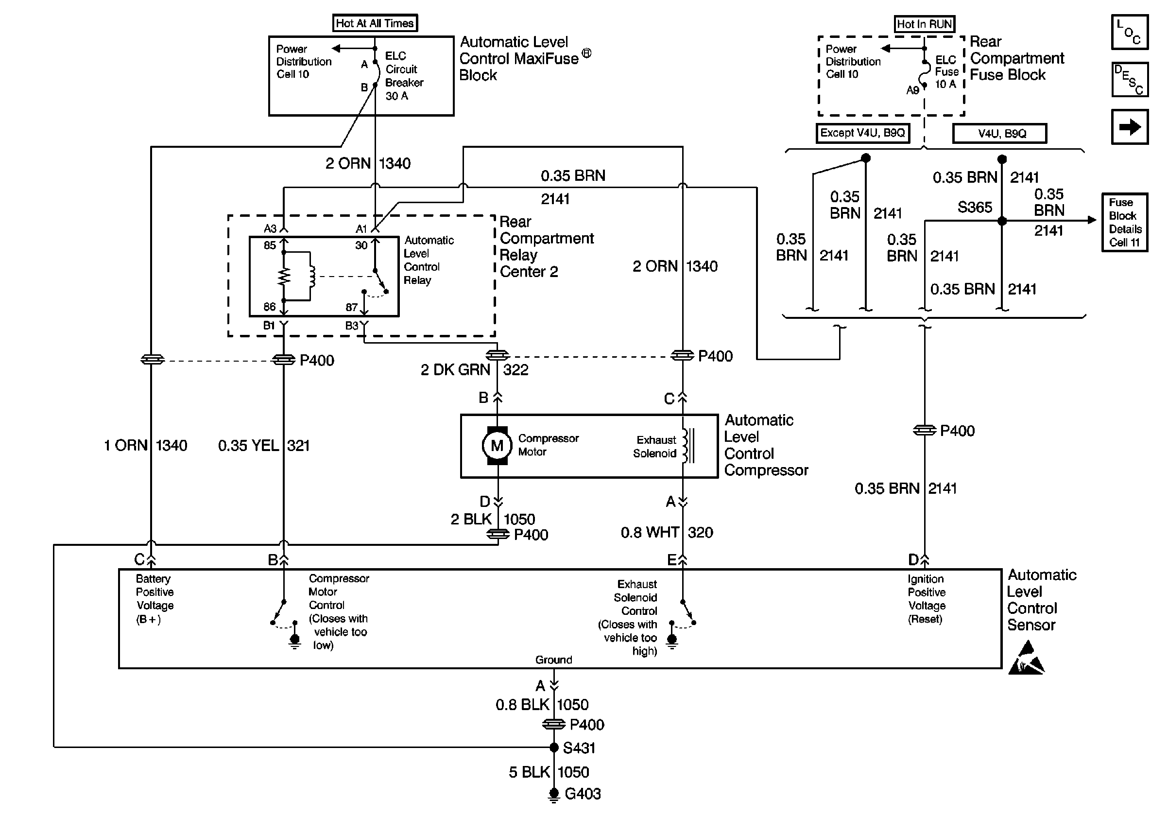
Cell 42: Automatic Level Control - Compressor (w/F45)
Handling ESD Sensitive Parts Notice
Figure
2:
Cell 42: Automatic Level Control -- Compressor (w/F45)
Automatic Level Control Suspension Components
Automatic Level Control General Description
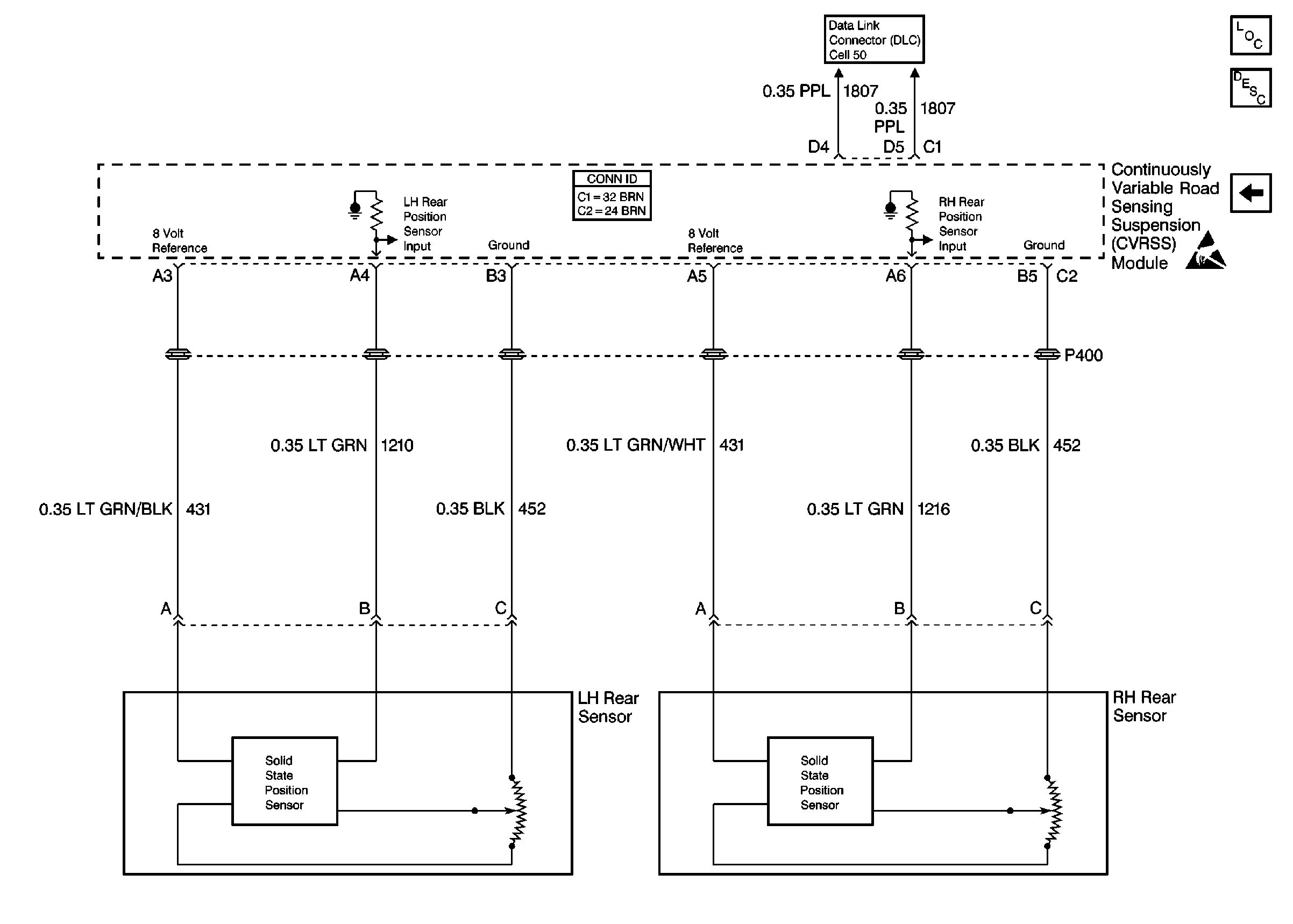
Cell 42: Automatic Level Control - Rear Sensors (w/F45)
Cell 42: Automatic Level Control w/o F45)
Handling ESD Sensitive Parts Notice
Handling ESD Sensitive Parts Notice
Powertrain Control Module Connector End Views
Figure
3:
Cell 42: Automatic Level Control -- Rear Sensors (w/ F45)
Automatic Level Control Suspension Components
Automatic Level Control General Description
Cell 42: Automatic Level Control - Compressor (w/F45)
Handling ESD Sensitive Parts Notice