GM Service Manual Online
For 1990-2009 cars only
Makes
🢒
Cadillac
🢒
1998
🢒
Eldorado
🢒
Body and Accessories
🢒
Lighting Systems
🢒 Release Systems Schematics
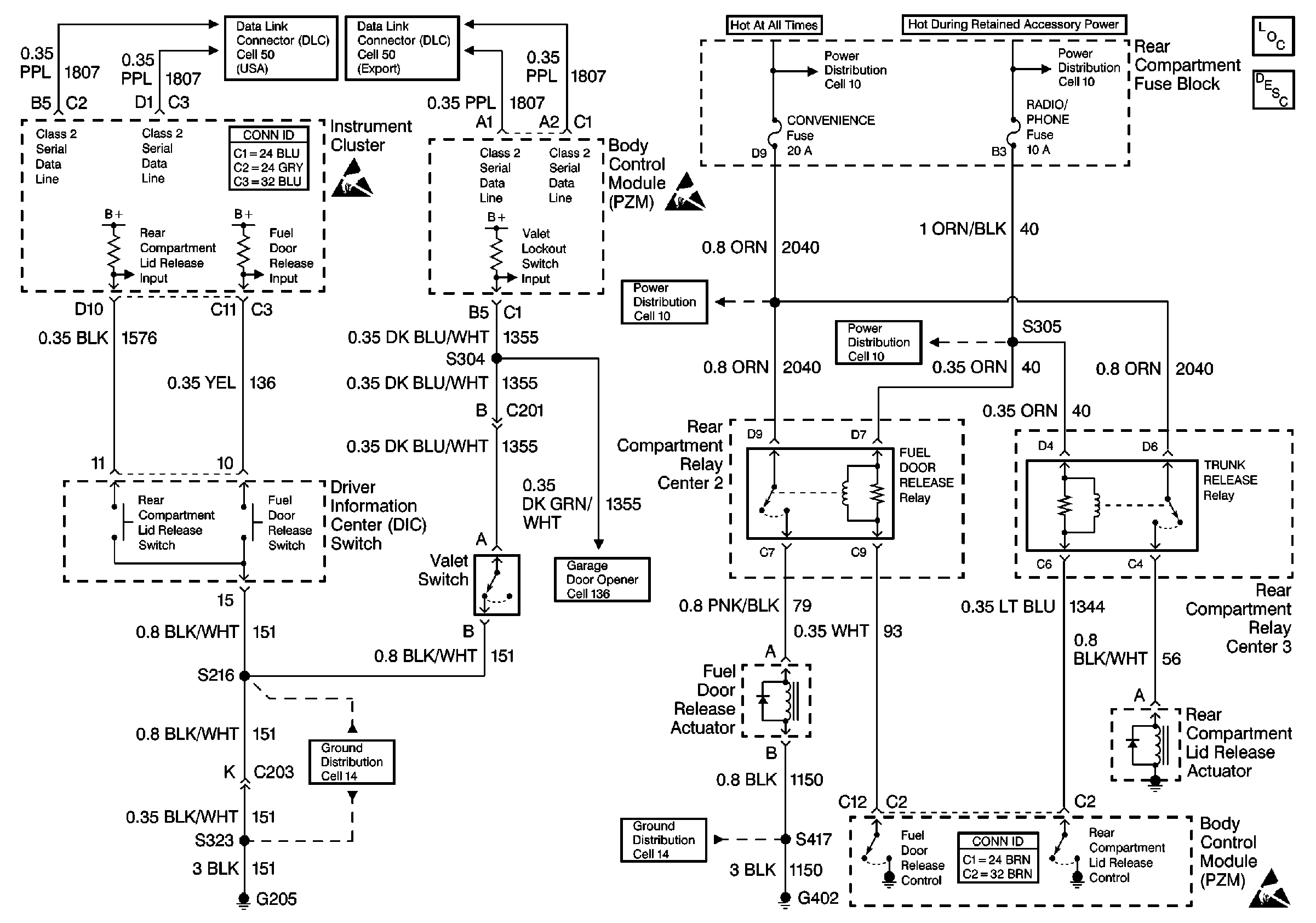
Figure
1:
Cell 134: Release Systems, Eldorado
Body Rear End Components
Body Rear End Description
Data Link Connector Schematics
Data Link Connector Schematics
Cell 10: CONVENIENCE Fuse
Cell 10: CONVENIENCE Fuse
Handling ESD Sensitive Parts Notice
Handling ESD Sensitive Parts Notice
Cell 10: CONVENIENCE Fuse
Cell 10: CONVENIENCE Fuse
Garage Door Opener Connector End Views
Cell 14: G402 (Eldorado Domestic)
Cell 14: G402 (Eldorado Domestic)
Handling ESD Sensitive Parts Notice
Figure
2:
Cell 134: Release Systems, Deville
Body Rear End Components
Body Rear End Description
Data Link Connector Schematics
Data Link Connector Schematics
Cell 10: CONVENIENCE Fuse
Cell 10: CONVENIENCE Fuse
Handling ESD Sensitive Parts Notice
Handling ESD Sensitive Parts Notice
Cell 10: CONVENIENCE Fuse
Cell 10: CONVENIENCE Fuse
Cell 136
Cell 14: G402 (DeVille Domestic)
Cell 14: G402 (DeVille Domestic)
Cell 14: G402 (DeVille Domestic)
Handling ESD Sensitive Parts Notice