GM Service Manual Online
For 1990-2009 cars only
Makes
🢒
Cadillac
🢒
1998
🢒
Eldorado
🢒
Body and Accessories
🢒
Doors
🢒 Power Window Schematics
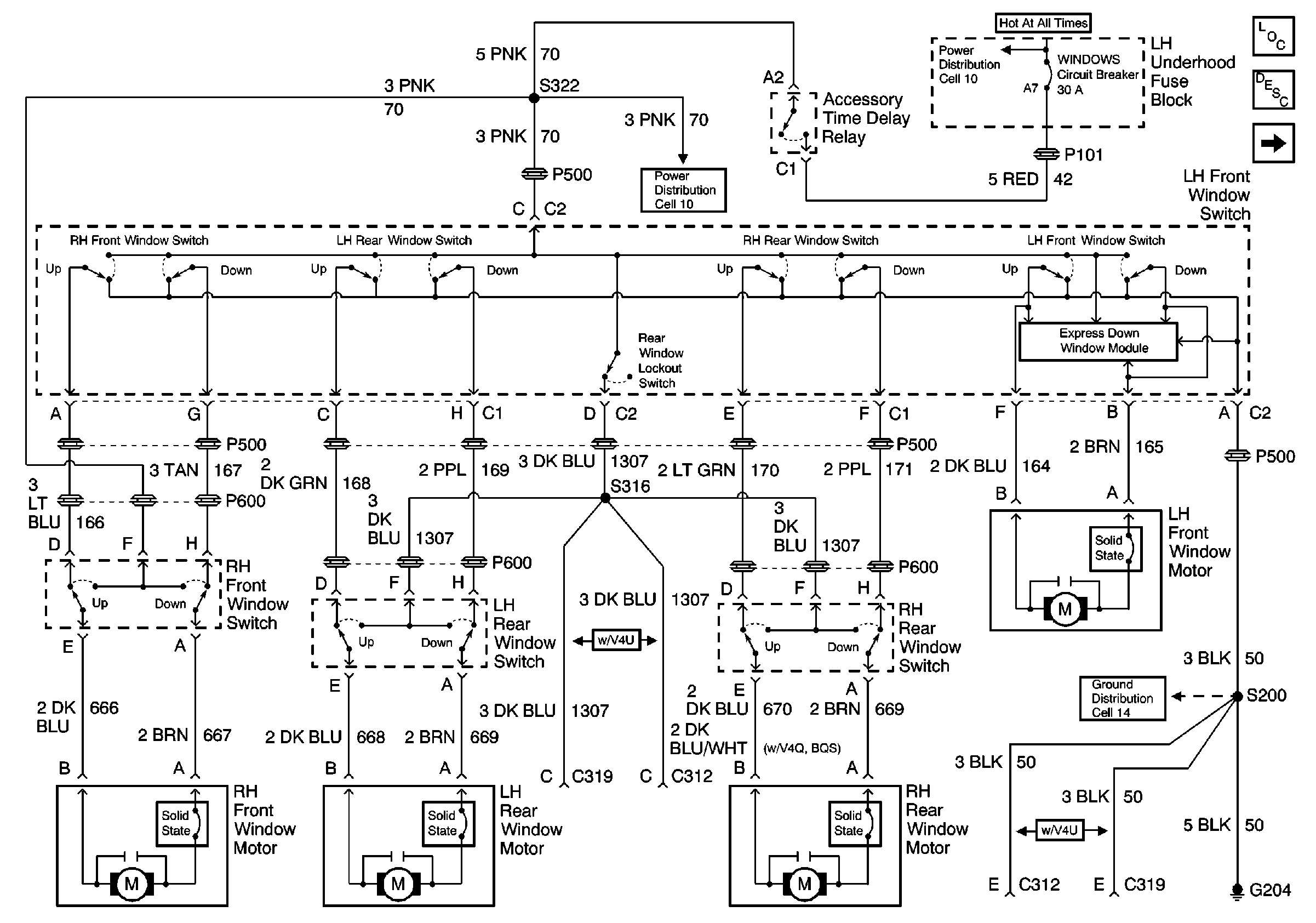
Figure
1:
Cell 120: Power Window Motors -- DeVille
Power Door Systems Components
Power Windows Circuit Description
Cell 120: Power Window Motors - Eldorado
Cell 10: WINDOWS Circuit Breaker
Cell 10: WINDOWS Circuit Breaker
Cell 14: G204
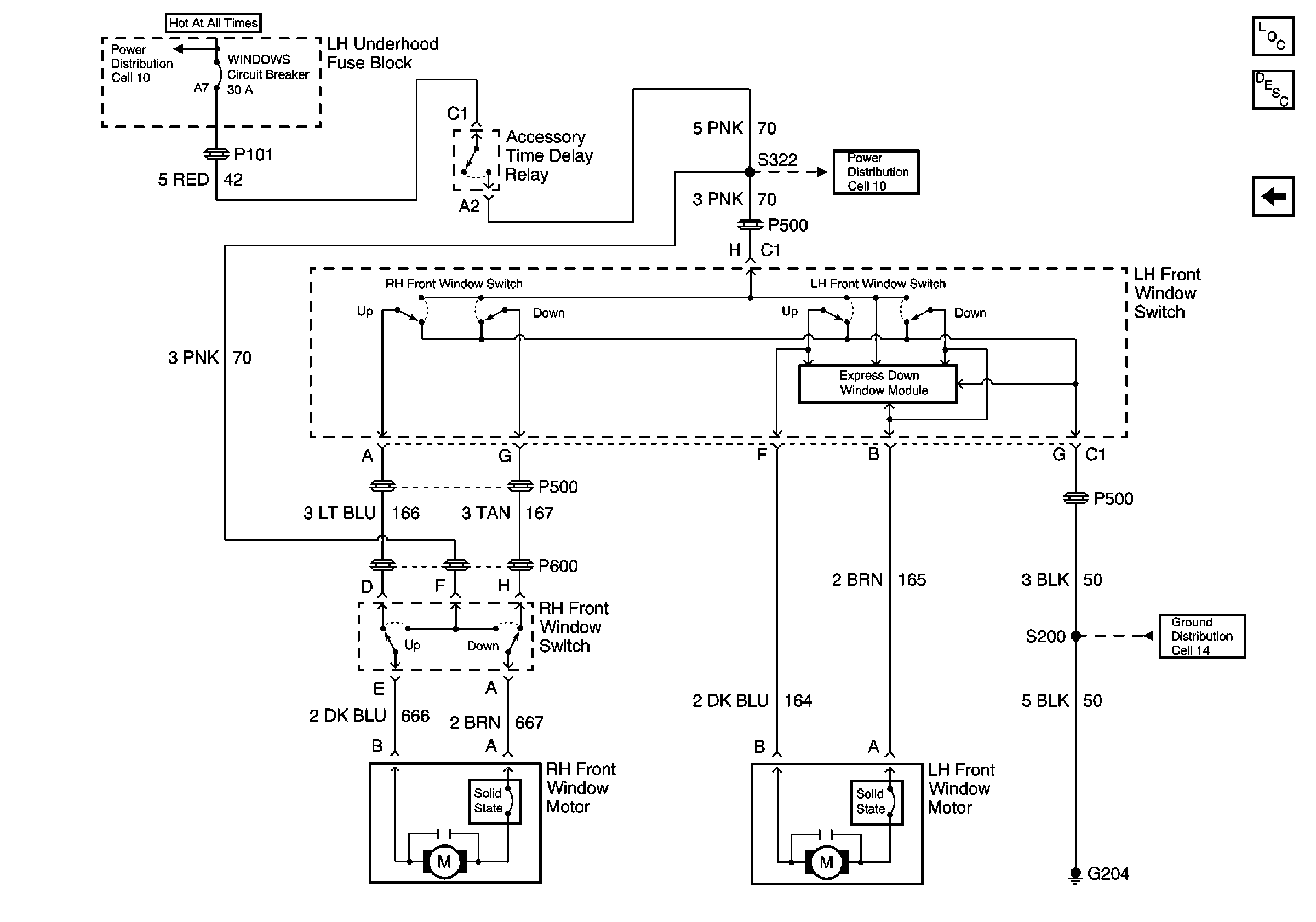
Figure
2:
Cell 120: Power Window Motors -- Eldorado
Power Door Systems Components
Power Windows Circuit Description
Cell 120: Power Window Motors - DeVille
Cell 10: WINDOWS Circuit Breaker
Cell 10: WINDOWS Circuit Breaker
Cell 14: G204