GM Service Manual Online
For 1990-2009 cars only
Makes
🢒
Cadillac
🢒
1998
🢒
Eldorado
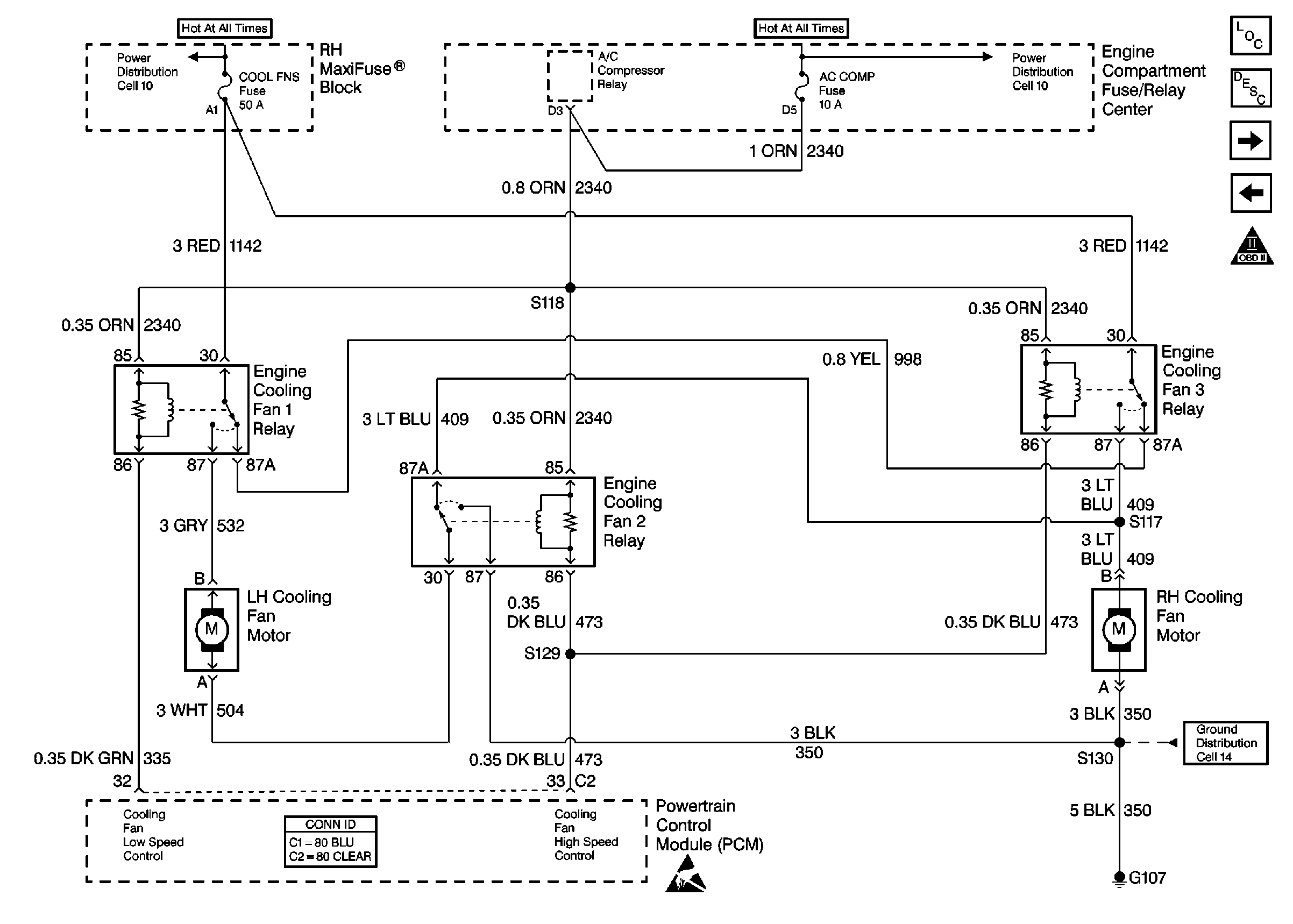
🢒 Cell 20: Cooling Fans and Relays
Cell 20: Cooling Fans and Relays
Cell 20: Cooling Fans and Relays
Engine Controls Component Views
Powertrain Control Module Description
Cell 20: Park/Neutral Position Switch and VSS
Cell 20: EBTCM, Generator, A/C Relay and RSS
OBD II Symbol Description Notice
Engine Controls Schematic References
Engine Controls Schematic References
Engine Controls Schematic References
Powertrain Control Module Connector End Views
Handling ESD Sensitive Parts Notice