GM Service Manual Online
For 1990-2009 cars only
Makes
🢒
Cadillac
🢒
1998
🢒
Eldorado
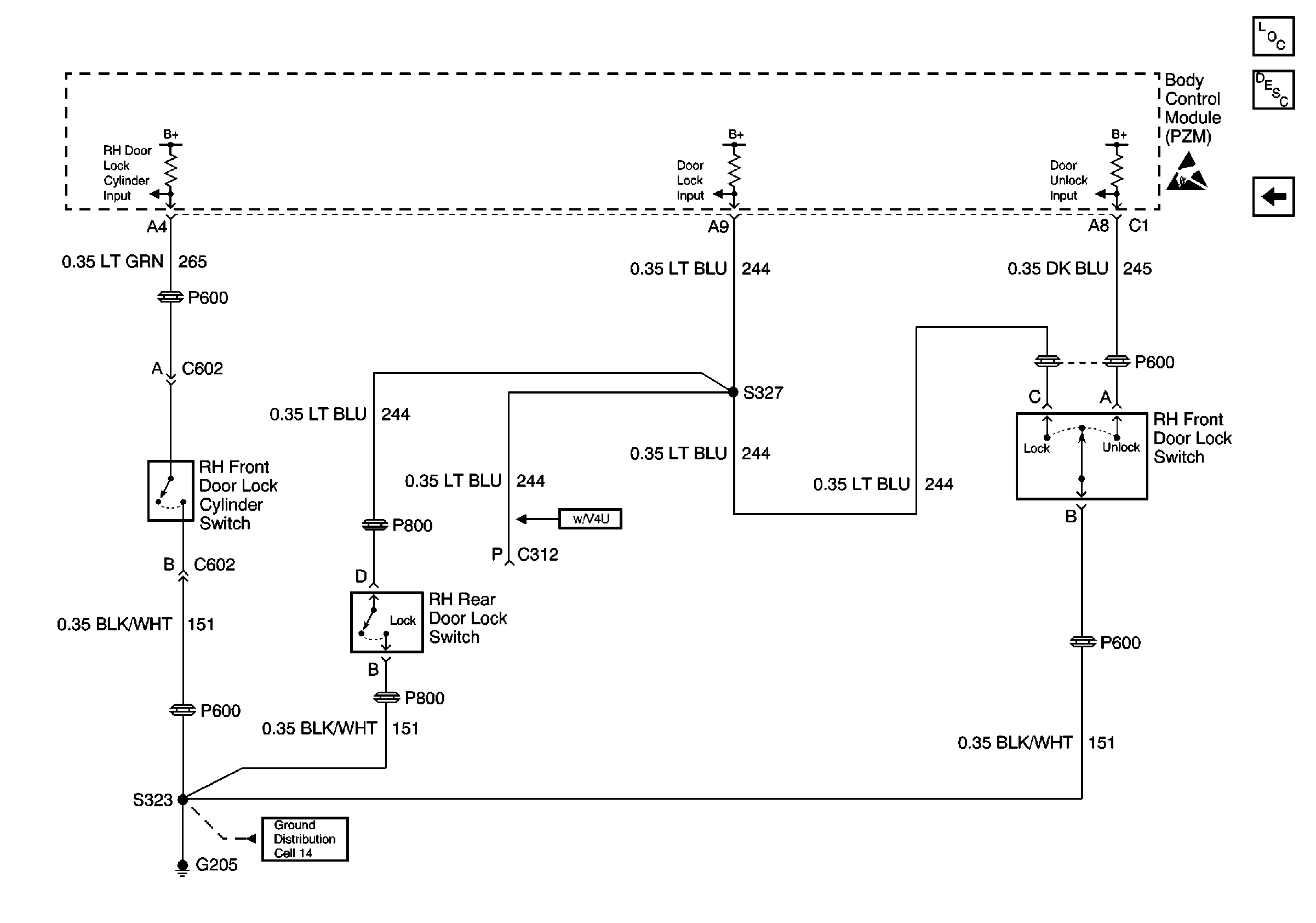
🢒 Cell 133: Right Power Door Lock Switches
Cell 133: Right Power Door Lock Switches
Cell 133: Right Power Door Lock Switches
Theft Deterrent System Components
Content Theft Deterrent (CTD) Circuit Description
Cell 133: Left Power Door Lock Switches
Handling ESD Sensitive Parts Notice
Cell 14: G205