GM Service Manual Online
For 1990-2009 cars only
Figure 1:

Cell 20: PCM Power and Grounds


Object Number: 380819  Size: FS
Engine Controls Components
Powertrain Control Module Description
Cell 20: MIL Control and DLC
OBD II Symbol Description Notice
Power Distribution Schematics
Ground Distribution Schematics
Powertrain Control Module Connector End Views
Handling ESD Sensitive Parts Notice
Figure 2:

Cell 20: MIL Control and DLC


Object Number: 380822  Size: FS
Engine Controls Components
Powertrain Control Module Description
Cell 20: Ignition Control (IC) Module
Cell 20: PCM Power and Grounds
OBD II Symbol Description Notice
Power Distribution Schematics
Power Distribution Schematics
Ground Distribution Schematics
Data Link Connector Schematics
Powertrain Control Module Connector End Views
Handling ESD Sensitive Parts Notice
Handling ESD Sensitive Parts Notice
Figure 3:

Cell 20: Ignition Control (IC) Module


Object Number: 380826  Size: FS
Engine Controls Components
Powertrain Control Module Description
Cell 20: Fuel Pump and Relay
Cell 20: MIL Control and DLC
OBD II Symbol Description Notice
Power Distribution Schematics
Ground Distribution Schematics
Powertrain Control Module Connector End Views
Handling ESD Sensitive Parts Notice
Handling ESD Sensitive Parts Notice
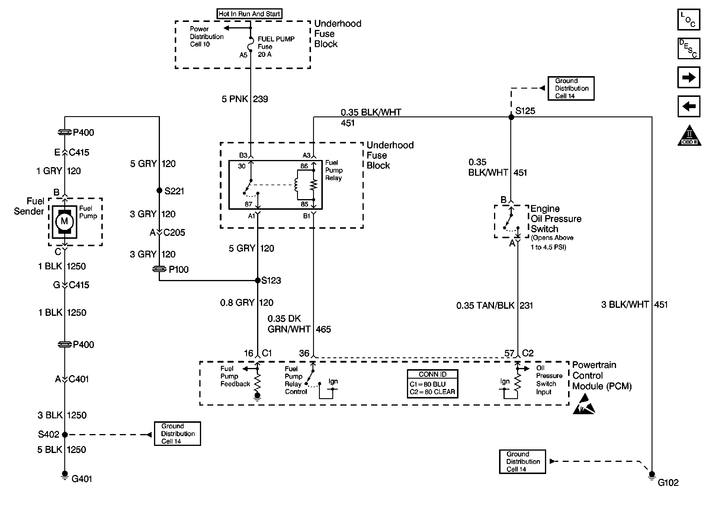
Figure 4:

Cell 20: Fuel Pump and Relay


Object Number: 380828  Size: FS
Engine Controls Components
Powertrain Control Module Description
Cell 20: Fuel Injectors
Cell 20: Ignition Control (IC) Module
OBD II Symbol Description Notice
Power Distribution Schematics
Ground Distribution Schematics
Ground Distribution Schematics
Ground Distribution Schematics
Powertrain Control Module Connector End Views
Handling ESD Sensitive Parts Notice
Figure 5:

Cell 20: Fuel Injectors


Object Number: 380847  Size: FS
Engine Controls Components
Powertrain Control Module Description
Cell 20: Engine and Fuel Tank Sensors
Cell 20: Fuel Pump and Relay
OBD II Symbol Description Notice
Power Distribution Schematics
Powertrain Control Module Connector End Views
Handling ESD Sensitive Parts Notice
Figure 6:

Cell 20: Engine and Fuel Tank Sensors


Object Number: 380863  Size: FS
Engine Controls Components
Powertrain Control Module Description
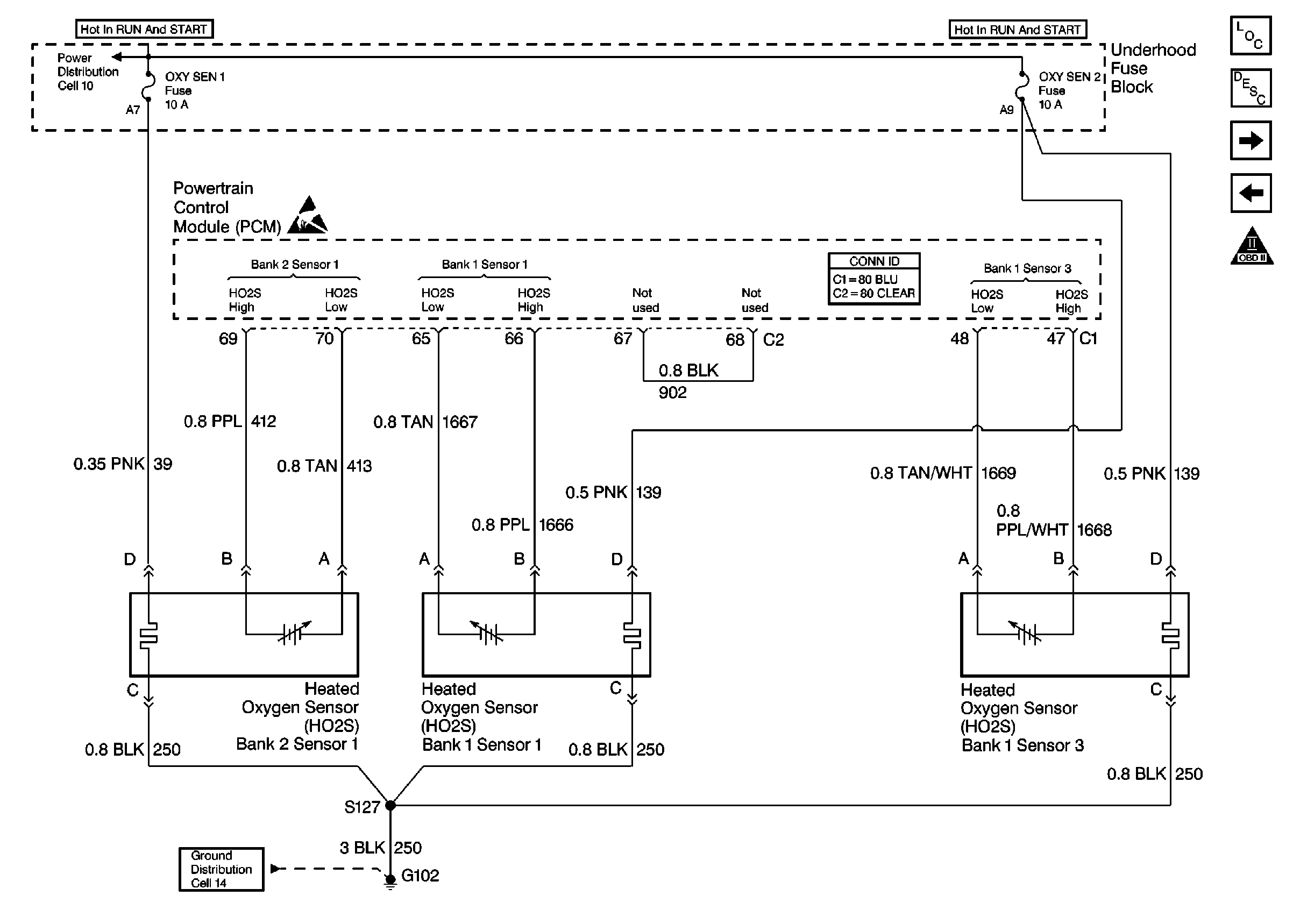
Cell 20: Heated Oxygen Sensors (Later Production)
Cell 20: Fuel Injectors
OBD II Symbol Description Notice
Powertrain Control Module Connector End Views
Handling ESD Sensitive Parts Notice
Handling ESD Sensitive Parts Notice
Figure 7:

Cell 20: Heated Oxygen Sensors (Later Production)


Object Number: 380873  Size: FS
Engine Controls Components
Powertrain Control Module Description
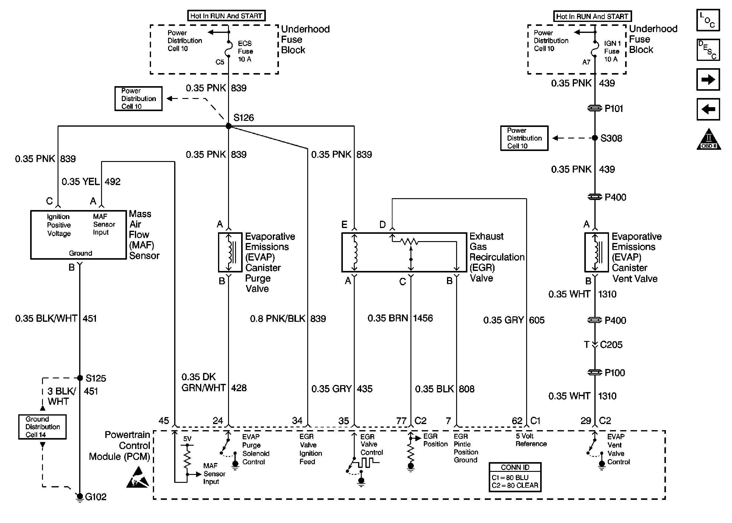
Cell 20: MAF Sensor, EVAP Components and EGR Valve
Cell 20: Engine and Fuel Tank Sensors
OBD II Symbol Description Notice
Power Distribution Schematics
Ground Distribution Schematics
Powertrain Control Module Connector End Views
Handling ESD Sensitive Parts Notice
Figure 8:

Cell 20: MAF Sensor, EVAP Components and EGR Valve


Object Number: 380867  Size: FS
Engine Controls Components
Powertrain Control Module Description
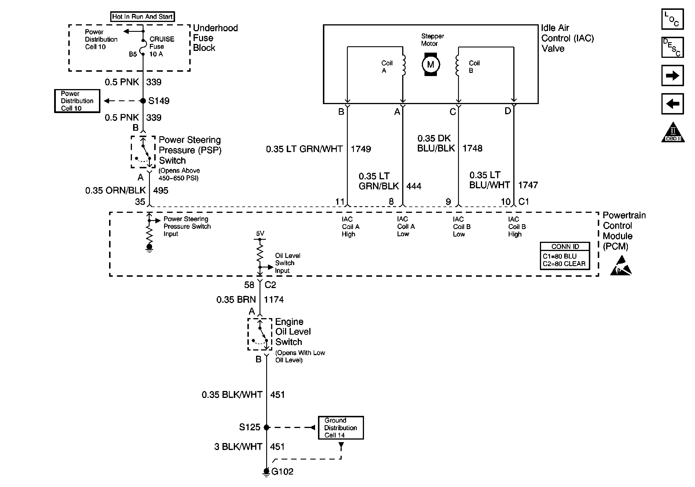
Cell 20: IAC Valve and PSP, Oil Level Switches
Cell 20: Heated Oxygen Sensors (Later Production)
OBD II Symbol Description Notice
Power Distribution Schematics
Power Distribution Schematics
Power Distribution Schematics
Power Distribution Schematics
Ground Distribution Schematics
Powertrain Control Module Connector End Views
Handling ESD Sensitive Parts Notice
Figure 9:

Cell 20: IAC Valve and PSP, Oil Level Switches


Object Number: 380874  Size: FS
Engine Controls Components
Powertrain Control Module Description
Cell 20: Vehicle Speed Output and Cruise Control Module
Cell 20: MAF Sensor, EVAP Components and EGR Valve
OBD II Symbol Description Notice
Power Distribution Schematics
Power Distribution Schematics
Ground Distribution Schematics
Powertrain Control Module Connector End Views
Handling ESD Sensitive Parts Notice
Figure 10:

Cell 20: Vehicle Speed Output and Cruise Control Module


Object Number: 380877  Size: FS
Engine Controls Components
Powertrain Control Module Description
Cell 20: EBTCM, Generator, A/C Relay and RSS
Cell 20: IAC Valve and PSP, Oil Level Switches
OBD II Symbol Description Notice
Power Distribution Schematics
Ground Distribution Schematics
Powertrain Control Module Connector End Views
Handling ESD Sensitive Parts Notice
Handling ESD Sensitive Parts Notice
Handling ESD Sensitive Parts Notice
Handling ESD Sensitive Parts Notice
Figure 11:

Cell 20: EBTCM, Generator, A/C Relay and RSS


Object Number: 380896  Size: FS
Engine Controls Components
Powertrain Control Module Description
Cell 20: ABS/TCC Switch and Transaxle Solenoids
Cell 20: Vehicle Speed Output and Cruise Control Module
OBD II Symbol Description Notice
Powertrain Control Module Connector End Views
Handling ESD Sensitive Parts Notice
Handling ESD Sensitive Parts Notice
Handling ESD Sensitive Parts Notice
Handling ESD Sensitive Parts Notice
Handling ESD Sensitive Parts Notice
Starting and Charging Schematics
Figure 12:

Cell 20: ABS/TCC Switch and Transaxle Solenoids


Object Number: 380881  Size: FS
Engine Controls Components
Powertrain Control Module Description
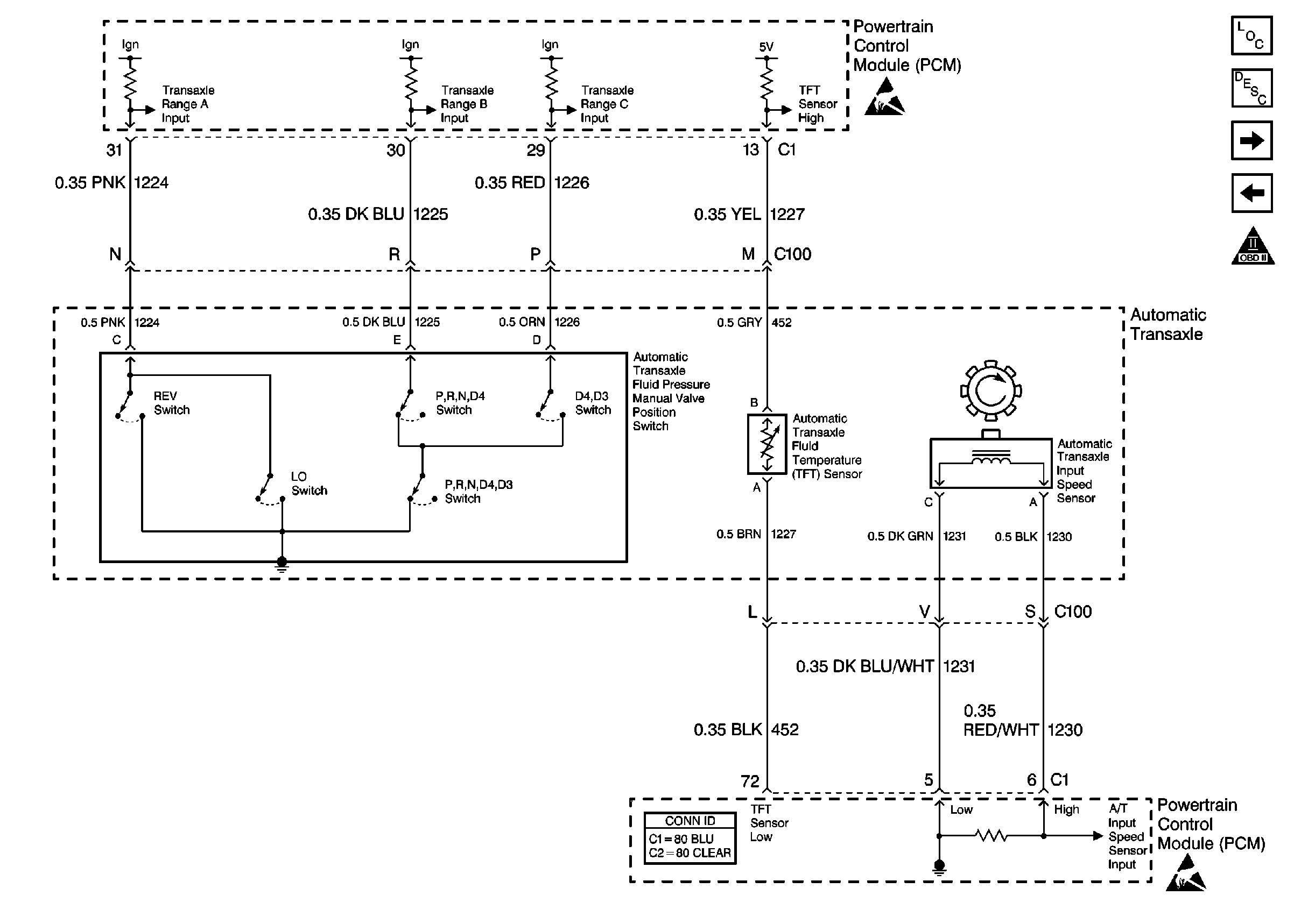
Cell 20: Transaxle Sensors and TR Switch
Cell 20: EBTCM, Generator, A/C Relay and RSS
OBD II Symbol Description Notice
Power Distribution Schematics
Power Distribution Schematics
Power Distribution Schematics
Power Distribution Schematics
Cruise Control Schematics
Powertrain Control Module Connector End Views
Handling ESD Sensitive Parts Notice
Figure 13:

Cell 20: Transaxle Sensors and TR Switch


Object Number: 380894  Size: FS
Engine Controls Components
Powertrain Control Module Description
Cell 20: Park/Neutral Position Switch and VSS
Cell 20: ABS/TCC Switch and Transaxle Solenoids
OBD II Symbol Description Notice
Powertrain Control Module Connector End Views
Handling ESD Sensitive Parts Notice
Handling ESD Sensitive Parts Notice
Figure 14:

Cell 20: Park/Neutral Position Switch and VSS


Object Number: 380899  Size: FS
Engine Controls Components
Powertrain Control Module Description
Cell 20: Cooling Fans and Relays
Cell 20: Transaxle Sensors and TR Switch
OBD II Symbol Description Notice
Ground Distribution Schematics
Powertrain Control Module Connector End Views
Handling ESD Sensitive Parts Notice
Figure 15:

Cell 20: Cooling Fans and Relays


Object Number: 380898  Size: FS
Engine Controls Components
Powertrain Control Module Description
Cell 20: Park/Neutral Position Switch and VSS
OBD II Symbol Description Notice
Power Distribution Schematics
Power Distribution Schematics
Ground Distribution Schematics
Powertrain Control Module Connector End Views
Handling ESD Sensitive Parts Notice