GM Service Manual Online
For 1990-2009 cars only
Makes
🢒
Cadillac
🢒
1999
🢒
Eldorado
🢒
Body and Accessories
🢒
Lighting Systems
🢒 Fog Lights Schematics
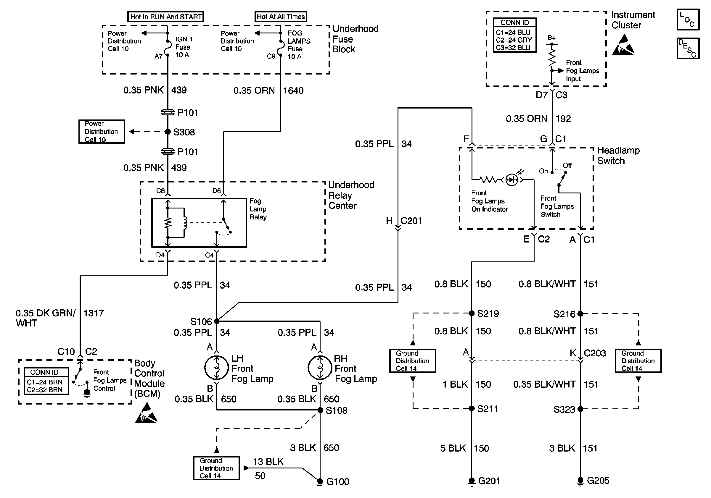
Fog Lights Schematics Front
Cell 103: Front Fog Lamps
Lighting Systems Components
Fog Lights Circuit Description
Power Distribution Schematics
Power Distribution Schematics
Power Distribution Schematics
Ground Distribution Schematics
Ground Distribution Schematics
Ground Distribution Schematics
Handling ESD Sensitive Parts Notice
Handling ESD Sensitive Parts Notice
Body Control System Connector End Views
Instrument Panel, Gages, and Console Connector End Views
Fog Lights Schematics Rear
Cell 103: Rear Fog Lamps
Lighting Systems Components
Fog Lights Circuit Description
Power Distribution Schematics
Power Distribution Schematics
Power Distribution Schematics
Cell 110: RH Park Lamps
Cell 110: RH Park Lamps
Handling ESD Sensitive Parts Notice
Ground Distribution Schematics
Handling ESD Sensitive Parts Notice
Ground Distribution Schematics
Ground Distribution Schematics
Body Control System Connector End Views
Instrument Panel, Gages, and Console Connector End Views