GM Service Manual Online
For 1990-2009 cars only
Makes
🢒
Cadillac
🢒
1999
🢒
Eldorado
🢒
Body and Accessories
🢒
Entertainment
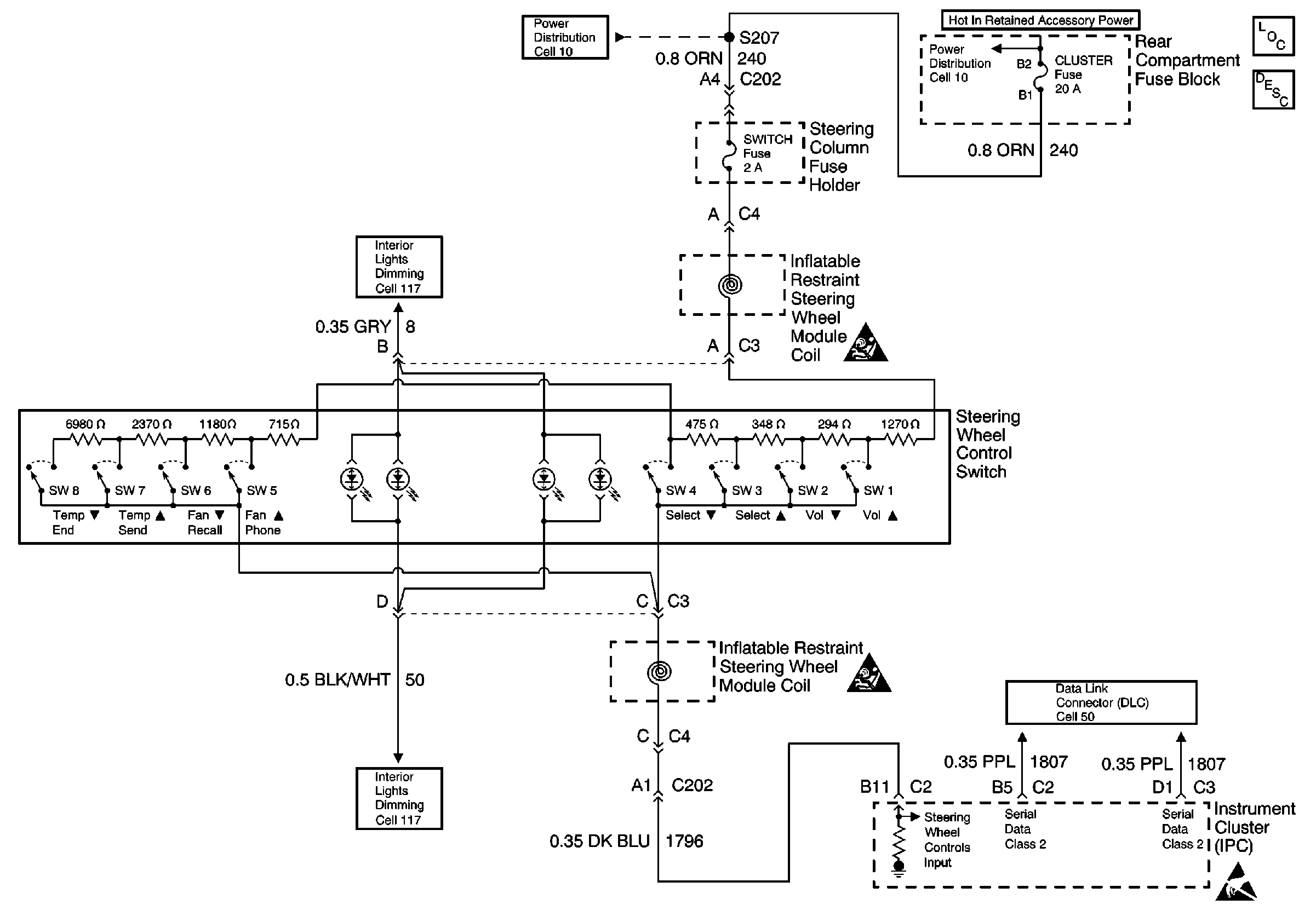
🢒 Steering Wheel Controls Schematics
Cell 152
Entertainment Components
Steering Wheel Controls System Circuit Description
Handling ESD Sensitive Parts Notice
Cell 50: Power, Ground and Class 2 (Export)
SIR Handling Caution
SIR Handling Caution
Cell 10: WIPERS, ACC, and CLUSTER Fuses
Cell 10: BODY 3 Fuse
Cell 117: Instrument Panel Backlighting
Cell 117: Instrument Panel Backlighting