GM Service Manual Online
For 1990-2009 cars only
Makes
🢒
Cadillac
🢒
1999
🢒
Eldorado
🢒
Body and Accessories
🢒
Stationary Windows
🢒 Defogger Schematics
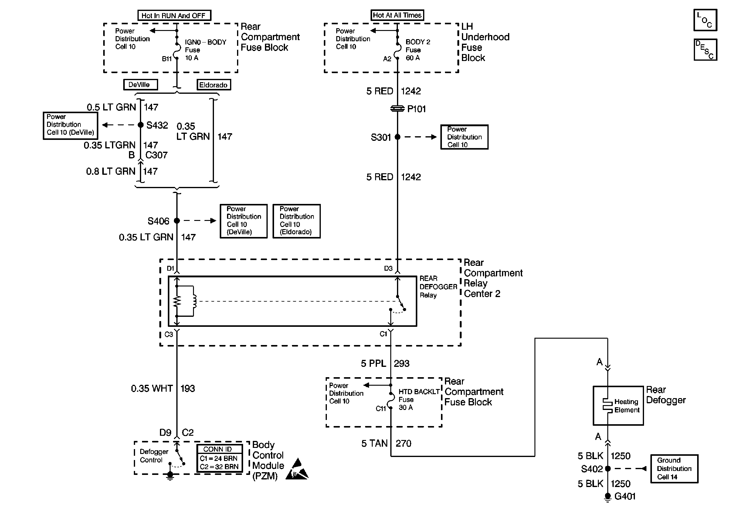
HVAC Rear Defogger Schematic (Cell 61)
HVAC Component Views
Rear Window Defogger Circuit Description
Cell 10: BODY 2 Fuse
Power Distribution Schematics
Cell 10: Battery Power to Fuse Blocks
Cell 10: IGN 0 BODY Fuse (DeVille)
Cell 10: IGN 0 BODY Fuse (DeVille)
Cell 10: IGN 0 BODY Fuse (Eldorado)
Cell 10: BODY 2 Fuse
Handling ESD Sensitive Parts Notice
Body Control System Connector End Views
Ground Distribution Schematics