GM Service Manual Online
For 1990-2009 cars only
Figure 1:

Cell 147: Outside Power Mirror, Deville Without Memory Mirrors


Object Number: 317390  Size: FS
Outside Mirrors Circuit Description
Power Door Systems Components
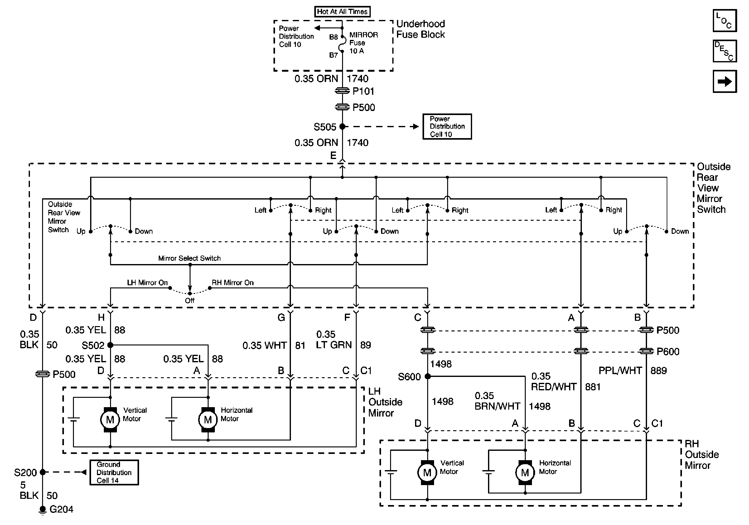
Cell 147: Outside Power Mirror, Eldorado Without Memory Mirrors
Cell 10: MIRROR, FOG, and DRL Fuses
Cell 10: MIRROR, FOG, and DRL Fuses
Cell 14: G204
Figure 2:

Cell 147: Outside Power Mirror, Eldorado Without Memory Mirrors


Object Number: 317392  Size: FS
Power Door Systems Components
Outside Mirrors Circuit Description
Cell 147: Power Mirror Switch, Deville with Memory Mirrors
Cell 147: Outside Power Mirror, Deville Without Memory Mirrors
Cell 10: MIRROR, FOG, and DRL Fuses
Cell 10: MIRROR, FOG, and DRL Fuses
Cell 14: G204
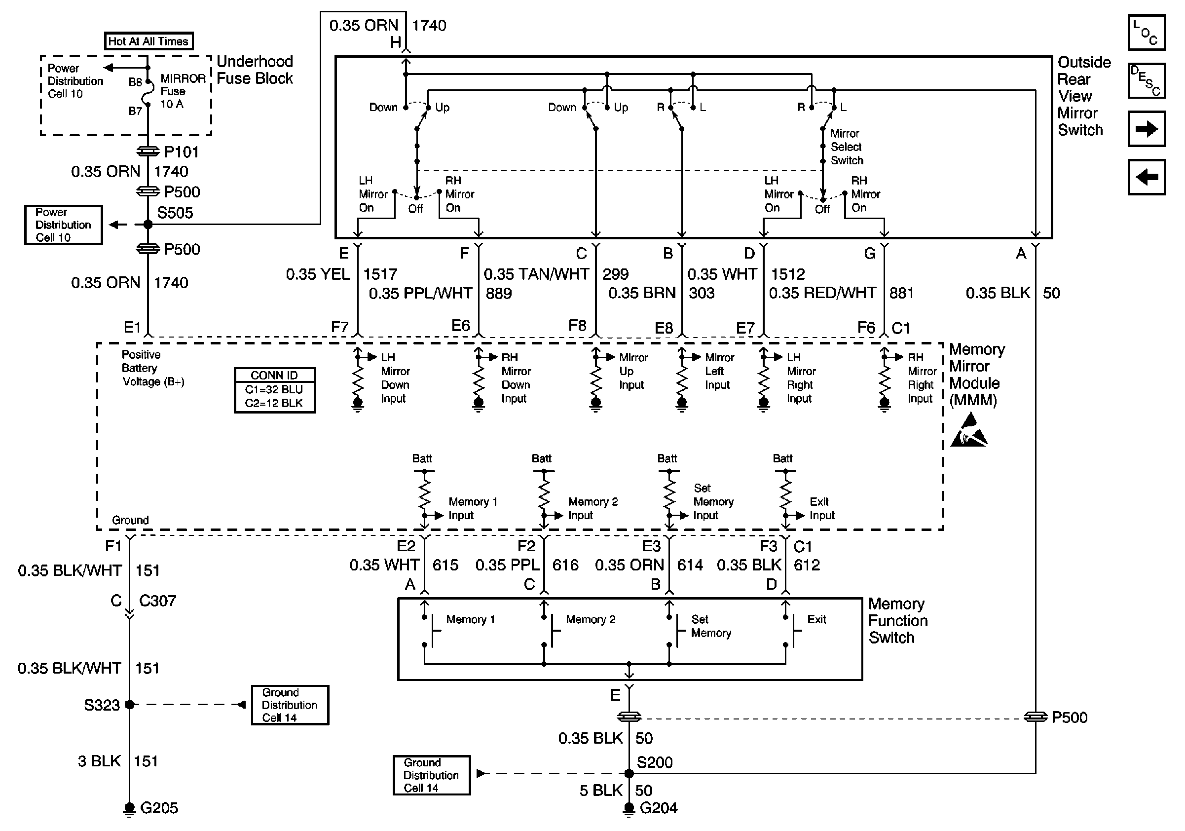
Figure 3:

Cell 147: Power Mirror Switch, Deville with Memory Mirrors


Object Number: 317394  Size: FS
Power Door Systems Components
Outside Mirrors Circuit Description
Cell 147: Outside Power Mirrors, Deville with Memory Mirrors
Cell 147: Outside Power Mirror, Eldorado Without Memory Mirrors
Handling ESD Sensitive Parts Notice
Cell 14: G205
Cell 10: MIRROR, FOG, and DRL Fuses
Cell 10: MIRROR, FOG, and DRL Fuses
Cell 14: G204
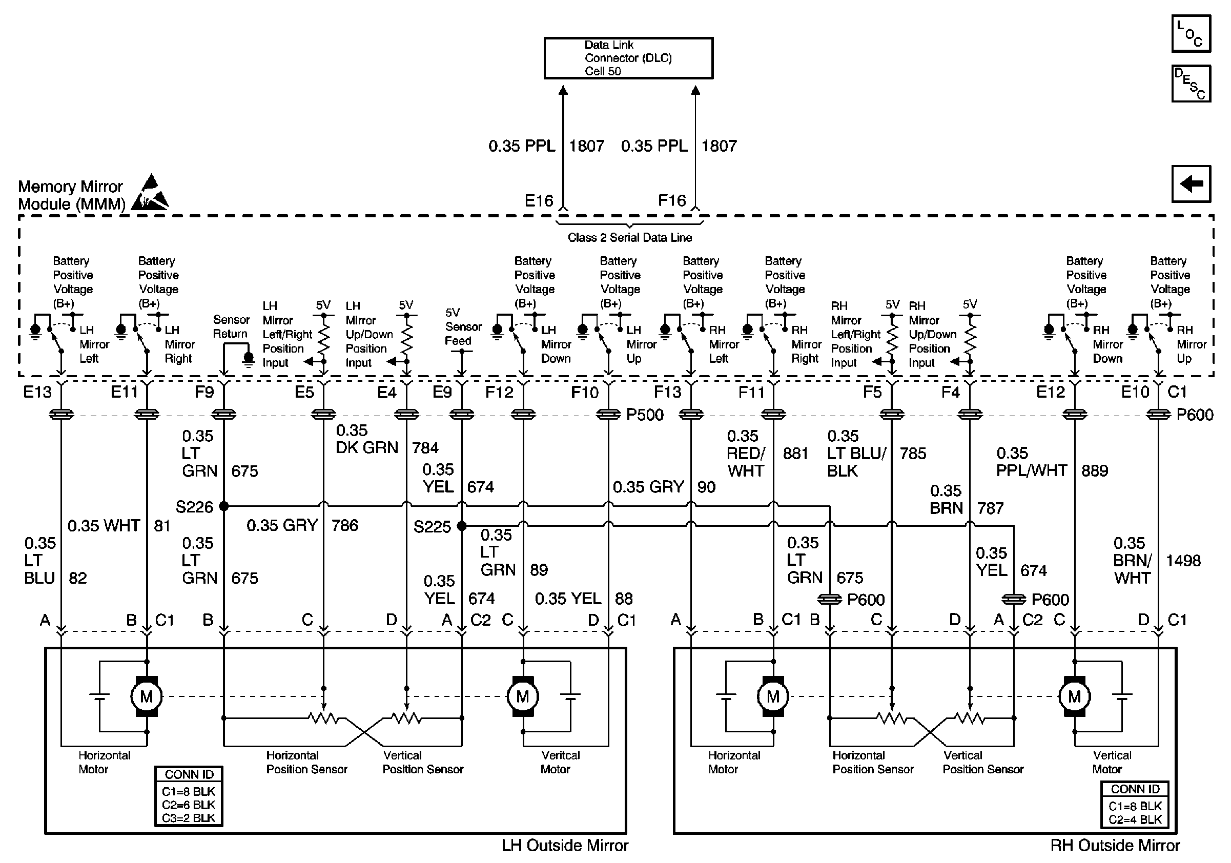
Figure 4:

Cell 147: Outside Power Mirrors, Deville with Memory Mirrors


Object Number: 317396  Size: FS
Power Door Systems Components
Outside Mirrors Circuit Description
Cell 147: Power Mirror Switch, Eldorado with Memory Mirrors
Cell 147: Power Mirror Switch, Deville with Memory Mirrors
Cell 50: Class 2
Handling ESD Sensitive Parts Notice
Figure 5:

Cell 147: Power Mirror Switch, Eldorado with Memory Mirrors


Object Number: 317397  Size: FS
Power Door Systems Components
Outside Mirrors Circuit Description
Cell 147: Outside Power Mirrors, Eldorado with Memory Mirrors
Cell 147: Outside Power Mirrors, Deville with Memory Mirrors
Handling ESD Sensitive Parts Notice
Cell 14: G205
Cell 14: G204
Cell 10: MIRROR, FOG, and DRL Fuses
Cell 10: MIRROR, FOG, and DRL Fuses
Figure 6:

Cell 147: Outside Power Mirrors, Eldorado with Memory Mirrors


Object Number: 317412  Size: FS
Power Door Systems Components
Outside Mirrors Circuit Description
Cell 147: Power Mirror Switch, Eldorado with Memory Mirrors
Cell 50: Class 2
Handling ESD Sensitive Parts Notice