GM Service Manual Online
For 1990-2009 cars only

Lumbar Support Schematics AL2

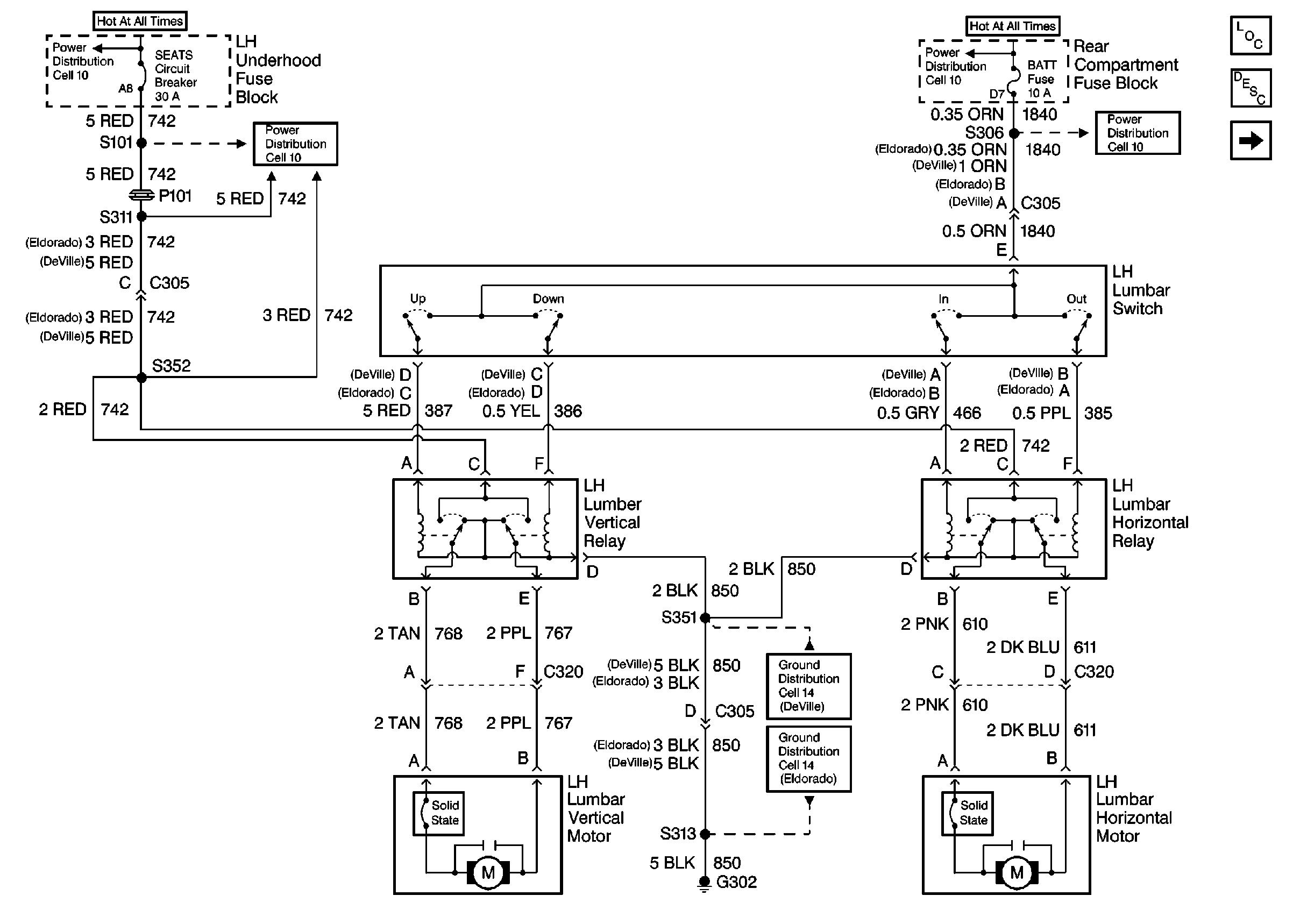
Cell 142: LH Power Lumbar (AL2 without A45)


Object Number: 318349  Size: FS
Power Seat Systems Components
Power Lumbar Circuit Description
Cell 142: RH Power Lumbar (AL2 without A45)
Power Distribution Schematics
Power Distribution Schematics
Power Distribution Schematics
Power Distribution Schematics
Ground Distribution Schematics
Ground Distribution Schematics

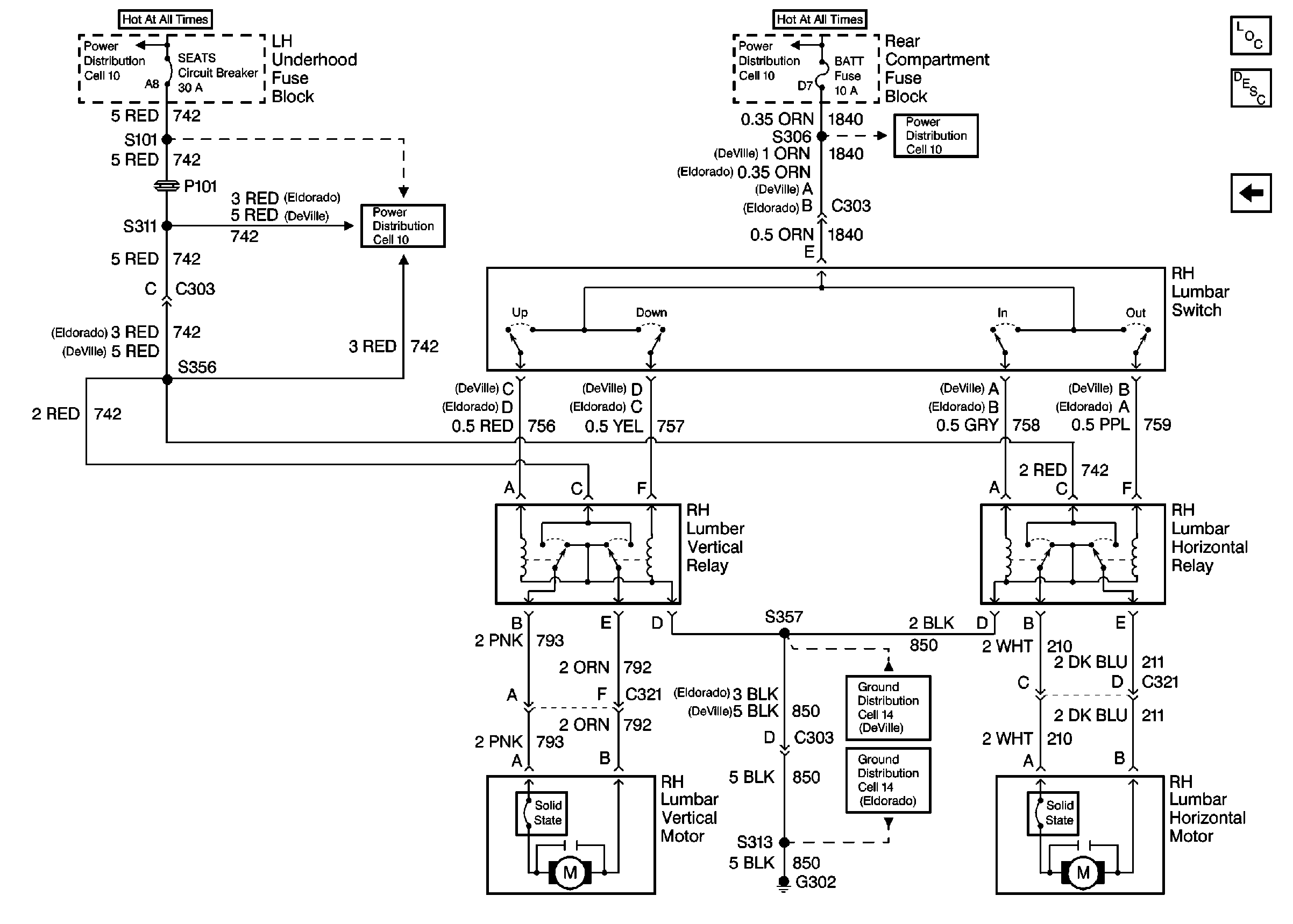
Cell 142: RH Power Lumbar (AL2 without A45)


Object Number: 318350  Size: FS
Power Seat Systems Components
Power Lumbar Circuit Description
Cell 142: LH Power Lumbar (AL2 without A45)
Power Distribution Schematics
Power Distribution Schematics
Power Distribution Schematics
Power Distribution Schematics
Ground Distribution Schematics
Ground Distribution Schematics

Lumbar Support Schematics A45

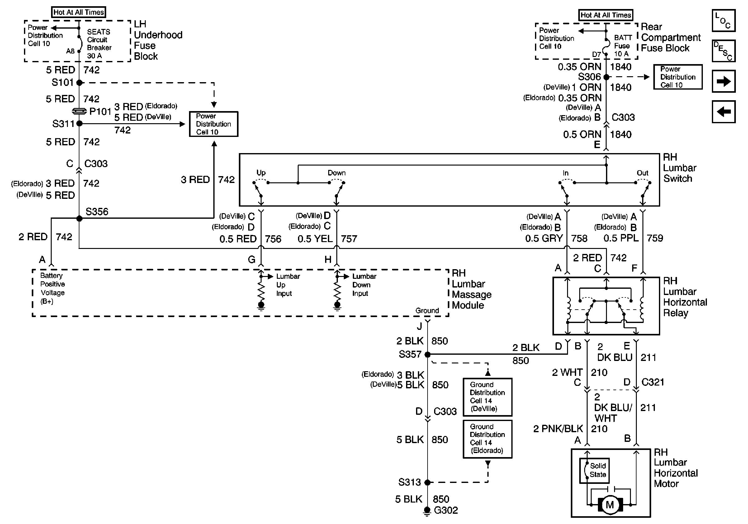
Cell 142: LH Power Lumbar (AL2 with A45)


Object Number: 318352  Size: FS
Power Seat Systems Components
Power Lumbar Circuit Description
Handling ESD Sensitive Parts Notice
Power Seat Connector End Views
Memory Seats Schematics
Ground Distribution Schematics
Memory Seats Schematics
Handling ESD Sensitive Parts Notice

Lumbar Support Schematics AM3

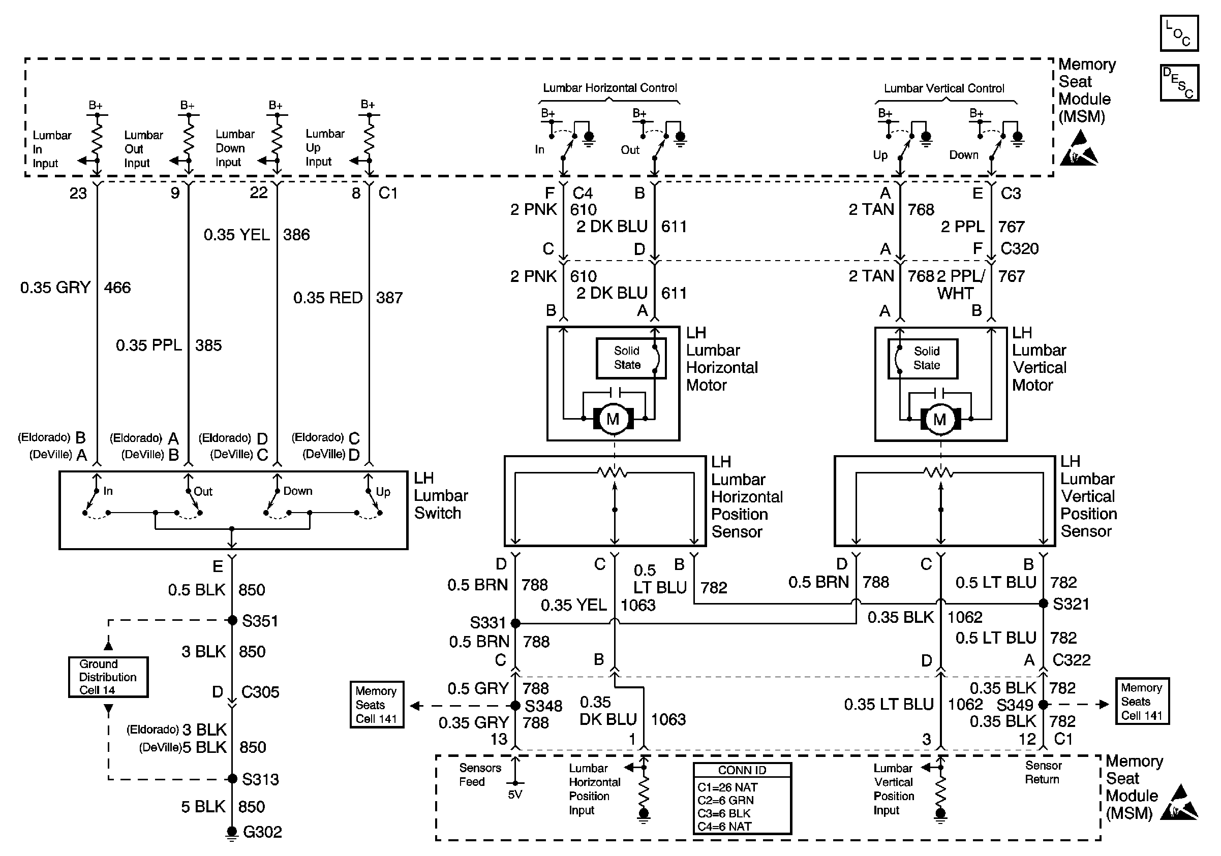
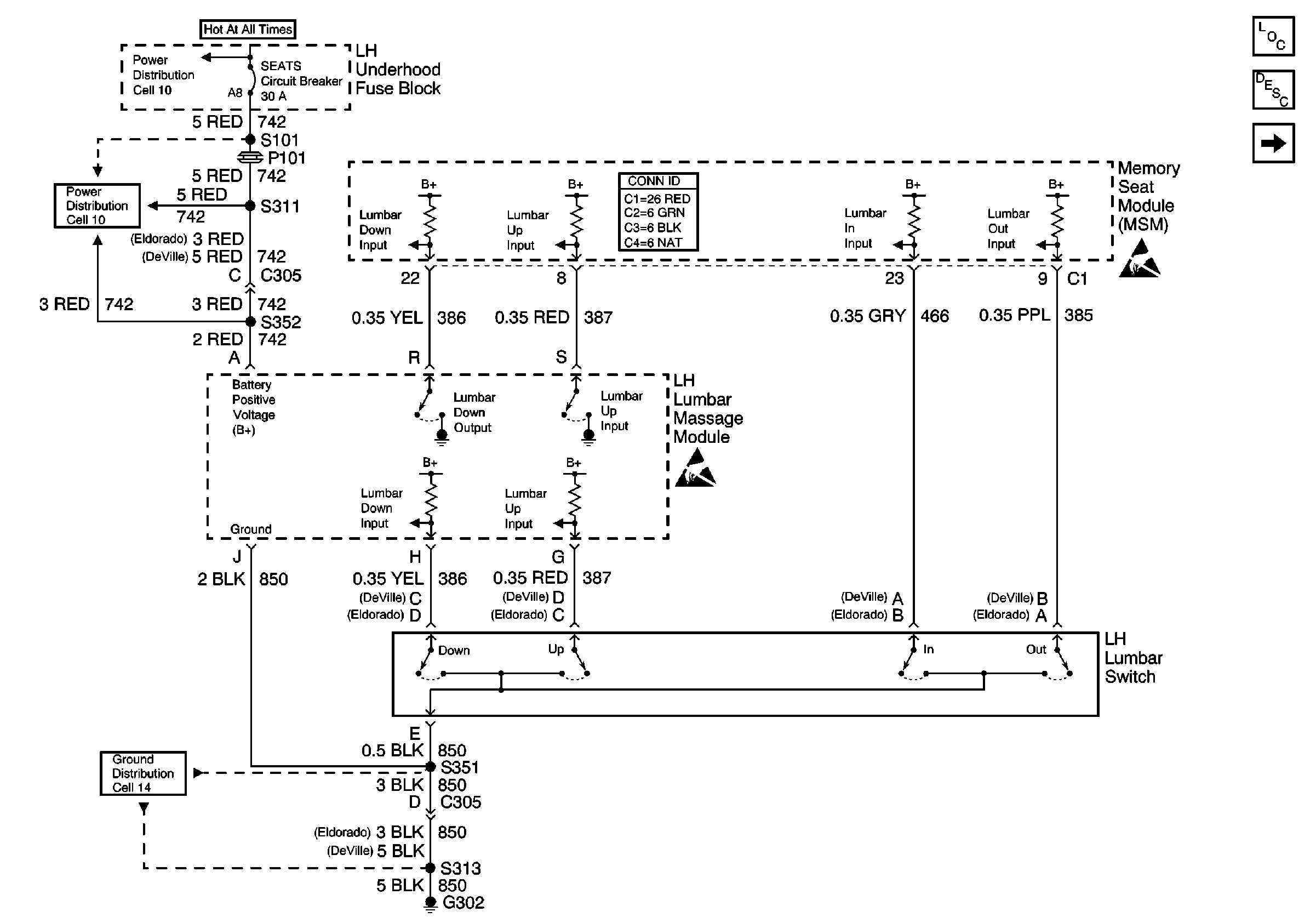
Cell 142: LH Lumbar Switch and Lumbar Massage Module


Object Number: 413961  Size: FS
Power Seat Systems Components
Power Lumbar Circuit Description
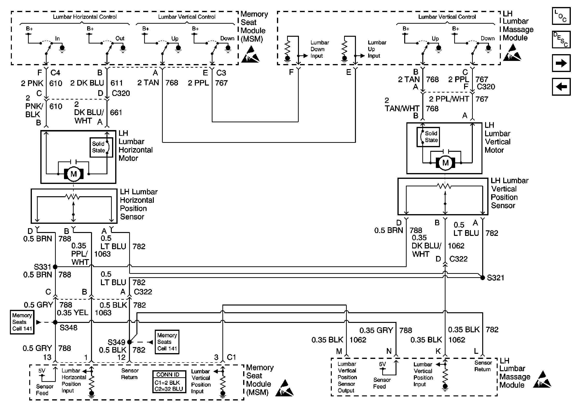
Cell 142: Lumbar Horizontal, and Lumbar Vertical Position Sensors AND MOTOrs
Power Seat Connector End Views
Power Distribution Schematics
Power Distribution Schematics
Ground Distribution Schematics
Handling ESD Sensitive Parts Notice
Handling ESD Sensitive Parts Notice

Cell 142: Lumbar Horizontal, and Lumbar Vertical Position Sensors and Motors


Object Number: 413963  Size: FS
Power Seat Systems Components
Power Lumbar Circuit Description
Cell 142: RH Lumbar Switch and Lumbar Massage Module
Cell 142: LH Lumbar Switch and Lumbar Massage Module
Memory Seats Schematics
Memory Seats Schematics
Power Seat Connector End Views
Handling ESD Sensitive Parts Notice
Handling ESD Sensitive Parts Notice
Handling ESD Sensitive Parts Notice
Handling ESD Sensitive Parts Notice

Cell 142: RH Lumbar Switch and Lumbar Massage Module


Object Number: 413965  Size: FS
Power Seat Systems Components
Power Lumbar Circuit Description
Cell 142: Lumbar Horizontal, and Lumbar Vertical Position Sensor and Motor
Cell 142: Lumbar Horizontal, and Lumbar Vertical Position Sensors AND MOTOrs
Power Distribution Schematics
Power Distribution Schematics
Power Distribution Schematics
Power Distribution Schematics
Ground Distribution Schematics
Ground Distribution Schematics

Cell 142: Lumbar Horizontal, and Lumbar Vertical Position Sensor and Motor


Object Number: 413968  Size: FS
Power Seat Systems Components
Power Lumbar Circuit Description
Cell 142: RH Lumbar Switch and Lumbar Massage Module
Handling ESD Sensitive Parts Notice
Handling ESD Sensitive Parts Notice