GM Service Manual Online
For 1990-2009 cars only
Makes
🢒
Cadillac
🢒
1999
🢒
Eldorado
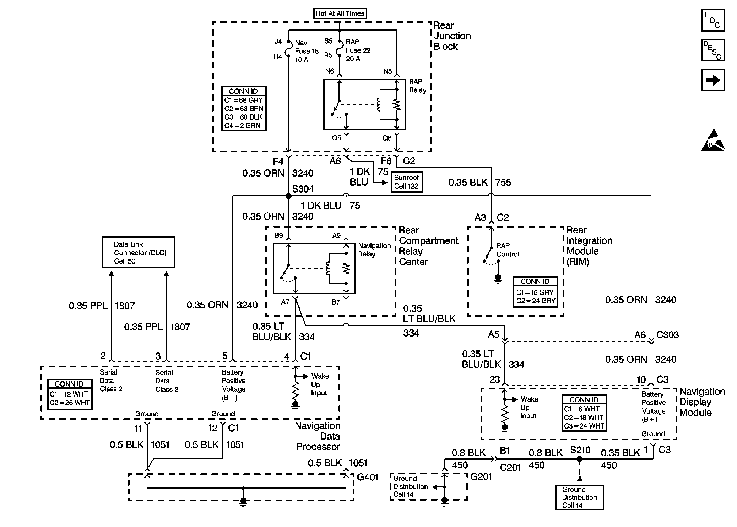
🢒 Cell 85: PWR and GRD
Cell 85: PWR and GRD
Cell 85: PWR and GRD
Navigation System Components 98
Cell 85: Gateway Communication and Video Jacks
Instrument Panel, Gages, and Console Connector End Views
Sunroof Schematics
Instrument Panel, Gages, and Console Connector End Views
Navigation System Connector End Views
Navigation System Connector End Views
Ground Distribution Schematics
Ground Distribution Schematics
Handling ESD Sensitive Parts Notice