GM Service Manual Online
For 1990-2009 cars only
Makes
🢒
Cadillac
🢒
1999
🢒
Eldorado
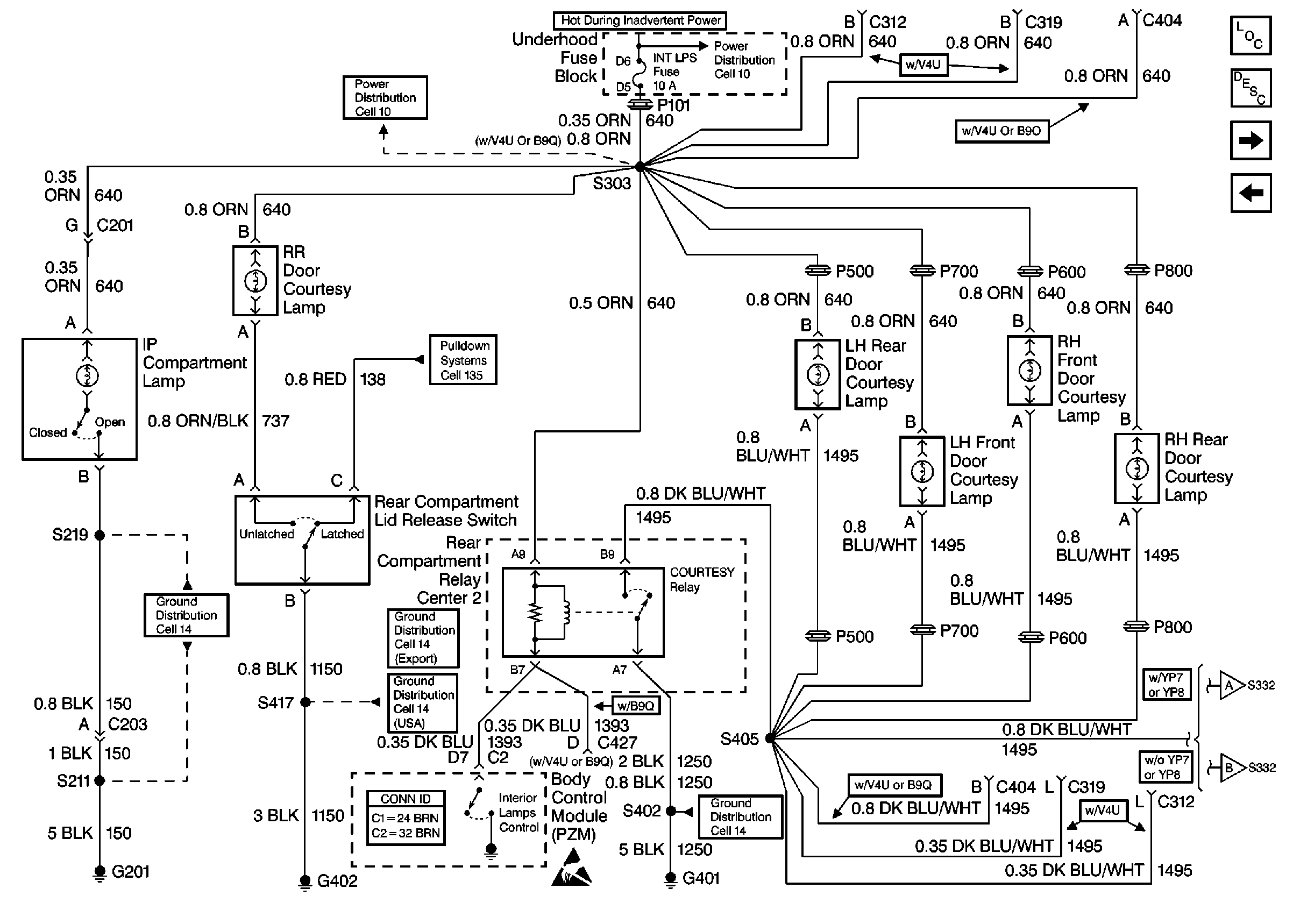
🢒 Cell 114: Door Courtesy, IP Compartment, and Rear Compartment Lamps
Cell 114: Door Courtesy, IP Compartment, and Rear Compartment Lamps
Cell 114: Door Courtesy, IP Compartment, and Rear Compartment Lamps
Lighting Systems Components
Interior Lights Circuit Description
Cell 114: Courtesy/Reading Lamps
Cell 114: Inputs
Power Distribution Schematics
Power Distribution Schematics
Handling ESD Sensitive Parts Notice
Cell 135
Ground Distribution Schematics
Ground Distribution Schematics
Ground Distribution Schematics
Ground Distribution Schematics
Cell 114: Courtesy/Reading Lamps (w/YP7 or YP8)
Cell 114: Courtesy/Reading Lamps
Body Control System Connector End Views