GM Service Manual Online
For 1990-2009 cars only
Makes
🢒
Cadillac
🢒
1999
🢒
Eldorado
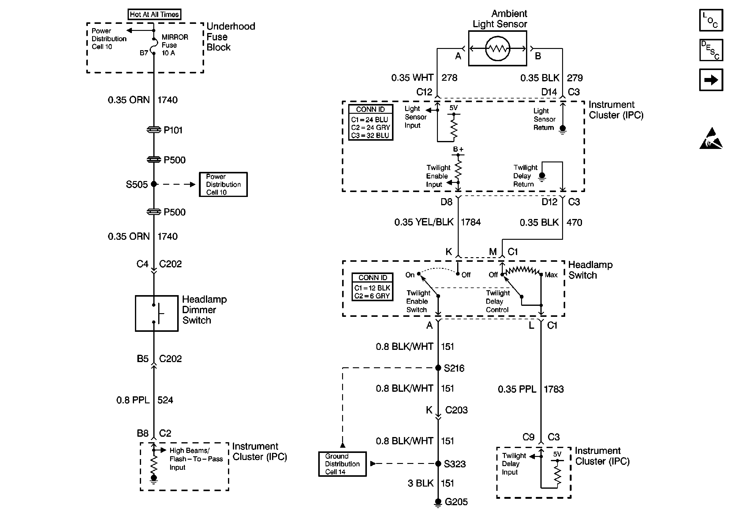
🢒 Cell 100: Headlamp Dimmer Switch, Ambient Light Sensor, and Twilight Sentinel
Cell 100: Headlamp Dimmer Switch, Ambient Light Sensor, and Twilight Sentinel
Cell 100: Headlamp Dimmer Switch, Ambient Light Sensor, and Twilight Sentinel
Lighting Systems Components
Headlights Circuit Description
Cell 100: Headlamp Switch and Headlamp Control
Handling ESD Sensitive Parts Notice
Instrument Panel, Gages, and Console Connector End Views
Lighting Systems Connector End Views
Power Distribution Schematics
Ground Distribution Schematics
Power Distribution Schematics