GM Service Manual Online
For 1990-2009 cars only
Makes
🢒
Cadillac
🢒
1999
🢒
Eldorado
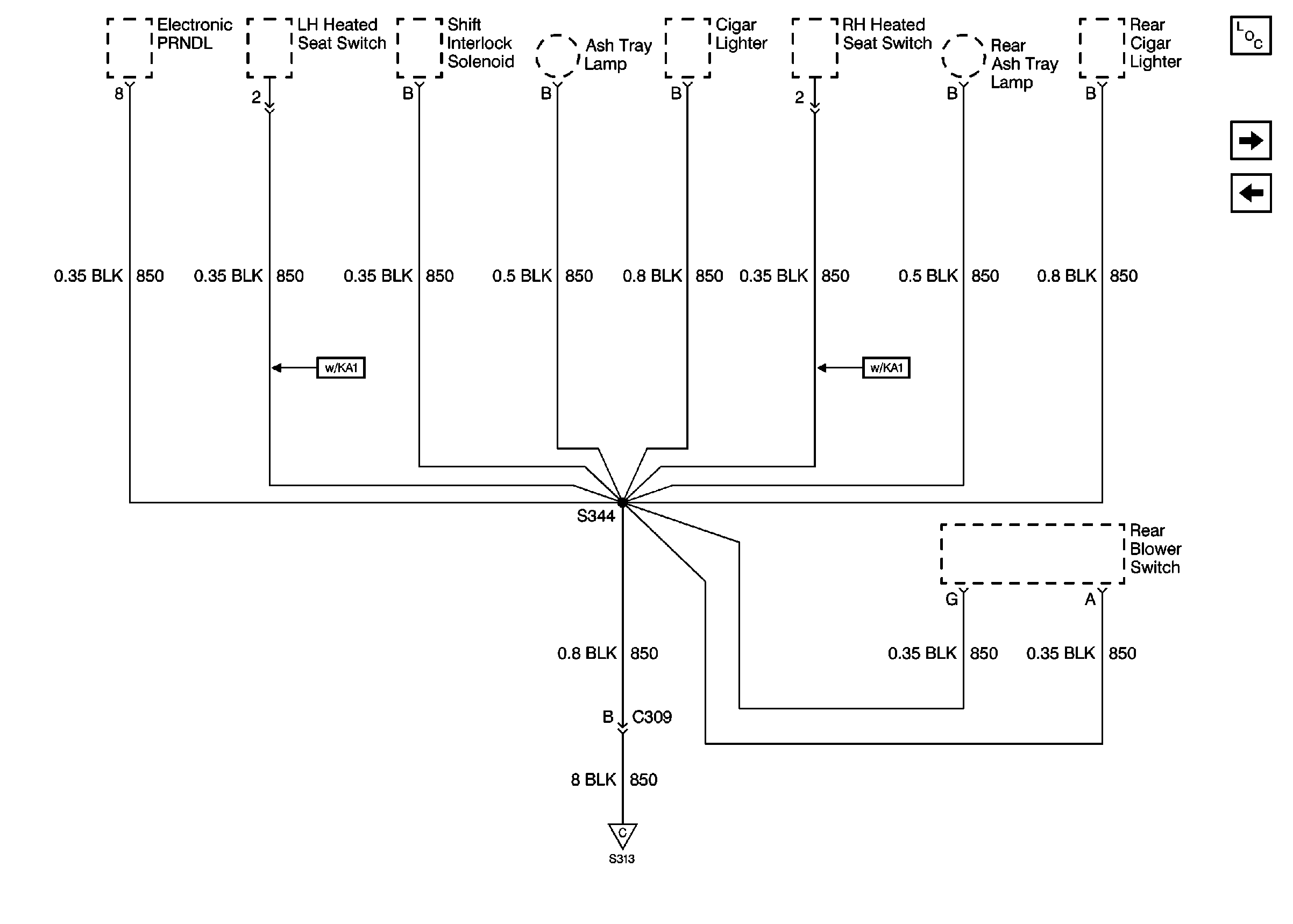
🢒 Cell 14: G302 (Eldorado 2 of 2)
Cell 14: G302 (Eldorado 2 of 2)
Cell 14: G302 (Eldorado 2 of 2)
Power and Grounding Components
Cell 14: G302 (DeVille 1 of 2)
Cell 14: G302 (Eldorado 1 of 2)
Handling ESD Sensitive Parts Notice
Cell 14: G302 (Eldorado 1 of 2)