GM Service Manual Online
For 1990-2009 cars only
Makes
🢒
Cadillac
🢒
1999
🢒
Eldorado
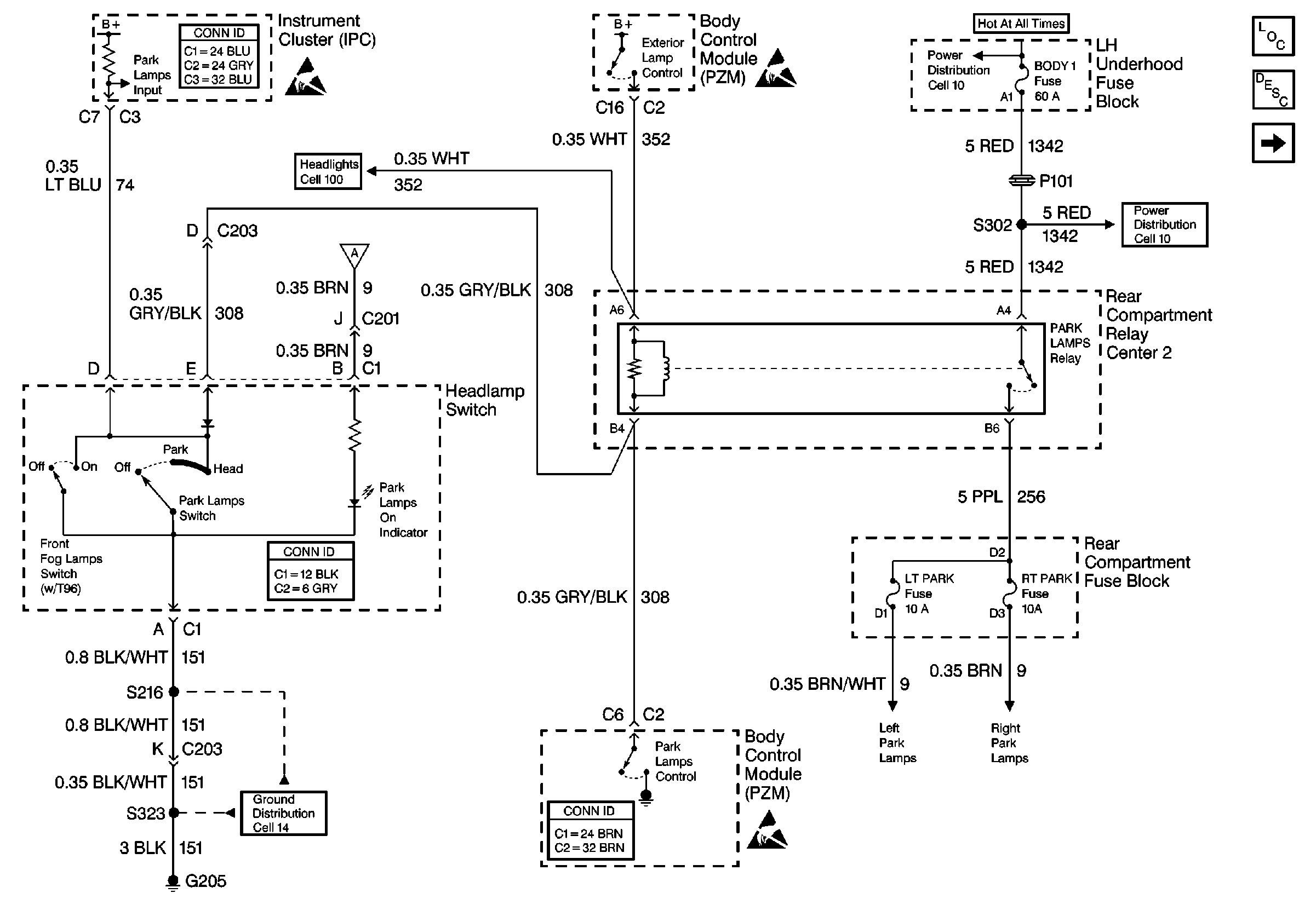
🢒 Cell 110: Headlamp Switch and Park Lamp Control
Cell 110: Headlamp Switch and Park Lamp Control
Cell 110: Headlamp Switch and Park Lamp Control
Lighting Systems Components
Exterior Lights Circuit Description
Cell 110: LH Park Lamps
Instrument Panel, Gages, and Console Connector End Views
Handling ESD Sensitive Parts Notice
Handling ESD Sensitive Parts Notice
Power Distribution Schematics
Power Distribution Schematics
Cell 100: Headlamp Switch and Headlamp Control
Cell 110: RH Park Lamps
Ground Distribution Schematics
Cell 110: LH Park Lamps
Cell 110: RH Park Lamps
Body Control System Connector End Views
Lighting Systems Connector End Views
Handling ESD Sensitive Parts Notice