GM Service Manual Online
For 1990-2009 cars only
Makes
🢒
Cadillac
🢒
2000
🢒
Eldorado
🢒
Body and Accessories
🢒
Doors
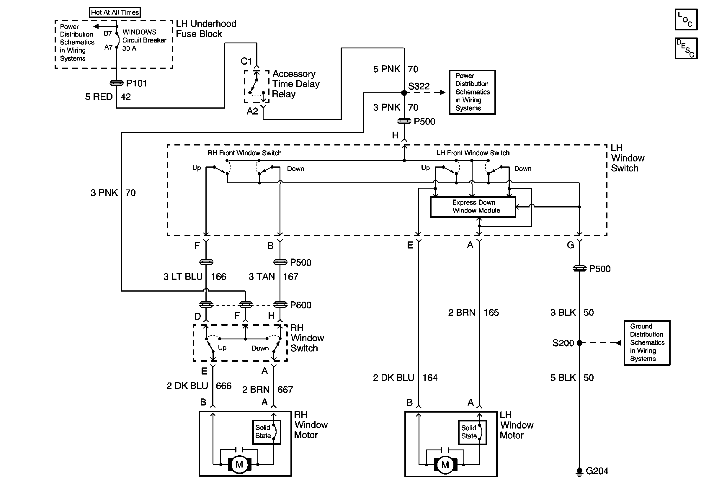
🢒 Power Window Schematics
Power Windows
Power Door Systems Components
Power Windows Circuit Description
WINDOWS Circuit Breaker
WINDOWS Circuit Breaker
G204