GM Service Manual Online
For 1990-2009 cars only
Makes
🢒
Cadillac
🢒
2000
🢒
Eldorado
🢒
Body and Accessories
🢒
Seats
🢒 Heated Seats Schematics
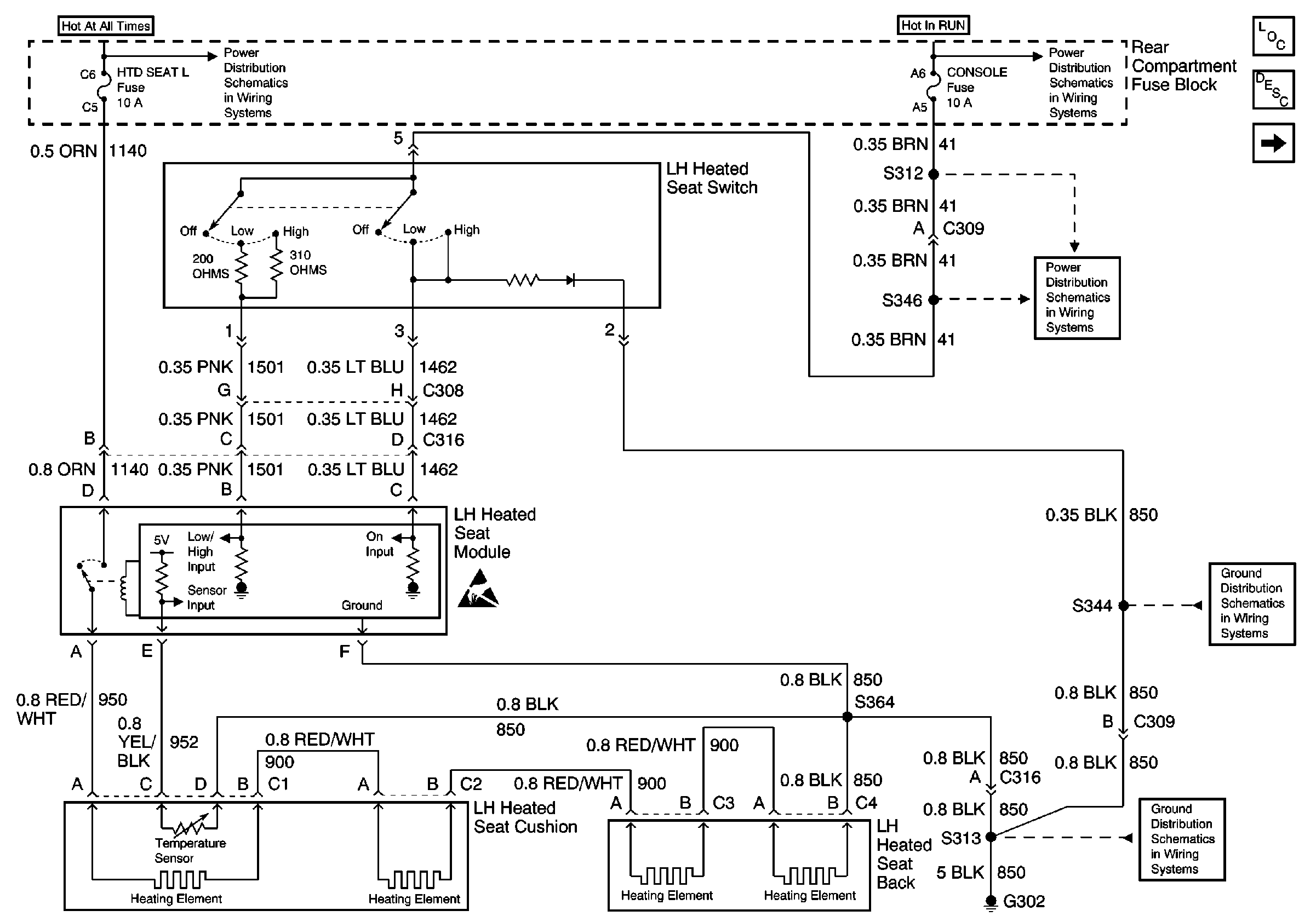
Left Heated Seat
Power Seat Systems Components
Heated Seats Circuit Description
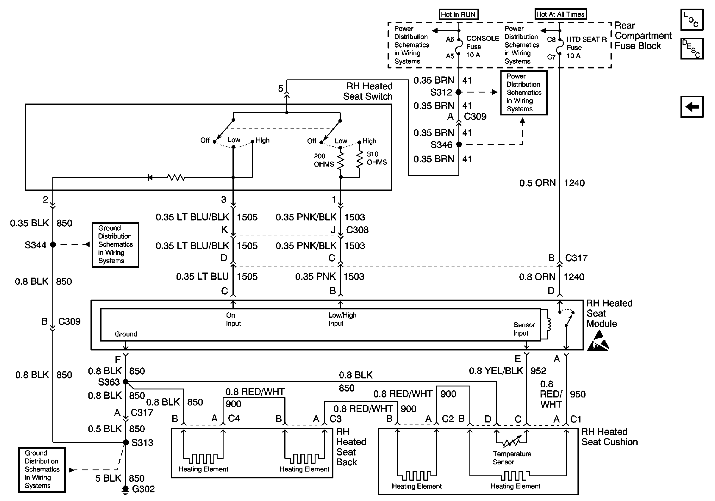
Right Heated Seat
PULLDOWN, HTD SEAT R, and HTD SEAT L Fuses
CONSOLE Fuse
CONSOLE Fuse
Handling ESD Sensitive Parts Notice
G302 (1 of 2)
G302 (1 of 2)
Right Heated Seat
Power Seat Systems Components
Heated Seats Circuit Description
Left Heated Seat
CONSOLE Fuse
PULLDOWN, HTD SEAT R, and HTD SEAT L Fuses
CONSOLE Fuse
G302 (1 of 2)
G302 (1 of 2)
Handling ESD Sensitive Parts Notice