GM Service Manual Online
For 1990-2009 cars only
Makes
🢒
Cadillac
🢒
2000
🢒
Eldorado
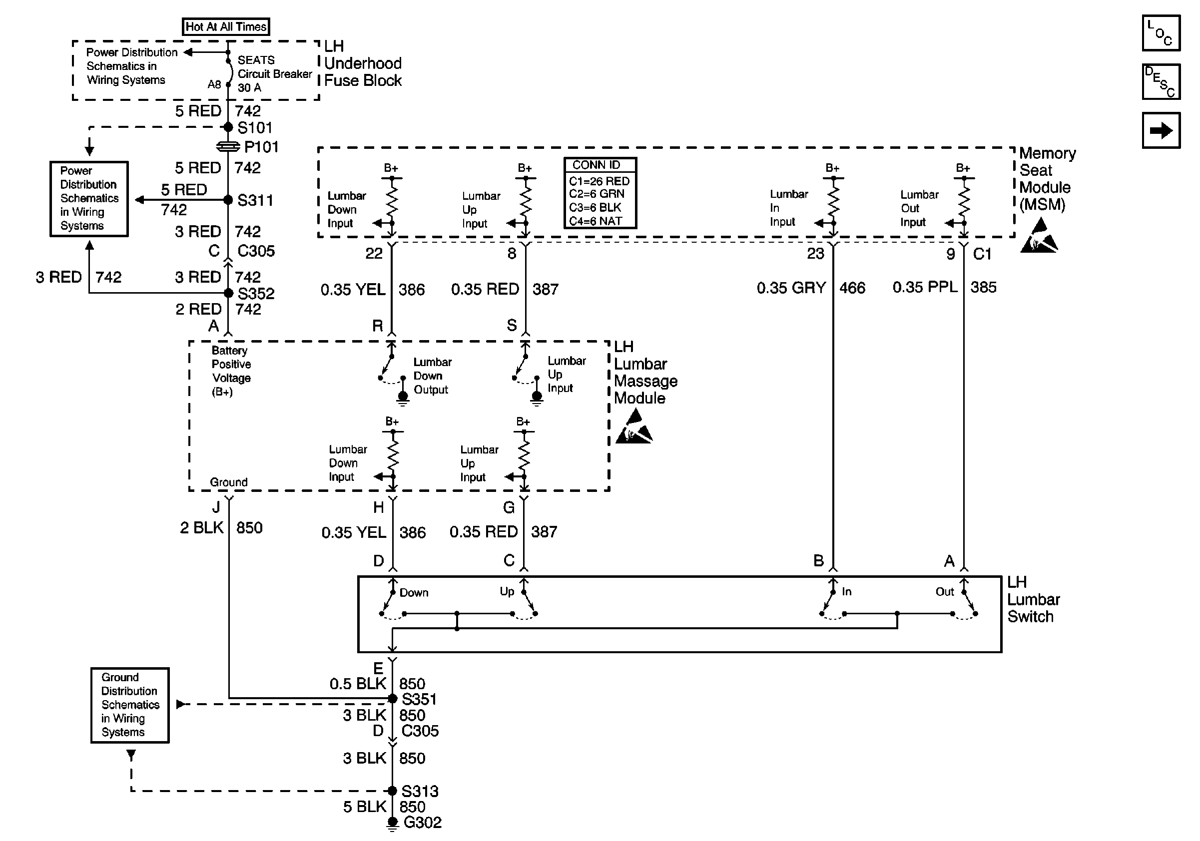
🢒 Left Lumbar Massage Module
Left Lumbar Massage Module
Left Lumbar Switch and Lumbar Massage Module
Power Seat Systems Components
Power Lumbar Circuit Description
Left Lumbar Massage Motors and Sensors
Power Seat Connector End Views
SEATS Circuit Breaker
SEATS Circuit Breaker
G302 (1 of 2)
Handling ESD Sensitive Parts Notice
Handling ESD Sensitive Parts Notice