GM Service Manual Online
For 1990-2009 cars only
Makes
🢒
Cadillac
🢒
2000
🢒
Eldorado
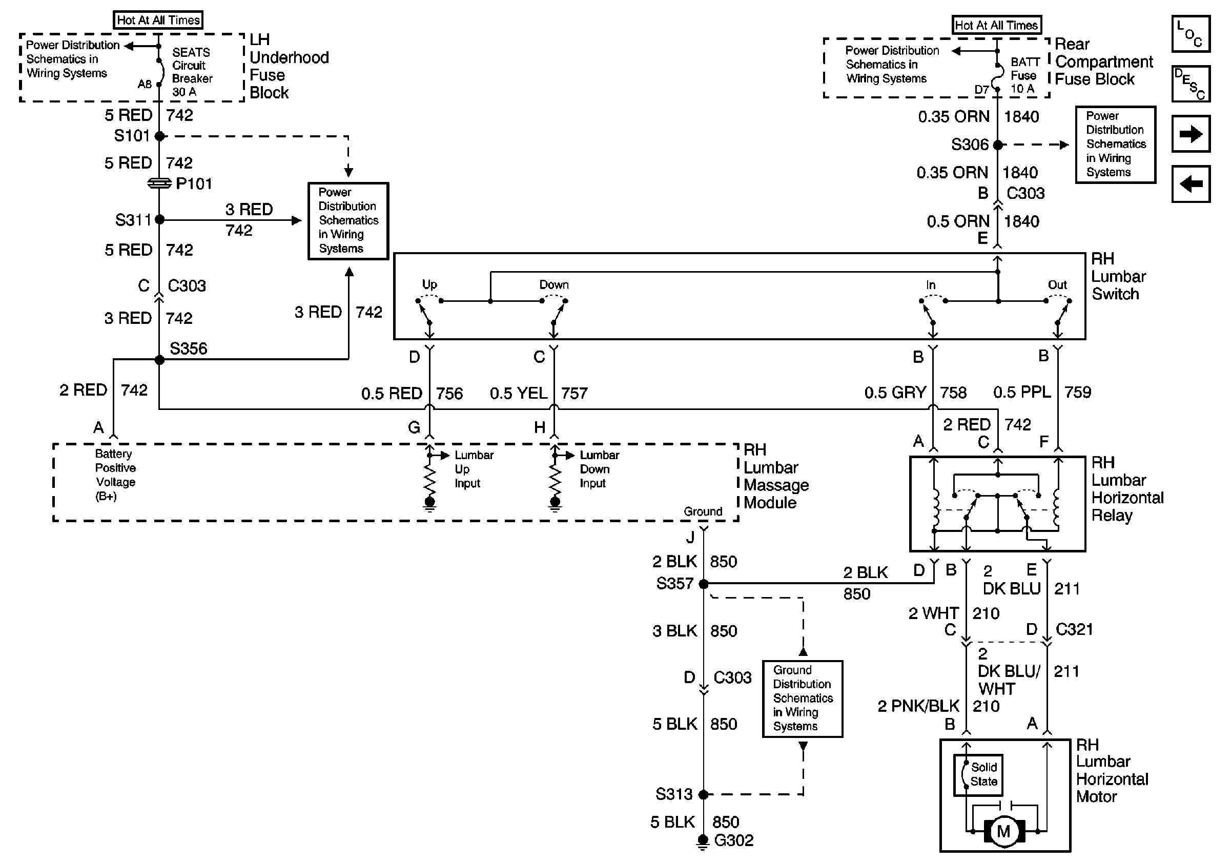
🢒 Right Lumbar Massage Module
Right Lumbar Massage Module
Right Lumbar Switch and Lumbar Massage Module
Power Seat Systems Components
Power Lumbar Circuit Description
Right Lumbar Massage Motors and Sensors
Left Lumbar Massage Motors and Sensors
SEATS Circuit Breaker
BATT Fuse
SEATS Circuit Breaker
BATT Fuse
G302 (1 of 2)