GM Service Manual Online
For 1990-2009 cars only
Makes
🢒
Cadillac
🢒
2000
🢒
Eldorado
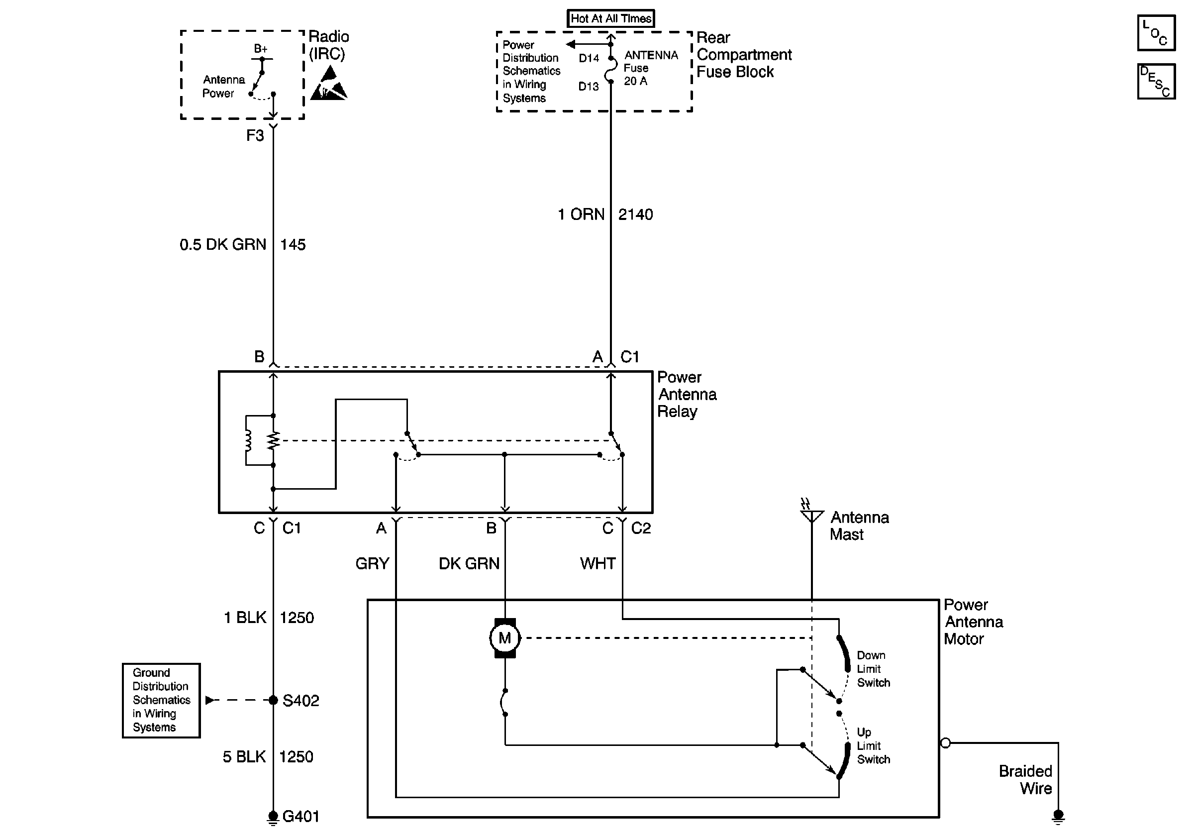
🢒 Power Antenna Relay
Power Antenna Relay
Power Antenna Relay
Handling ESD Sensitive Parts Notice
ANTENNA, RSS, HTD MIR, and HTD BACKLT Fuses
Entertainment Components
Power Antenna System Circuit Description
G401 (1 of 2)