GM Service Manual Online
For 1990-2009 cars only

Refer to

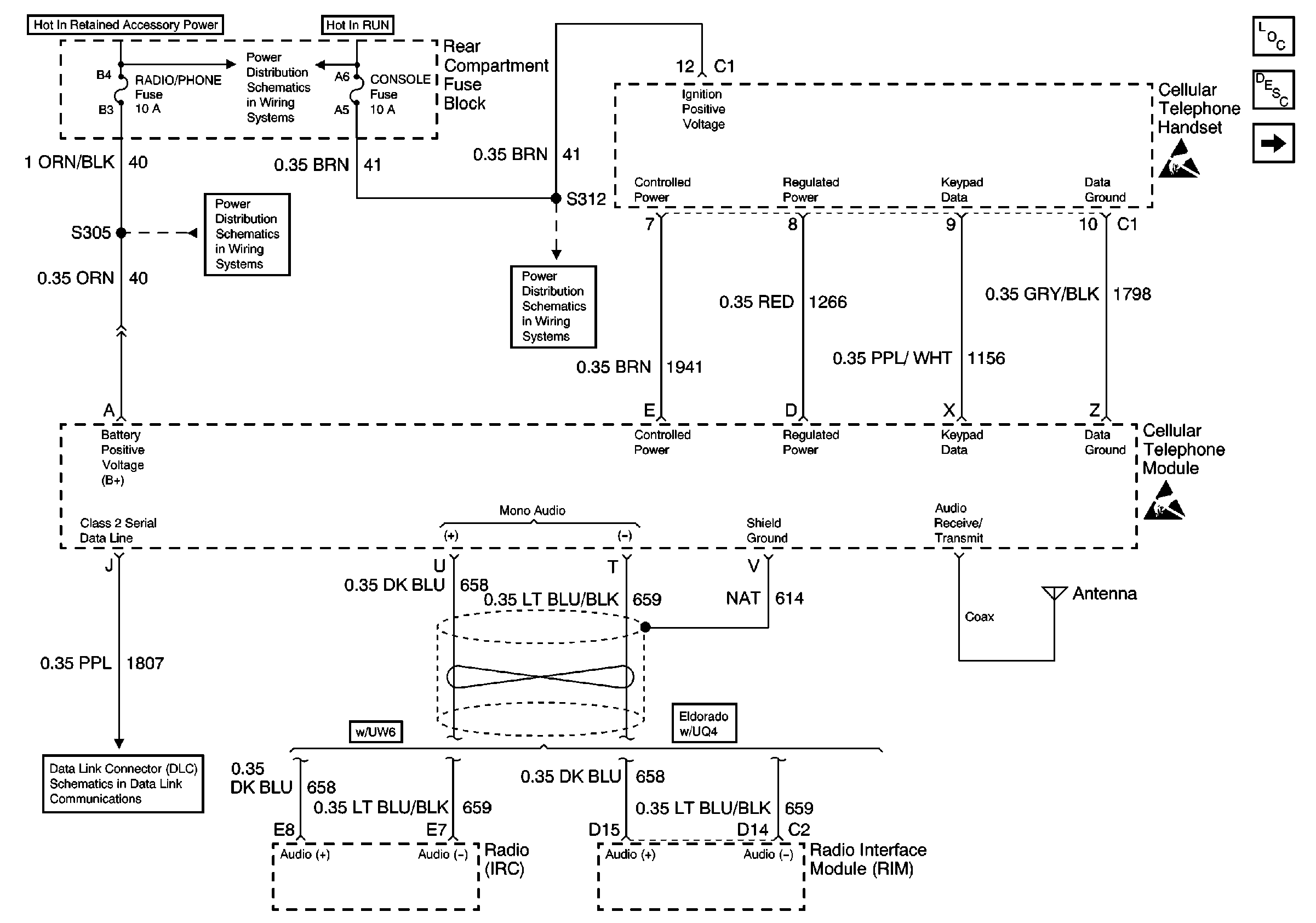
Cellular Telephone Module (w/UV8)


Object Number: 586191  Size: FS
RADIO/PHONE Fuse
CONSOLE Fuse
RADIO/PHONE Fuse
CONSOLE Fuse
Class 2 (2 of 2)
Cellular Communication Components
Cellular Telephone Circuit Description
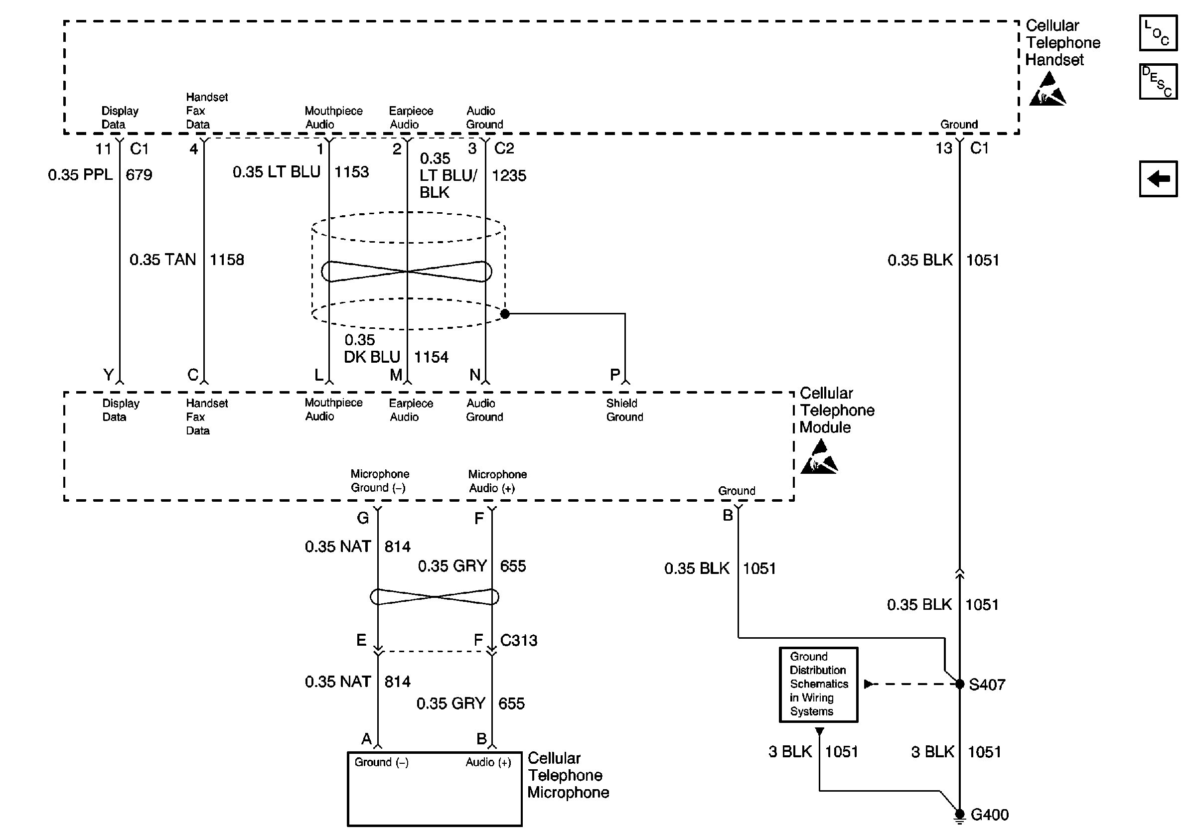
Cellular Telephone Microphone (w/UV8)
Handling ESD Sensitive Parts Notice
Handling ESD Sensitive Parts Notice
and

Cellular Telephone Microphone (w/UV8)


Object Number: 586196  Size: FS
Handling ESD Sensitive Parts Notice
Cellular Communication Components
Cellular Telephone Circuit Description
Cellular Telephone Module (w/UV8)
Handling ESD Sensitive Parts Notice
G400
.

Circuit Description

The module monitors the voltage level available for system operation. A low voltage condition prevents the system from operating properly.

Conditions for Setting the DTC

The battery positive voltage (B+) is less than 10.5 volts.

Action Taken When the DTC Sets

The module disables the loss of class 2 communication DTCs U1000 through U1301.

Conditions for Clearing the DTC

    • The condition for the DTC is no longer present (the DTC is not current) and you used the scan tool Clear DTC function.
    • The condition for the DTC is no longer present (the DTC is not current) and you used the On-Board Diagnostics Clear DTC function.
    • The module automatically clears the history DTC when a current DTC is not detected in 50 consecutive drive cycles.

Diagnostic Aids

Possible causes of this DTC are the following conditions:

    • A charging system malfunction
    • An excessive battery draw
    • A weak battery
    • A faulty system ground

Test Description

The numbers below refer to the step numbers on the diagnostic table.

  1. This step uses the scan tool to inspect the voltage to the body control module (PZM). A low voltage value in several modules indicates a concern in the charging system.

  2. This step verifies that the condition is still present.

Step

Action

Value(s)

Yes

No

1

Did you perform Diagnostic System Check - Cellular Telephone ?

--

Go to Step 2

Go to Diagnostic System Check - Cellular Telephone

2

With the scan tool, observe the Battery Voltage parameter in the Body Control Module data list.

Does the scan tool indicate the voltage is greater than the specified value?

10.5 V

Go to Step 3

Go to Diagnostic System Check - Engine Electrical in Engine Electrical

3

  1. Turn OFF the ignition.
  2. Disconnect the cellular telephone module connector.
  3. Test the battery positive voltage circuit and the the ground circuit of the cellular telephone module for a high resistance or an open. Refer to Circuit Testing and Wiring Repairs in Wiring Systems.

Did you find and correct the condition?

--

Go to Step 7

Go to Step 4

4

  1. Reconnect the cellular telephone module connector.
  2. Turn ON the ignition, with the engine OFF.
  3. Use the scan tool in order to clear the DTCs.
  4. Operate the vehicle within the Conditions for Running the DTC as specified in the supporting text.

Does the DTC reset?

--

Go to Step 5

Go to Diagnostic Aids

5

Inspect the cellular telephone module connector for poor connections. Refer to Testing for Intermittent Conditions and Poor Connections and Connector Repairs in Wiring Systems.

Did you find and correct the condition?

--

Go to Step 7

Go to Step 6

6

Replace the cellular telephone module. Refer to Radio Frequency Booster and Bracket Assembly Replacement .

Did you complete the replacement?

--

Go to Step 7

--

7

  1. Use the scan tool in order to clear the DTCs.
  2. Operate the vehicle within the Conditions for Running the DTC as specified in the supporting text.

Does the DTC reset?

--

Go to Step 2

System OK