GM Service Manual Online
For 1990-2009 cars only
Makes
🢒
Cadillac
🢒
2001
🢒
Eldorado
🢒
Suspension
🢒
Automatic Level Control
🢒 Automatic Level Control Schematics
Figure
1:
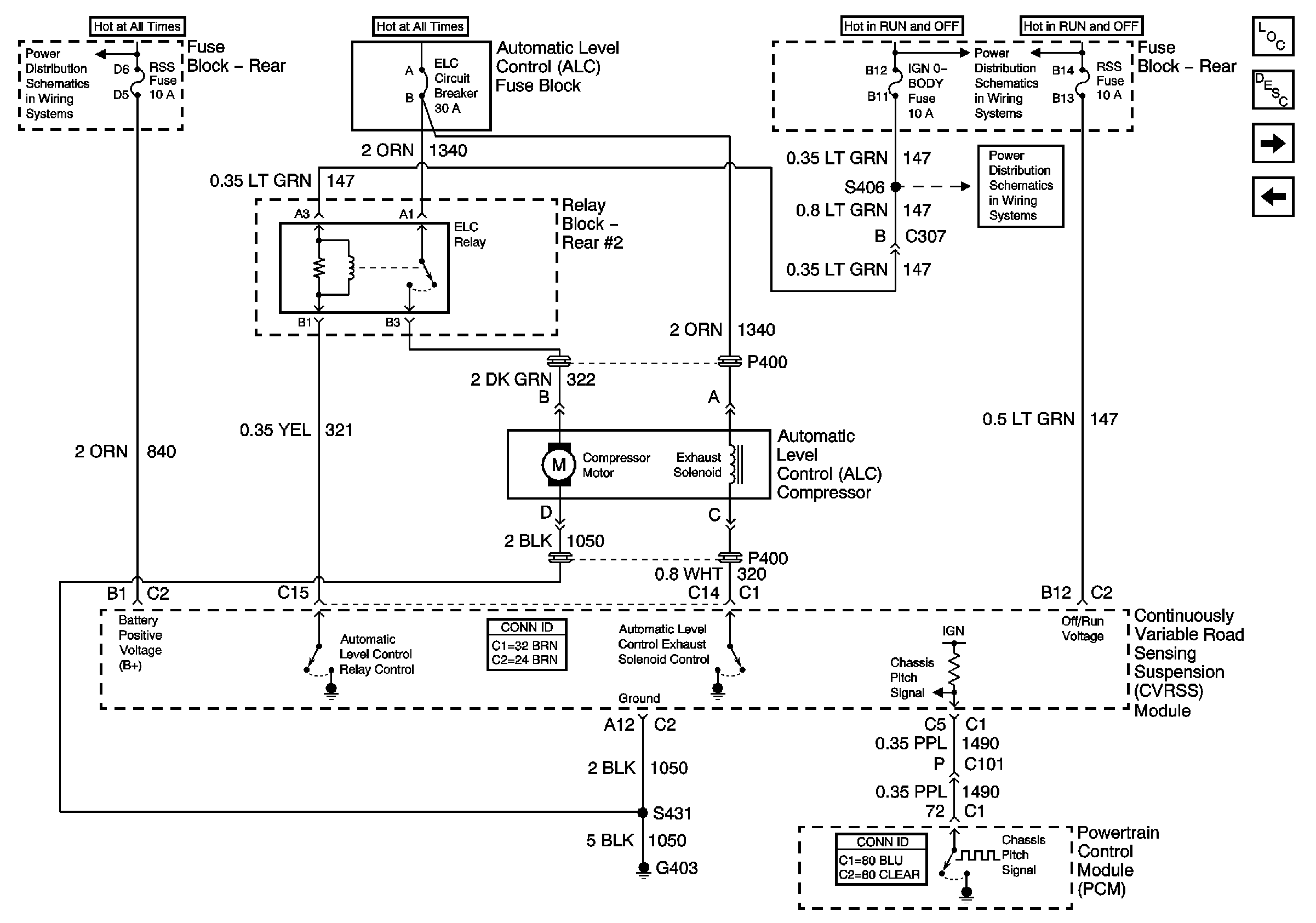
Compressor (w/o F45)
Master Electrical Component List
Compressor (w/F45)
BATT 3 and Ignition Switch (1 of 2)
Figure
2:
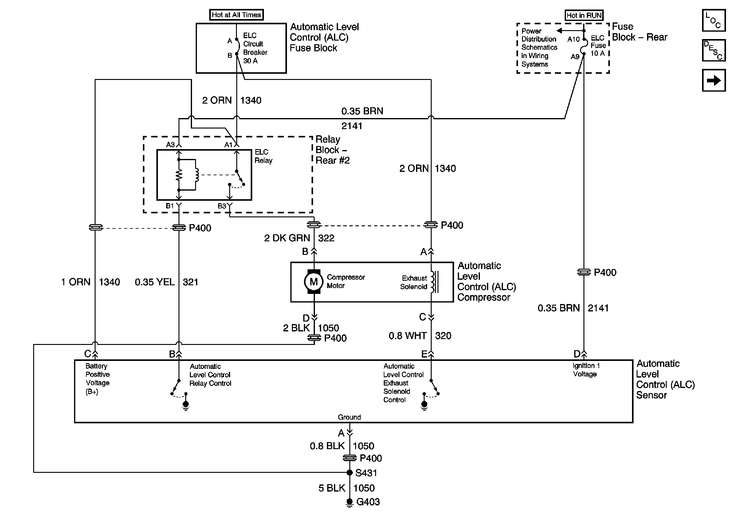
Compressor (w/F45)
Master Electrical Component List
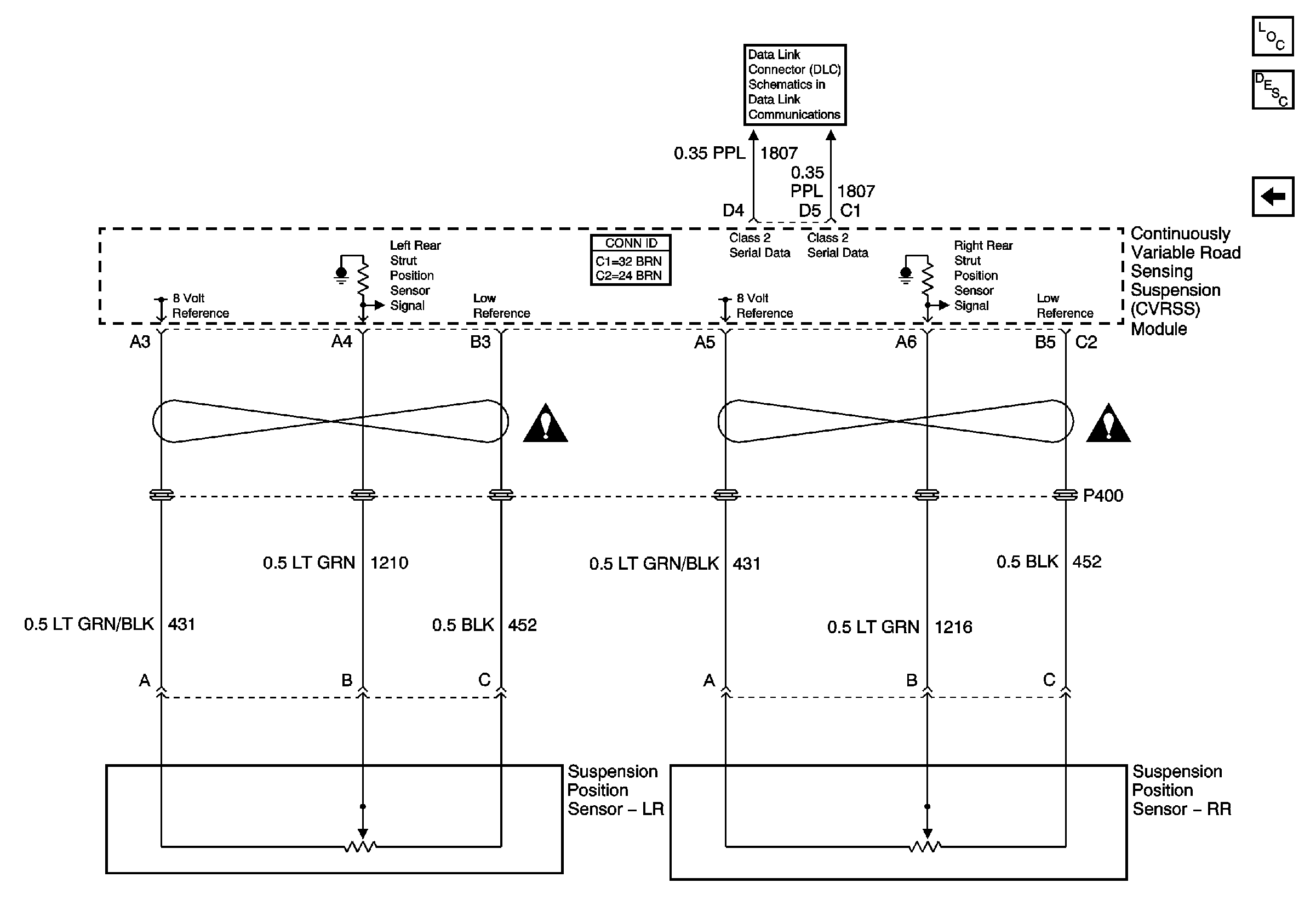
Rear Sensors (w/F45)
Compressor (w/o F45)
BODY 1 Fuse
BATT 3 and Ignition Switch (1 of 2)
IGN 0 BODY Fuse
Figure
3:
Rear Sensors (w/F45)
Master Electrical Component List
Compressor (w/F45)
Power, Ground and Class 2 (1 of 2)
Automatic Level Control Schematic Icons
Automatic Level Control Schematic Icons