GM Service Manual Online
For 1990-2009 cars only

Removal Procedure

    Notice: The wheels of the vehicle must be straight ahead and the steering column in the LOCK position before disconnecting the steering column or intermediate shaft from the steering gear. Failure to do so will cause the coil assembly in the steering column to become uncentered which will cause damage to the coil assembly.

  1. Raise and support the vehicle. Refer to Lifting and Jacking the Vehicle in General Information.
  2. Remove the tire and wheel. Refer to Tire and Wheel Removal and Installation in Tires and Wheels.
  3. Remove the road sensing suspension position sensor. Refer to Electronic Suspension Front Position Sensor Replacement in Road Sensing Suspension.
  4. Remove outer tie rod ends from the steering knuckles. Refer to Rack and Pinion Outer Tie Rod End Replacement .

  5. Object Number: 105357  Size: SH
  6. Remove the intermediate shaft lower pinch bolt.
  7. Remove the intermediate shaft from the power steering gear.
  8. Remove the power steering gear heat shield. Refer to Steering Gear Heat Shield Replacement .
  9. Disconnect the variable effort steering electrical connector.
  10. Disconnect the electrical harness clips from the power steering gear.
  11. Disconnect the power steering pressure hose retaining clip at the power steering gear.
  12. Support the rear of the frame using a screw jack.
  13. Remove the power steering pressure and return hoses from the power steering gear.

  14. Object Number: 658414  Size: SH
  15. Remove the frame rear body mount bolts (7).
  16. Slowly lower the rear of the frame.
  17. Install a drain pan under the vehicle.

  18. Object Number: 644874  Size: SH
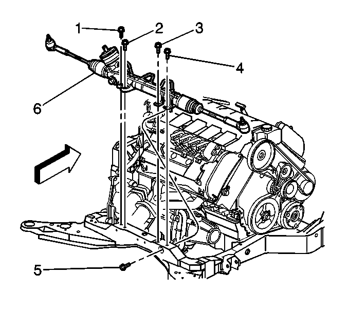
  19. Remove the power steering gear mounting bolts (1,2,3,4, and 5).
  20. Remove the power steering gear out the left side wheel opening.
  21. Remove the outer tie rod ends when replacing the power steering gear. Refer to Rack and Pinion Outer Tie Rod End Replacement .

Installation Procedure

  1. Install the outer tie rod ends when replacing the power steering gear. Refer to Rack and Pinion Outer Tie Rod End Replacement .
  2. Install the power steering gear through the left wheel opening.

  3. Object Number: 644874  Size: SH

    Notice: Use the correct fastener in the correct location. Replacement fasteners must be the correct part number for that application. Fasteners requiring replacement or fasteners requiring the use of thread locking compound or sealant are identified in the service procedure. Do not use paints, lubricants, or corrosion inhibitors on fasteners or fastener joint surfaces unless specified. These coatings affect fastener torque and joint clamping force and may damage the fastener. Use the correct tightening sequence and specifications when installing fasteners in order to avoid damage to parts and systems.

  4. Install the power steering gear mounting bolts.
  5. Tighten
    Tighten the power steering gear mounting bolts (1,2,3,4 and 5) in sequence to 68 N·m (50 lb ft).

  6. Install the power steering pressure and return hoses to the power steering gear.
  7. Tighten
    Tighten the power steering pressure and return hoses at the power steering gear to 27 N·m (20 lb ft).

  8. Raise the rear of the frame.

  9. Object Number: 658414  Size: SH
  10. Install the frame rear body mounting bolts (7).
  11. Tighten
    Tighten the frame rear body bolts to 191 N·m (141 lb ft).

  12. Connect the power steering pressure hose retaining clip to the power steering gear.
  13. Connect the electrical harness clips to the power steering gear.
  14. Connect the variable effort steering electrical connector.
  15. Install the plastic line retainer.
  16. Install the power steering gear heat shield. Refer to Steering Gear Heat Shield Replacement .
  17. Install the outer tie rod ends to the steering knuckles. Refer to Rack and Pinion Outer Tie Rod End Replacement .

  18. Object Number: 105357  Size: SH
  19. Install the intermediate shaft to the power steering gear.
  20. Install the intermediate shaft lower pinch bolt.
  21. Tighten
    Tighten the intermediate shaft lower pinch bolt to 47 N·m (35 lb ft).

  22. Install the road sensing suspension position sensor. Refer to Electronic Suspension Front Position Sensor Replacement in Road Sensing Suspension.
  23. Install the tires and wheels. Refer to Tire and Wheel Removal and Installation in Tires and Wheels.
  24. Lower the vehicle.
  25. Bleed the power steering system. Refer to Power Steering System Bleeding .
  26. Adjust the front toe. Refer to Front Toe Adjustment in Wheel Alignment.