GM Service Manual Online
For 1990-2009 cars only
Makes
🢒
Cadillac
🢒
2001
🢒
Eldorado
🢒
Body and Accessories
🢒
Lighting Systems
🢒 Interior Lights Schematics
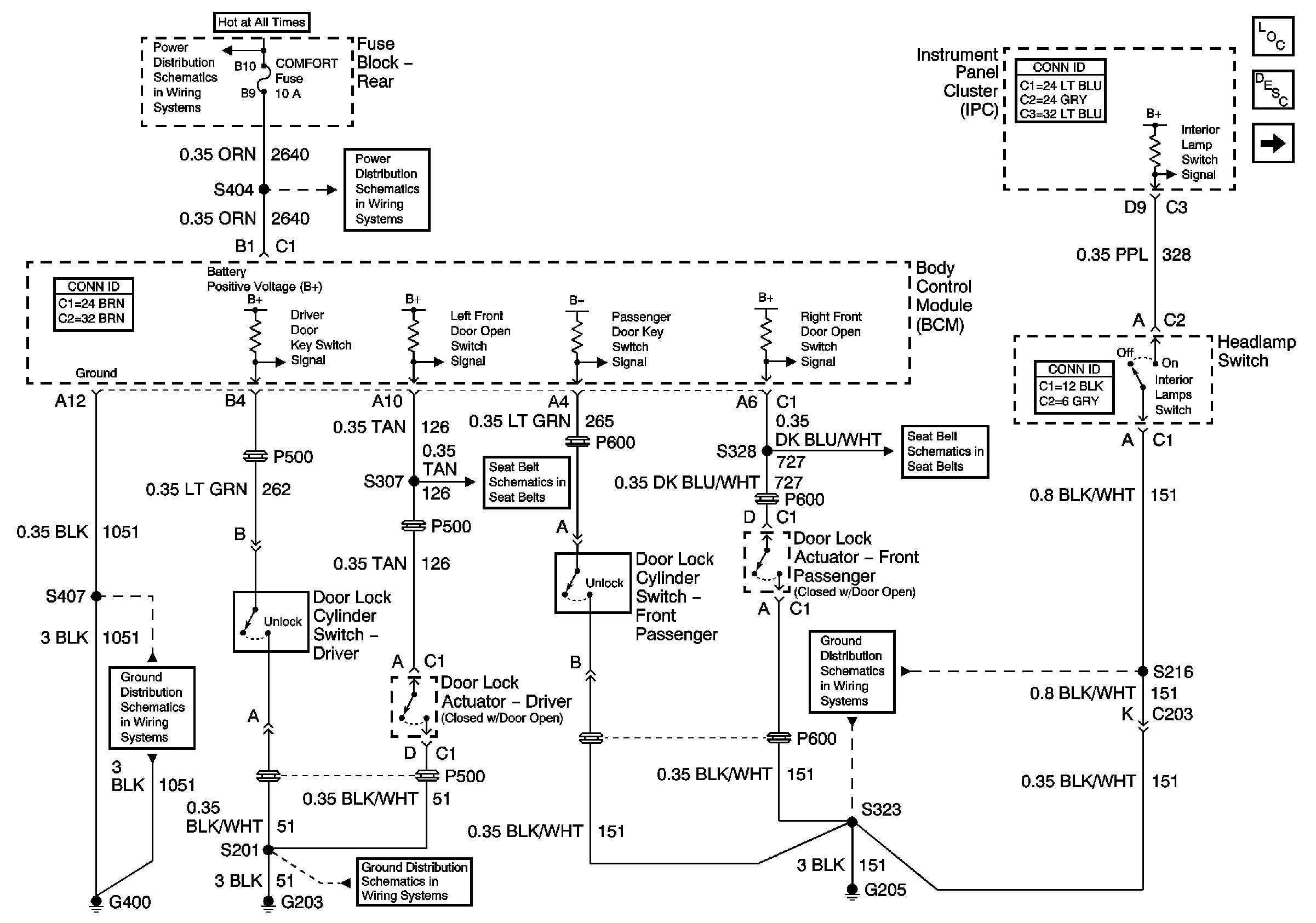
Figure
1:
Inputs
Master Electrical Component List
Door Courtesy, IP Compartment, and Rear Compartment Lamps
Seat Belt Retractor Actuators
G205
G203
G400
Seat Belt Retractor Actuators
COMFORT Fuses
BODY 3 and INADVERT Fuses
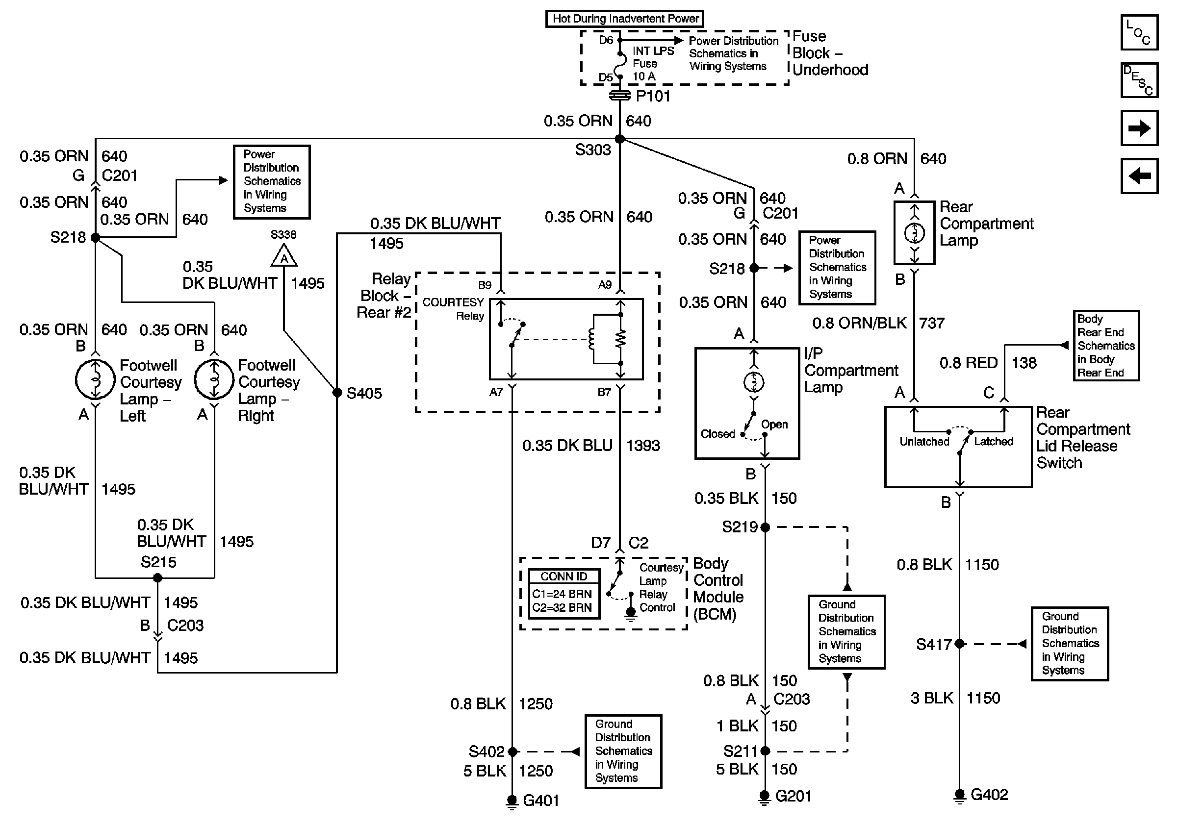
Figure
2:
Door Courtesy, IP Compartment, and Rear Compartment Lamps
Master Electrical Component List
Courtesy/Reading Lamps
Inputs
Pulldown System
G402
G201
G401 (1 of 2)
Courtesy/Reading Lamps
INT LPS Fuse
BODY 3 and INADVERT Fuses
INT LPS Fuse
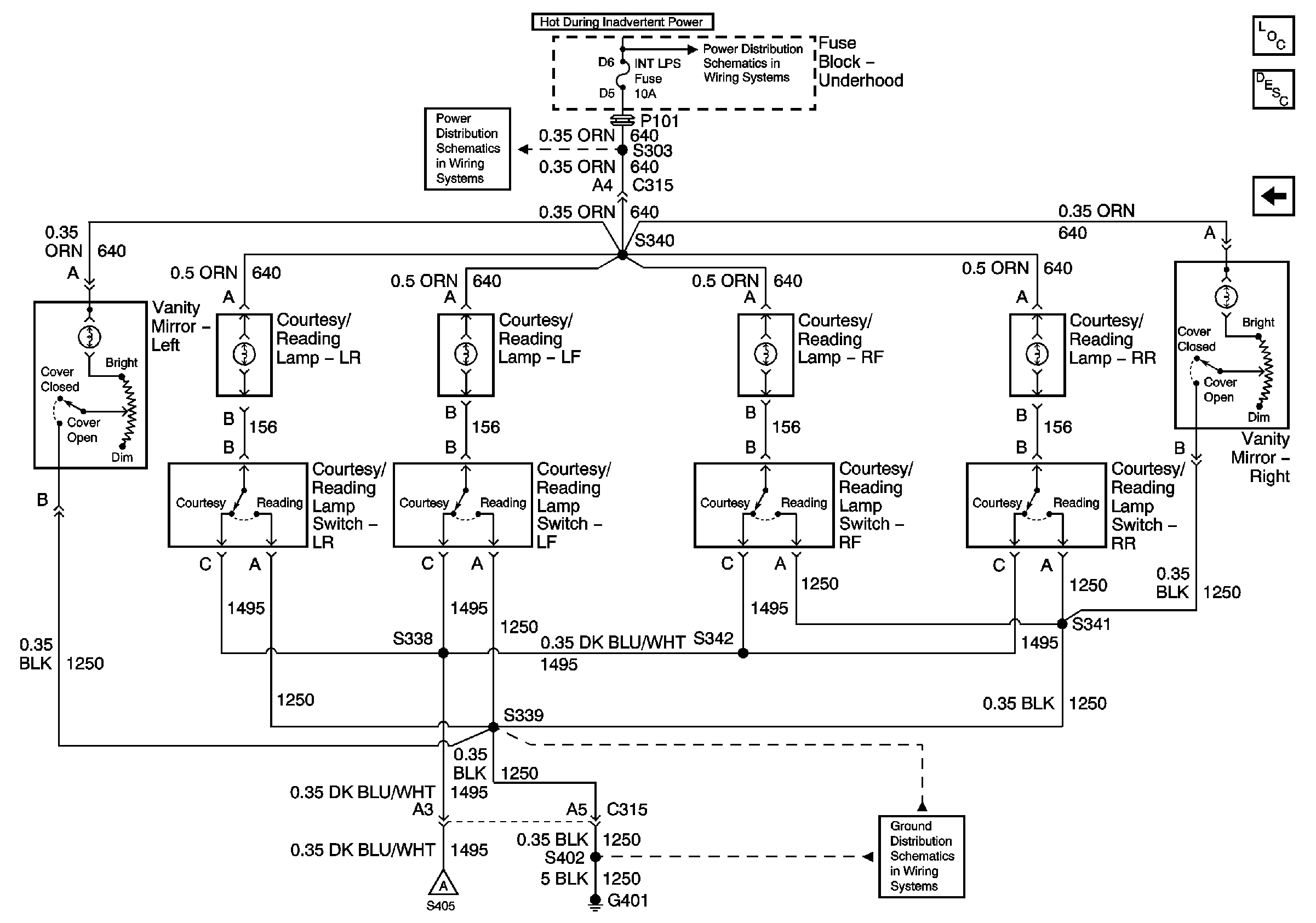
Figure
3:
Courtesy/Reading Lamps
Master Electrical Component List
Door Courtesy, IP Compartment, and Rear Compartment Lamps
G401 (1 of 2)
Door Courtesy, IP Compartment, and Rear Compartment Lamps
INT LPS Fuse
BODY 3 and INADVERT Fuses