GM Service Manual Online
For 1990-2009 cars only
Makes
🢒
Cadillac
🢒
2001
🢒
Eldorado
🢒
Body and Accessories
🢒
Entertainment
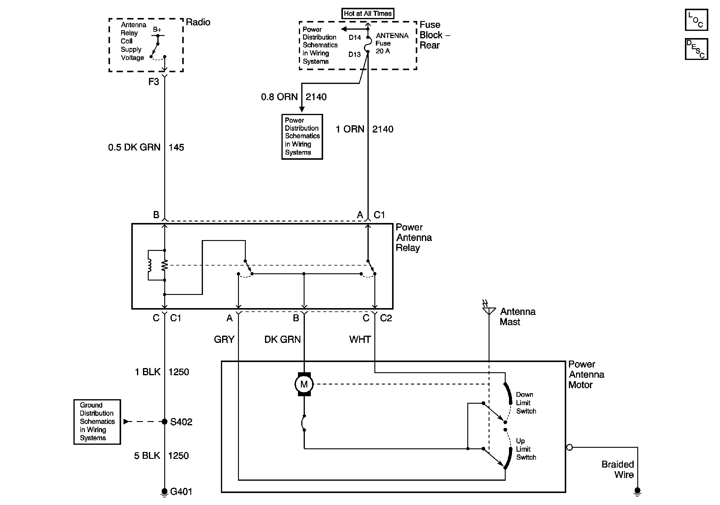
🢒 Power Antenna Schematics
Power Antenna Relay
Master Electrical Component List
ONSTAR®, RSS, HTD MIR, and HTD BACKLT
G401 (1 of 2)
BODY 1 Fuse