GM Service Manual Online
For 1990-2009 cars only

Removal Procedure

  1. Remove the console center trim plate. Refer to Console Front Trim Plate Replacement .

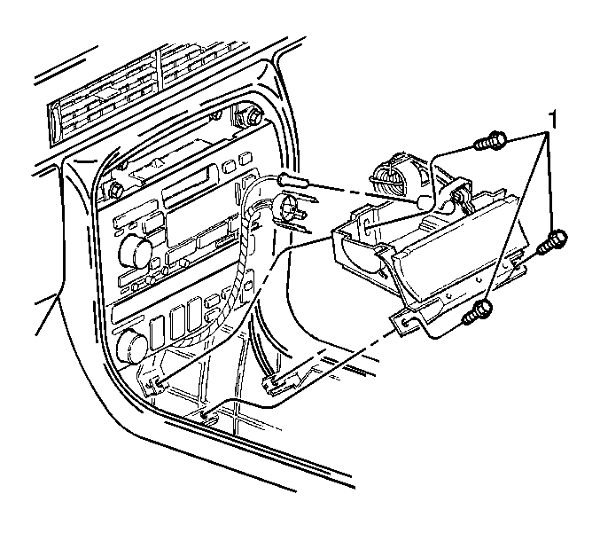
  2. Object Number: 499327  Size: SH
  3. Remove the two lower fasteners (1) from the ashtray bracket assembly.
  4. Pull the ashtray box out.
  5. Remove the one lower hidden fastener.
  6. Disconnect the electrical connector from the cigar lighter.
  7. Remove the ashtray assembly.

Installation Procedure.


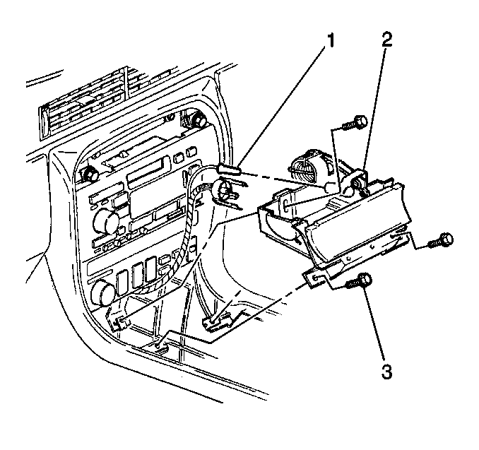
    Object Number: 310664  Size: SH
  1. Partially install the ashtray assembly.
  2. Connect the electrical connectors (1) to the cigar lighter and courtesy ashtray lamp.
  3. Notice: Use the correct fastener in the correct location. Replacement fasteners must be the correct part number for that application. Fasteners requiring replacement or fasteners requiring the use of thread locking compound or sealant are identified in the service procedure. Do not use paints, lubricants, or corrosion inhibitors on fasteners or fastener joint surfaces unless specified. These coatings affect fastener torque and joint clamping force and may damage the fastener. Use the correct tightening sequence and specifications when installing fasteners in order to avoid damage to parts and systems.

  4. Install the fasteners (3) in order to retain the ashtray.
  5. Tighten
    Tighten the fasteners to 2 N·m (18 lb in).

  6. Install the ashtray box.
  7. Install the console center trim plate. Refer to Console Front Trim Plate Replacement .