GM Service Manual Online
For 1990-2009 cars only
Makes
🢒
Cadillac
🢒
2001
🢒
Eldorado
🢒
Body and Accessories
🢒
Body Rear End
🢒 Body Rear End Schematics
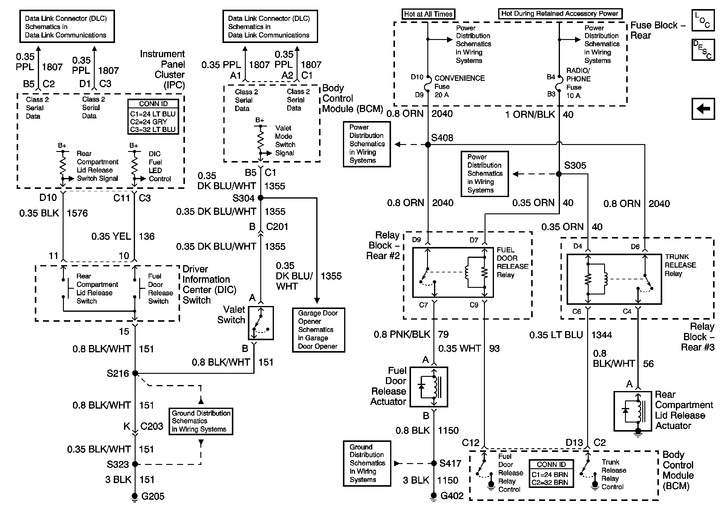
Figure
1:
Pulldown System
Master Electrical Component List
Release Systems
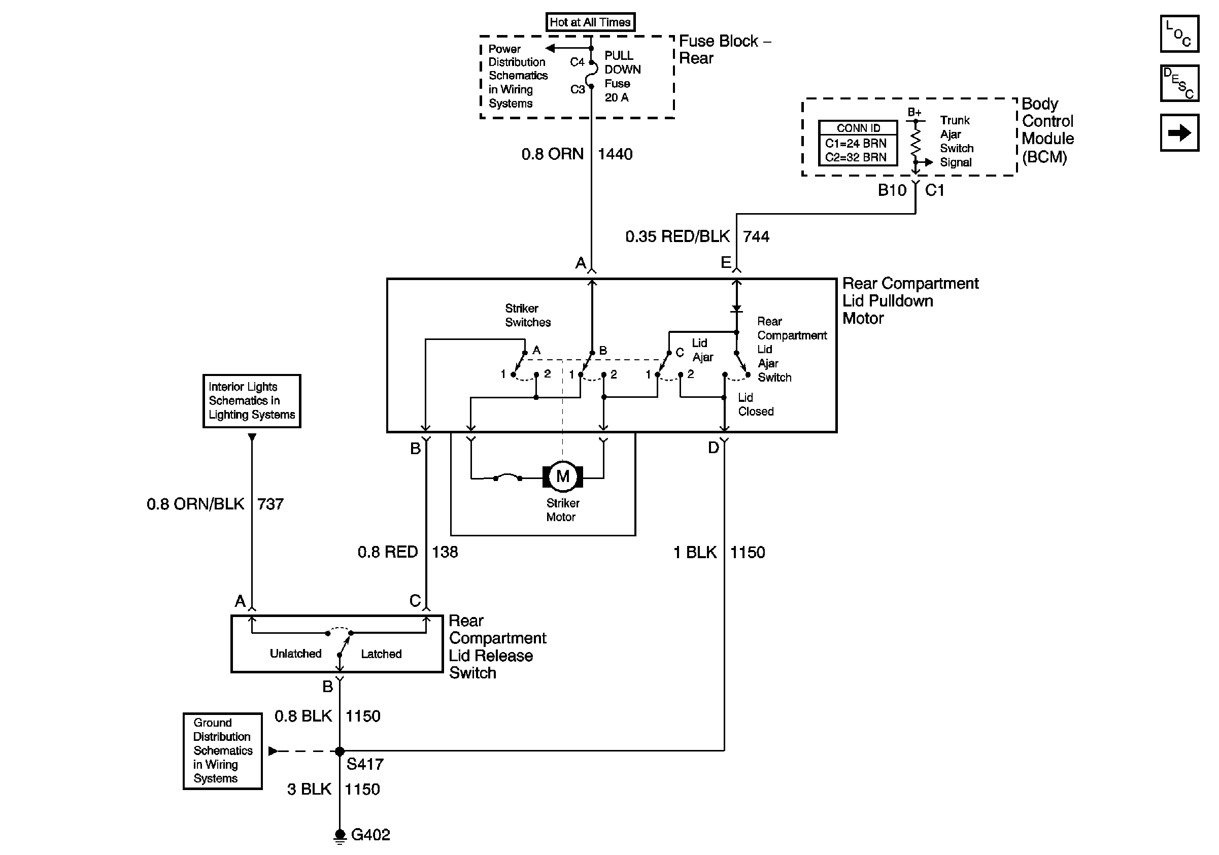
BODY 2 Fuse
Door Courtesy, IP Compartment, and Rear Compartment Lamps
G402
Figure
2:
Release Systems
Master Electrical Component List
Pulldown System
Power, Ground, and Class 2 (2 of 2)
Power, Ground and Class 2 (1 of 2)
BODY 1 Fuse
BODY 3 and INADVERT Fuses
CONVENIENCE Fuse
RADIO/PHONE Fuse
Garage Door Opener
G205
G402