GM Service Manual Online
For 1990-2009 cars only
Makes
🢒
Cadillac
🢒
2001
🢒
Eldorado
🢒
Body and Accessories
🢒
Retained Accessory Power
🢒 Retained Accessory Power (RAP) Schematics
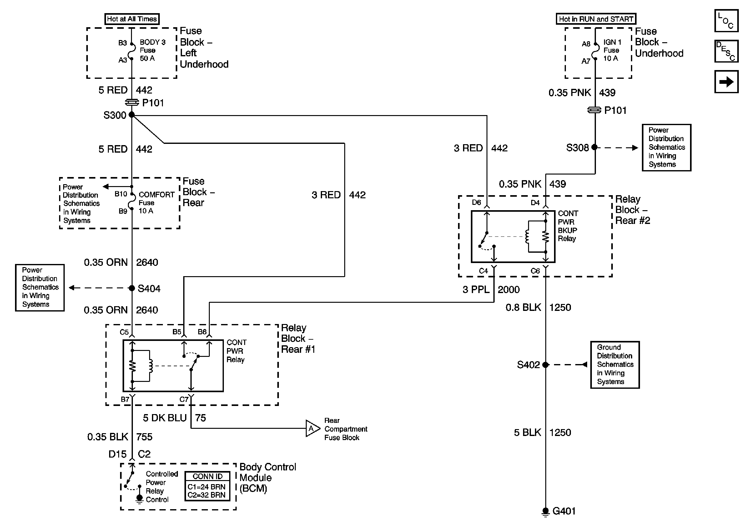
Figure
1:
Power and Ground Circuits
Master Electrical Component List
Relay Circuits
G401 (1 of 2)
COMFORT Fuses
BODY 3 and INADVERT Fuses
ABS and IGN 1 Fuses
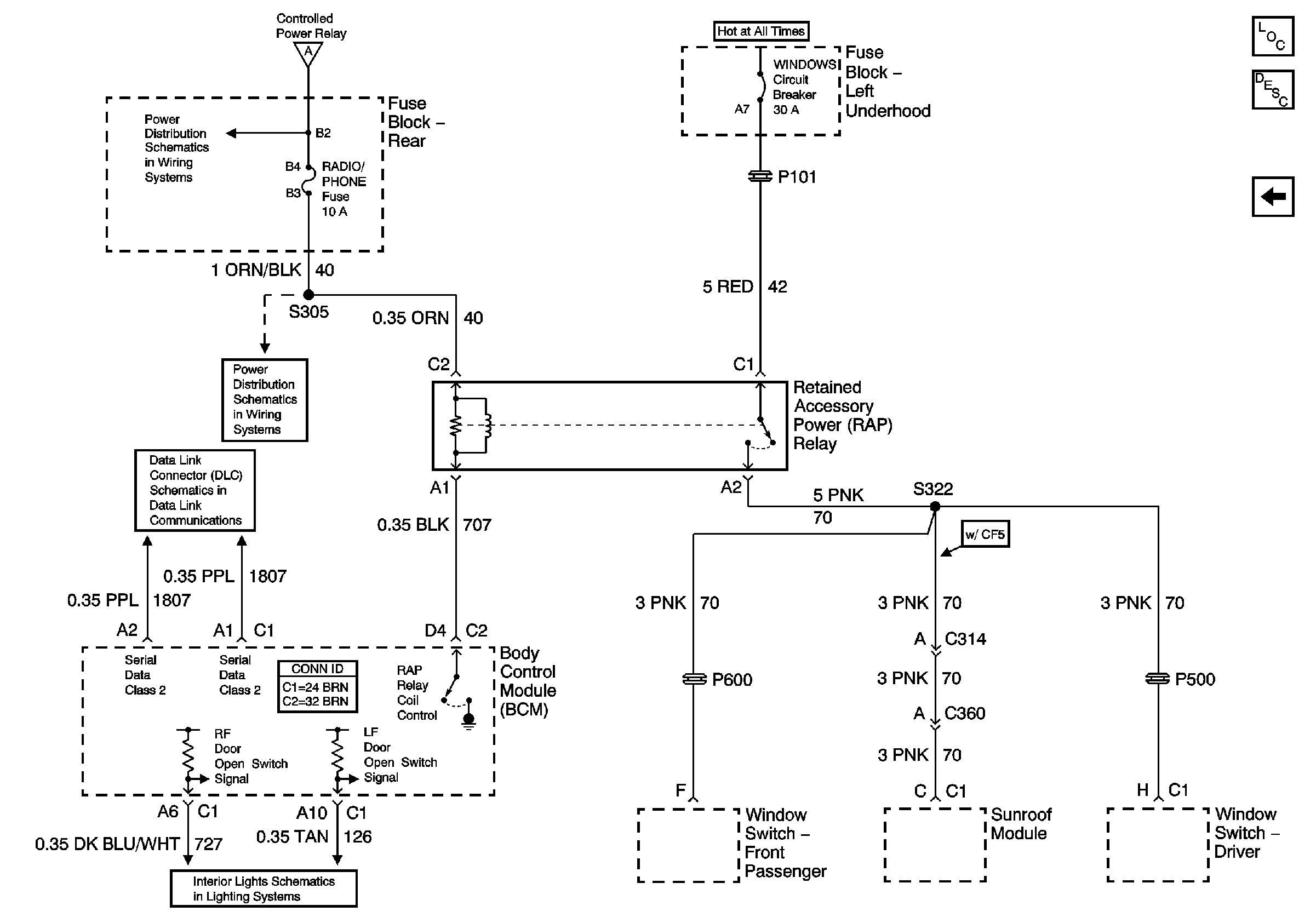
Figure
2:
RAP Relay
Master Electrical Component List
Power and Ground Circuits
Inputs
Power, Ground and Class 2 (1 of 2)
RADIO/PHONE Fuse
BODY 3 and INADVERT Fuses