GM Service Manual Online
For 1990-2009 cars only
Makes
🢒
Cadillac
🢒
2001
🢒
Eldorado
🢒
Body and Accessories
🢒
Wiring Systems
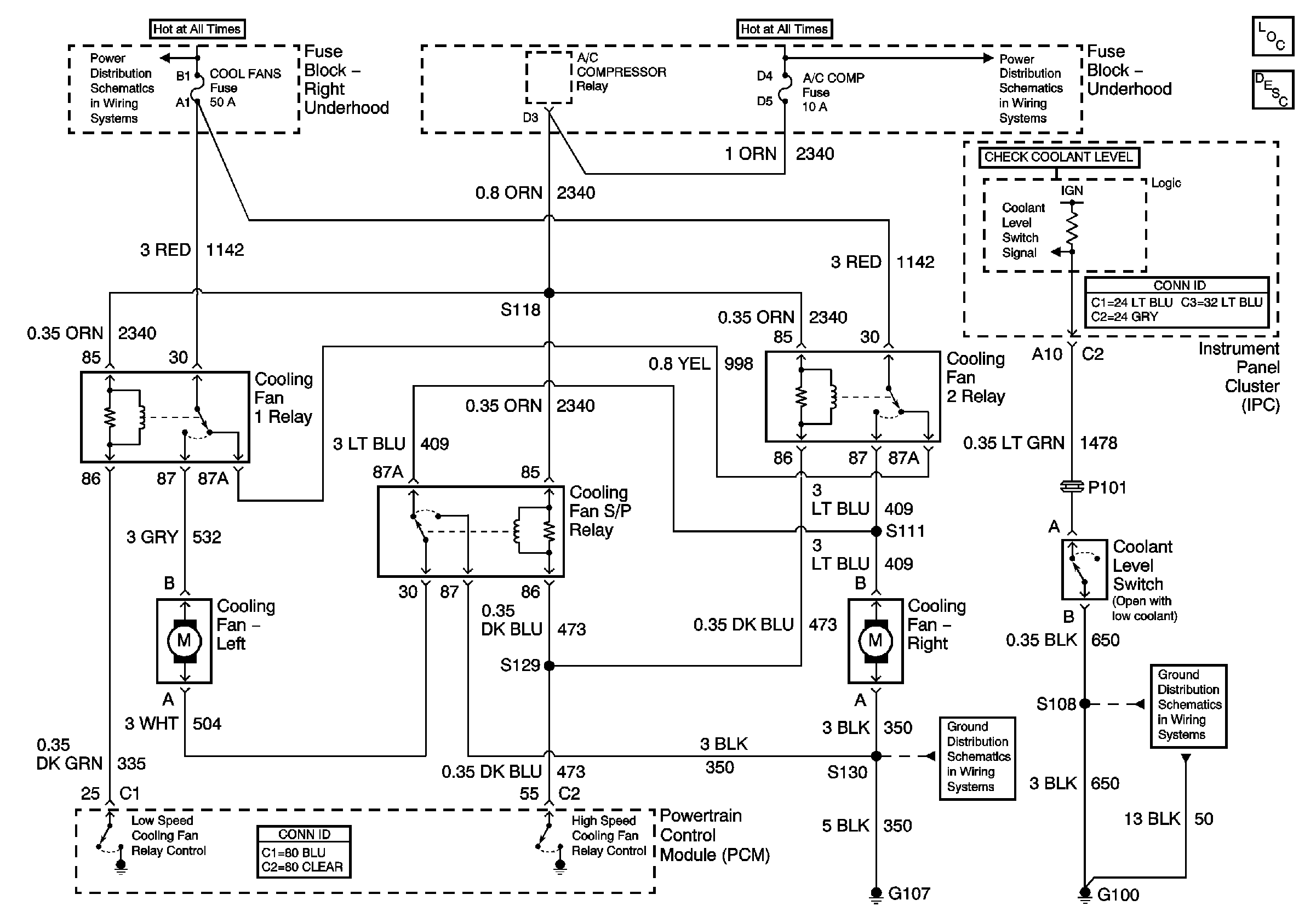
🢒 Engine Cooling Schematics
Master Electrical Component List
G103, G107, G109, and G110
Battery Feeds
IGN 1, COOL FANS, BATT 1, and BRAKES Fuses
G100 and G105