GM Service Manual Online
For 1990-2009 cars only

Tools Required

J 39580 Engine Support Table

Removal Procedure


    Object Number: 687019  Size: SH
  1. Install the engine support fixture. Refer to Engine Support Fixture in Engine Mechanical-4.6L.
  2. Raise and support the vehicle. Refer to Lifting and Jacking the Vehicle in General Information.
  3. Remove the front tires and wheels. Refer to Tire and Wheel Removal and Installation in Tires and Wheels.
  4. Remove the lower control arms. Refer to Lower Control Arm Replacement in Front Suspension.
  5. Remove the front air deflector. Refer to Front Air Deflector Replacement in Body Front End.
  6. Remove the engine splash shield. Refer to Engine Splash Shield Replacement in Body Front End.

  7. Object Number: 697243  Size: SH
  8. Remove the secondary air injection pump (2). Refer to Secondary Air Injection Pump Replacement in Engine Controls-4.6L.

  9. Object Number: 143450  Size: SH
  10. Remove the brake pressure modulator valve (BPMV). Refer to Brake Pressure Modulator Valve Replacement in Antilock Brake System.

  11. Object Number: 644874  Size: SH
  12. Remove the fasteners (1,2,3,4) and the horizontal fastener (5) retaining the rack and pinion (6) to the engine frame. Refer to Steering Gear Replacement in Power Steering Systems.

  13. Object Number: 644865  Size: SH
  14. Disconnect the retainer securing the power steering hose to the frame. Position the hose out of the way.

  15. Object Number: 604075  Size: SH
  16. Remove the bracket bolt (1) and the retainer clip (2) securing the power steering gear outlet hose to the frame.

  17. Object Number: 644870  Size: SH
  18. Remove the fasteners retaining the positive battery cable to the front of the engine frame.
  19. Disconnect the retainer securing the cable to the brake pressure modulator valve bracket.
  20. Secure the battery cable away from the frame.
  21. Disconnect the brake pipe line from the retainer clips on the engine frame.

  22. Object Number: 644868  Size: SH
  23. Disconnect the engine electrical harness from the retainer clips and position away from the frame.

  24. Object Number: 644878  Size: SH
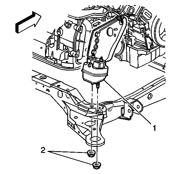
  25. Remove the fasteners (2) retaining the front engine mount (1) to the engine frame. Refer to Engine Front Mount Replacement in Engine Mechanical 4.6L.

  26. Object Number: 644881  Size: SH
  27. Remove the fasteners (2) retaining the right transaxle mount (1) to the engine frame. Refer to Automatic Transmission Mount Replacement - Right Side in Automatic Transaxle - 4T80-E.

  28. Object Number: 644876  Size: SH
  29. Remove the fasteners (2) securing the left transaxle mount (1) to the engine frame. Refer to Transmission Mount Replacement - Left Side in Automatic Transaxle - 4T80-E.

  30. Object Number: 161261  Size: SH
  31. Remove the stabilizer. Refer to Stabilizer Shaft Replacement in Front Suspension.

  32. Object Number: 333118  Size: SH
  33. Lower the vehicle until the engine frame rests on theJ 39580 or on suitable jack stands.

  34. Object Number: 105376  Size: SH
  35. Remove the engine frame insulator fasteners (3) retaining the engine frame (2) to the vehicle (1).
  36. Notice: Ensure that lowering the frame does not interfere with the bumper fascia or fascia damage may result.

  37. Raise the vehicle from the supported engine frame (2).

  38. Object Number: 658414  Size: SH
  39. Separate the engine frame insulators (3,5) from the engine frame (4). Refer to Frame Cushion or Insulator Replacement .
  40. With the aid from an assistant, remove the frame from the J 39580 or the suitable jack stands.

Installation Procedure

  1. With the aid from an assistant, position the new frame onto the J 39580 or suitable jack stands.
  2. Important: Apply vehicle weight to the front suspension before tightening the lower control arm retaining bolts.

  3. Install the lower control arms to the frame. Refer to Lower Control Arm Replacement in Front Suspension.

  4. Object Number: 658414  Size: SH
  5. Assemble the engine frame insulators , in sequence, to the engine frame (4). Refer to Frame Cushion or Insulator Replacement .

  6. Object Number: 105376  Size: SH
  7. Lower the vehicle onto the supported engine frame (2).
  8. Using 203 mm (8 in) long x  16 mm (0.63 in) dowel pins in the right and left rear frame alignment holes (1), align the engine frame (2) to the body of the vehicle.
  9. Notice: Use the correct fastener in the correct location. Replacement fasteners must be the correct part number for that application. Fasteners requiring replacement or fasteners requiring the use of thread locking compound or sealant are identified in the service procedure. Do not use paints, lubricants, or corrosion inhibitors on fasteners or fastener joint surfaces unless specified. These coatings affect fastener torque and joint clamping force and may damage the fastener. Use the correct tightening sequence and specifications when installing fasteners in order to avoid damage to parts and systems.

  10. Install the engine frame insulator fasteners (3) to retain the engine frame (2) to the vehicle.
  11. Tighten
    Tighten the fasteners to 98N·m  (72 lb ft).


    Object Number: 333118  Size: SH
  12. Raise the vehicle away from the J 39580 or the suitable jack stands.
  13. Remove the J 39580 or suitable jack stands from under the vehicle.

  14. Object Number: 161261  Size: SH
  15. Install the bolts in order to retain the stabilizer shaft. Refer to Stabilizer Shaft Replacement in Front Suspension.

  16. Object Number: 644876  Size: SH
  17. Install the fasteners (2) in order to secure the left transaxle mount (1) to the engine frame. Refer to Transmission Mount Replacement - Left Side in AutomaticTransaxle - 4T80-E.

  18. Object Number: 644878  Size: SH
  19. Install the fasteners (2) retaining the front engine mount (1) to the engine frame. Refer to Engine Front Mount Replacement in Engine Mechanical 4.6L.

  20. Object Number: 644881  Size: SH
  21. Install the fasteners (2) retaining the front right transaxle mount (1) to the engine frame. Refer to Automatic Transmission Mount Replacement - Right Side in Automatic Transaxle - 4T80-E.

  22. Object Number: 644874  Size: SH
  23. Install the fasteners in sequence (1,2,3,4) and the horizontal fastener (5) retaining the rack and pinion to the engine frame. Refer to Steering Gear Replacement in Power Steering Systems.

  24. Object Number: 644868  Size: SH
  25. Connect the engine electrical harness to the retainer clips in order to secure.

  26. Object Number: 644870  Size: SH
  27. Position the positive battery cable to the front of the engine frame.
  28. Notice: Use the correct fastener in the correct location. Replacement fasteners must be the correct part number for that application. Fasteners requiring replacement or fasteners requiring the use of thread locking compound or sealant are identified in the service procedure. Do not use paints, lubricants, or corrosion inhibitors on fasteners or fastener joint surfaces unless specified. These coatings affect fastener torque and joint clamping force and may damage the fastener. Use the correct tightening sequence and specifications when installing fasteners in order to avoid damage to parts and systems.

  29. Install the fasteners in order to secure the positive battery cable to the engine frame.
  30. Tighten
    Tighten the fasteners to 6 N·m (53 lb in).

  31. Secure the retainer for the battery cable to the brake pressure modulator valve bracket.
  32. Attach the brake pipe line to the retainer clips at the front of the engine frame in order to secure.

  33. Object Number: 604075  Size: SH
  34. Install the bracket bolt (1) and engage the retainer clip (2) in order to secure the power steering gear outlet hose to the frame.
  35. Tighten
    Tighten the bracket bolt (1) to 17 N·m (13 lb ft).


    Object Number: 644865  Size: SH
  36. Close the retainer clip in order to secure the power steering hose to the engine frame. Refer to Power Steering Cooler Pipe/Hose Replacement in Power Steering Systems.

  37. Object Number: 143450  Size: SH
  38. Install the brake pressure modulator valve (BPMV). Refer to Brake Pressure Modulator Valve Replacement in Antilock Brake System.

  39. Object Number: 697243  Size: SH
  40. Install the secondary air injection pump (2). Refer to Secondary Air Injection Pump Replacement in Engine Controls-4.6L.
  41. Install the engine splash shield. Refer to Engine Splash Shield Replacement in Body Front End.
  42. Install the air deflector. Refer to Front Air Deflector Replacement in Body Front End.
  43. Install the front tires and wheels. Refer to Tire and Wheel Removal and Installation in Tires and Wheels.
  44. Lower the vehicle.

  45. Object Number: 687019  Size: SH
  46. Remove the engine support fixture. Refer to Engine Support Fixture in Engine Mechanical-4.6L.
  47. Important: Apply vehicle weight to the front suspension before tightening the lower control arm retaining bolts.

  48. Torque the lower control arm bolts. Refer to Lower Control Arm Replacement in Front Suspension.