GM Service Manual Online
For 1990-2009 cars only
Makes
🢒
Cadillac
🢒
2001
🢒
Eldorado
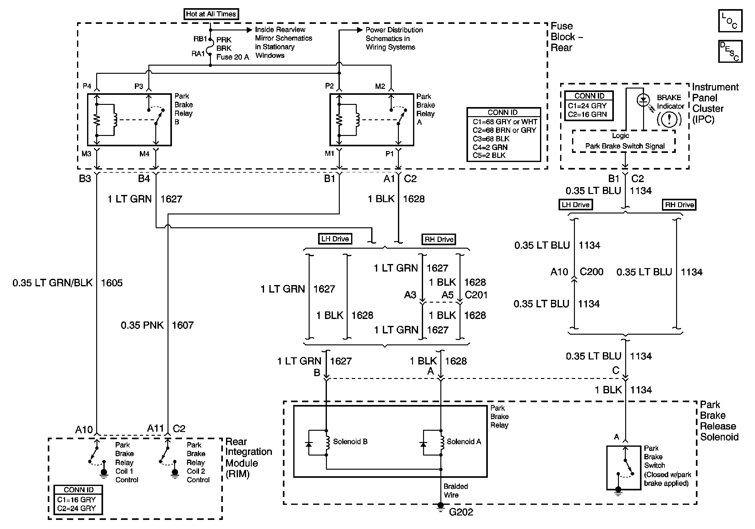
🢒 Park Brake Release
Park Brake Release
Park Brake Release
Park Brake System Component Views
Park Brake System Description and Operation
Inside Rearview Mirror Power and Ground
Battery Feeds