GM Service Manual Online
For 1990-2009 cars only
Makes
🢒
Cadillac
🢒
2001
🢒
Eldorado
🢒 Right Adaptive Seat
Right Adaptive Seat
Right Adaptive Seat
Left Adaptive Seat
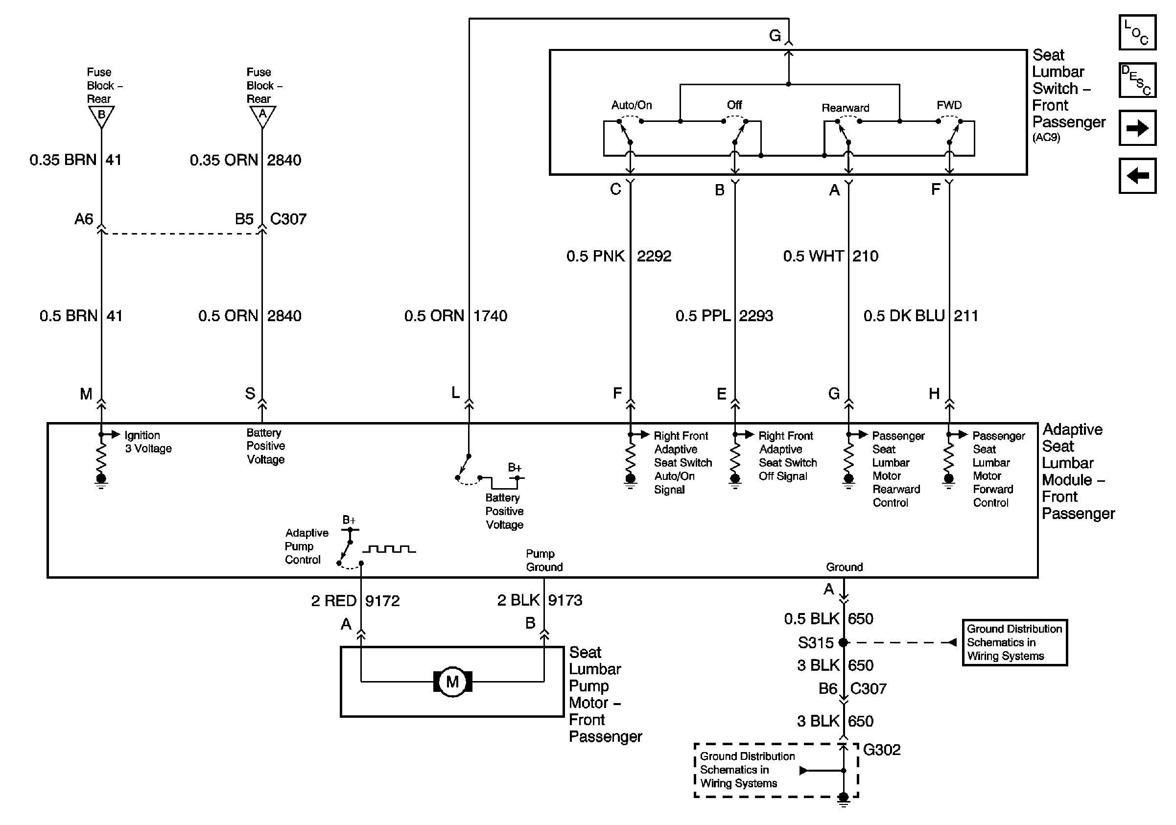
Lumbar Switch, Lumbar Motors, Lumbar Position Sensors, and Memory Seat Module
Power Seat Component Views
Lumbar Support Description and Operation with AC9
Left Adaptive Seat
G302 (RH Drive)
G302 (RH Drive)