GM Service Manual Online
For 1990-2009 cars only
Makes
🢒
Cadillac
🢒
2001
🢒
Eldorado
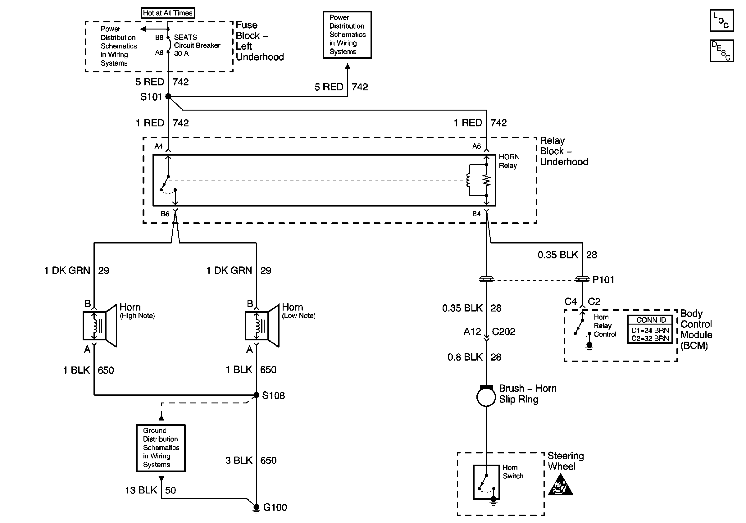
🢒 Horns
Horns
Master Electrical Component List
Battery Feeds
SEATS Circuit Breaker
G100 and G105