GM Service Manual Online
For 1990-2009 cars only
Makes
🢒
Cadillac
🢒
2001
🢒
Eldorado
🢒 Rear
Rear
Rear
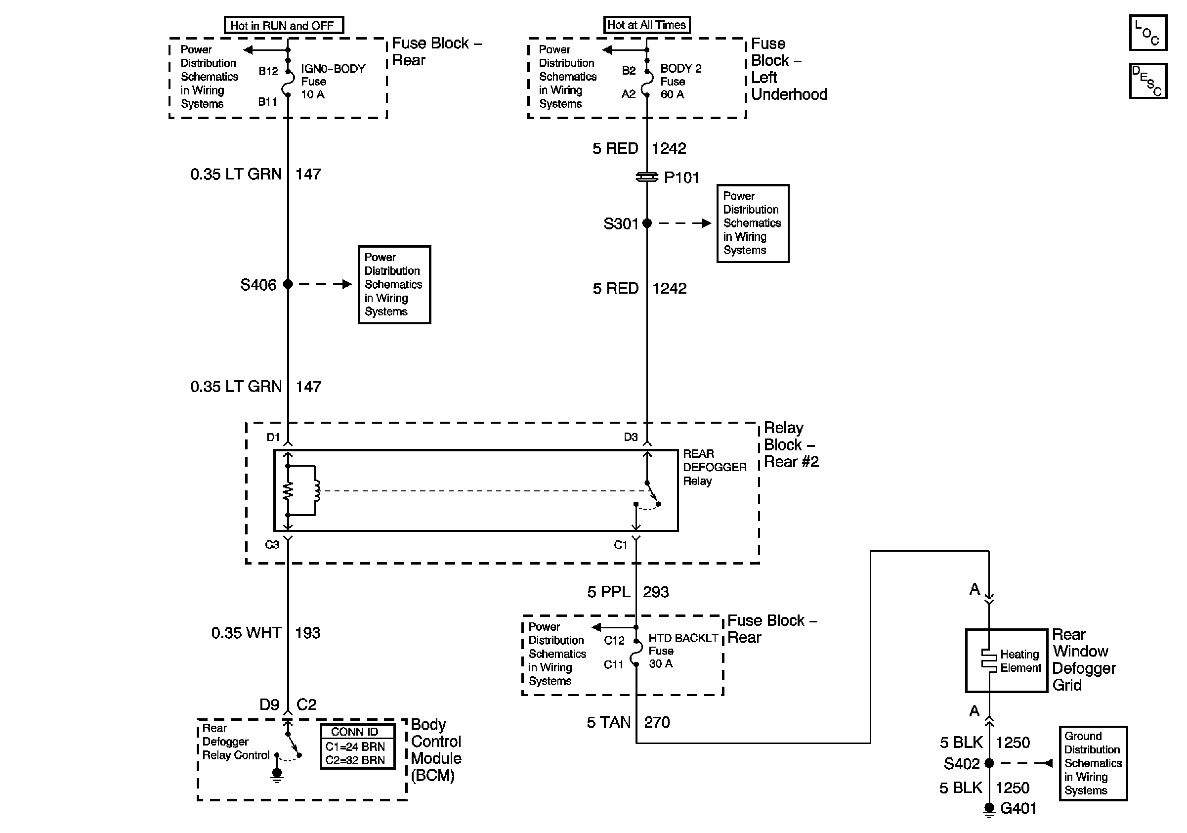
Master Electrical Component List
G401 (1 of 2)
BODY 2 Fuse
IGN 0 BODY Fuse
BATT 3 and Ignition Switch (1 of 2)
Battery Feeds
BODY 2 Fuse