GM Service Manual Online
For 1990-2009 cars only
Makes
🢒
Cadillac
🢒
2001
🢒
Eldorado
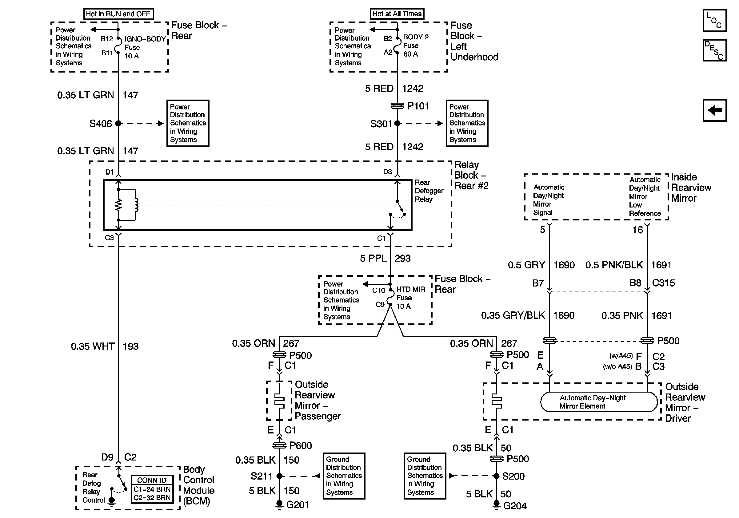
🢒 Heated Mirrors
Heated Mirrors
Heated Mirrors
Master Electrical Component List
Outside Power Mirrors w/A45
G201
G204
BODY 2 Fuse
IGN 0 BODY Fuse
BATT 3 and Ignition Switch (1 of 2)
Battery Feeds
BODY 2 Fuse