GM Service Manual Online
For 1990-2009 cars only
Makes
🢒
Cadillac
🢒
2001
🢒
Eldorado
🢒 Pressure and Temperature Engine Data Sensors
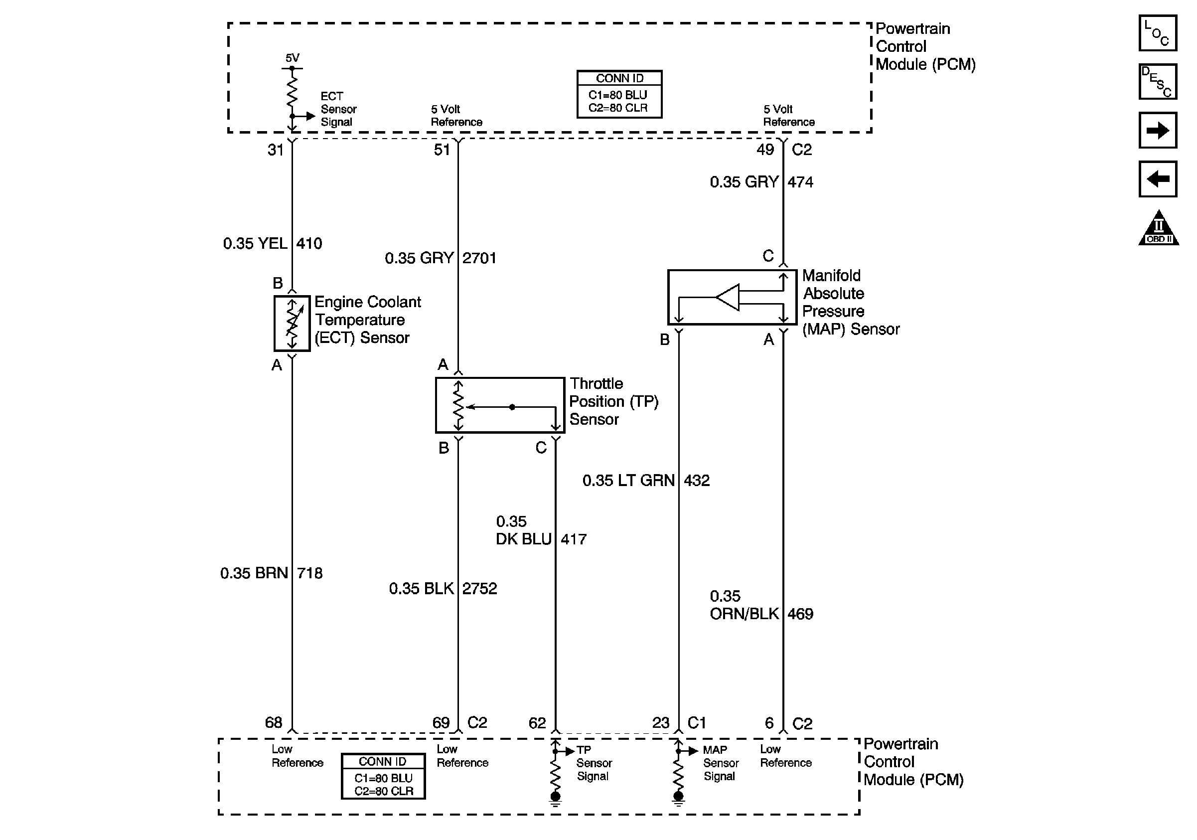
Pressure and Temperature Engine Data Sensors
Pressure and Temperature Engine Data Sensors
Master Electrical Component List
Powertrain Control Module Description
MAF, VSS, and Extended Brake Travel Switch Engine Data Sensors
5 Volt and Low Reference Engine Data Sensors
OBD II Symbol Description Notice