GM Service Manual Online
For 1990-2009 cars only

Refer to

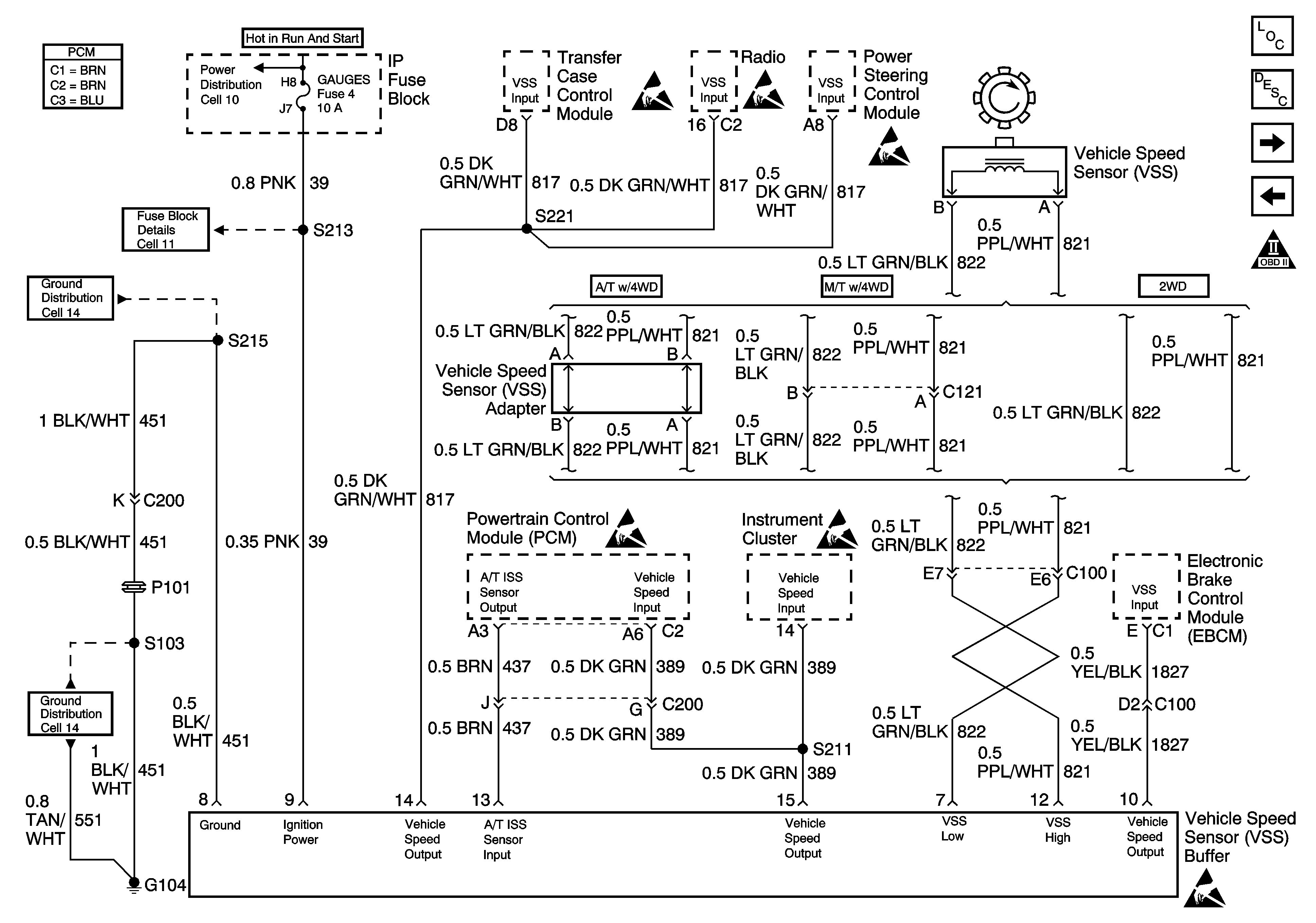
DIESEL PCM, VSS, EBCM


Object Number: 52771  Size: FS
Engine Controls Components
DIESEL PCM, AUTOMATIC TRANSMISSION
DIESEL PCM, CRUISE CONTROL, TRANSFER CASE
OBD II Symbol Description Notice
Engine Controls Schematic References
Engine Controls Schematic References
Engine Controls Schematic References
Handling Electrostatic Discharge Sensitive Parts Notice
Handling Electrostatic Discharge Sensitive Parts Notice
Handling Electrostatic Discharge Sensitive Parts Notice
Handling Electrostatic Discharge Sensitive Parts Notice
Handling Electrostatic Discharge Sensitive Parts Notice
Handling Electrostatic Discharge Sensitive Parts Notice
Engine Controls Schematic References
.

Circuit Description

The speed sensor circuit consists of a magnetic induction type sensor, a vehicle speed sensor buffer module and wiring. Gear teeth pressed on the output shaft induce an alternating current in the sensor. This signal is transmitted to the buffer. The buffer compensates for various axle ratios and converts the signal into a square wave for use by the speedometer, cruise control, antilock brake and PCM. The buffer sends two different signals to the PCM.

Conditions for Running the DTC

    • The PCM performs this DTC diagnostic continuously.
    • The vehicle speed greater than 20 mph.
    • The four wheel low not selected.

Conditions for Setting the DTC

    • The VSS buffer calculated speed is less than half the transmission calculated speed.
        or
    • The VSS buffer calculated speed is greater than the transmission calculated speed by 20 mph.

Action Taken When the DTC Sets

    • The PCM disallows all cruise control inputs.
    •  The PCM will not illuminate the malfunction indicator lamp (MIL).
    • The PCM records the operating conditions at the time the diagnostic fails. This information is stored in the Failure Records.

Conditions for Clearing the MIL/DTC

    • A History DTC clears after forty consecutive warm-up cycles, if this or any other emission related diagnostic does not report any failures
    • The use of a scan tool.

Diagnostic Aids

Check connections at VSS buffer and PCM. Refer to 4L80E Diagnostic Trouble Codes in Transmission if DTC P0722 or DTC P0723 is also set.

Test Description

Number(s) below refer to number(s) on the Diagnostic Table.

  1. This tests for B+ at VSS buffer.

  2. This tests for proper ground path for vehicle speed sensor signal buffer.

Step

Action

Value(s)

Yes

No

1

Important: Before clearing any DTCs, use the scan tool Capture Info to save freeze frame and failure records for reference, as the Scan tool loses data when using the Clear Info function.

Was the Powertrain On-Board Diagnostic (OBD) System Check performed?

--

Go to Step 2

Go to Powertrain On Board Diagnostic (OBD) System Check

2

  1. Connect a scan tool.
  2. Raise the drive wheels.
  3. Start the engine.
  4. Place the transmission in any drive range.

With the drive wheels rotating, does the vehicle speed increase with drive wheel speed increase?

--

Go to Step 7

Go to Step 3

3

  1. Place the transmission in Park.
  2. Back probe the VSS buffer module ignition feed circuit with a test light connected to ground.

Is the test light ON?

--

Go to Step 4

Go to Step 8

4

Back probe the VSS buffer module ignition feed circuit to the ground circuit with a test light.

Is the test light ON?

--

Go to Step 5

Go to Step 9

5

  1. Back probe the VSS buffer module at the VSS input circuit (C7) to the other VSS input circuit (C12) with a J 39200 on the AC scale.
  2. Place the transmission in any drive range with the drive wheels rotating.

Does the voltage increase on the J 39200 with drive wheel increase?

--

Go to Step 6

Go to Step 10

6

Does the scan tool display a trans output speed (MPH) increase with drive wheel increase?

--

Go to Step 13

Go to Step 12

7

The DTC is intermittent. If no additional DTCs are stored, refer to Diagnostic Aids. If additional DTCs are stored refer to those table(s) first.

Are any additional DTCs stored?

--

Go to the Applicable DTC Table

Go to Diagnostic Aids

8

Repair the open in the ignition feed circuit.

Is the action complete?

--

Go to Step 18

--

9

Repair the open in the ground circuit.

Is the action complete?

--

Go to Step 18

--

10

Check the complete VSS input circuit for an open or short to ground.

Was a repair performed?

--

Go to Step 18

Go to Step 11

11

  1. Check for a proper connection at the VSS sensor.
  2. If a problem is found, repair the problem as necessary.

Was a problem found?

--

Go to Step 18

Go to Step 15

12

  1. Back probe the VSS buffer module at the VSS output circuit (C15) with a J 39200 connected to ground.
  2. Place the transmission in any drive range with the drive wheels rotating.

Is there voltage present?

--

Go to Step 13

Go to Step 16

13

Check the VSS output circuit for an open or short to ground.

Was a repair performed?

--

Go to Step 18

Go to Step 14

14

Check VSS output circuit for a proper connections at the PCM.

Was a repair performed?

--

Go to Step 18

Go to Step 17

15

Replace the Vehicle Speed Sensor.

Is the action complete?

--

Go to Step 18

--

16

Replace the VSS Buffer module. Refer to Vehicle Speed Signal Buffer Replacement .

Is the action complete?

--

Go to Step 18

--

17

Replace the PCM.

Important: The new PCM must be programmed. Refer to Powertrain Control Module Replacement/Programming .

Is the action complete?

--

Go to Step 18

--

18

  1. Using the Scan tool, clear the DTCs.
  2. Start engine and idle at normal operating temperature.
  3. Select DTC, Specific, then enter the DTC number which was set.
  4. Operate the vehicle, with the Conditions for Setting this DTC, until the Scan Tool indicates the diagnostic Ran.

Does the Scan Tool indicate the diagnostic Passed?

--

Go to Step 19

Go to Step 2

19

Does the Scan tool display any additional undiagnosed DTCs?

--

Go to the Applicable DTC Table

System OK