GM Service Manual Online
For 1990-2009 cars only
Makes
🢒
Cadillac
🢒
1999
🢒
Escalade
🢒 Engine Sensors
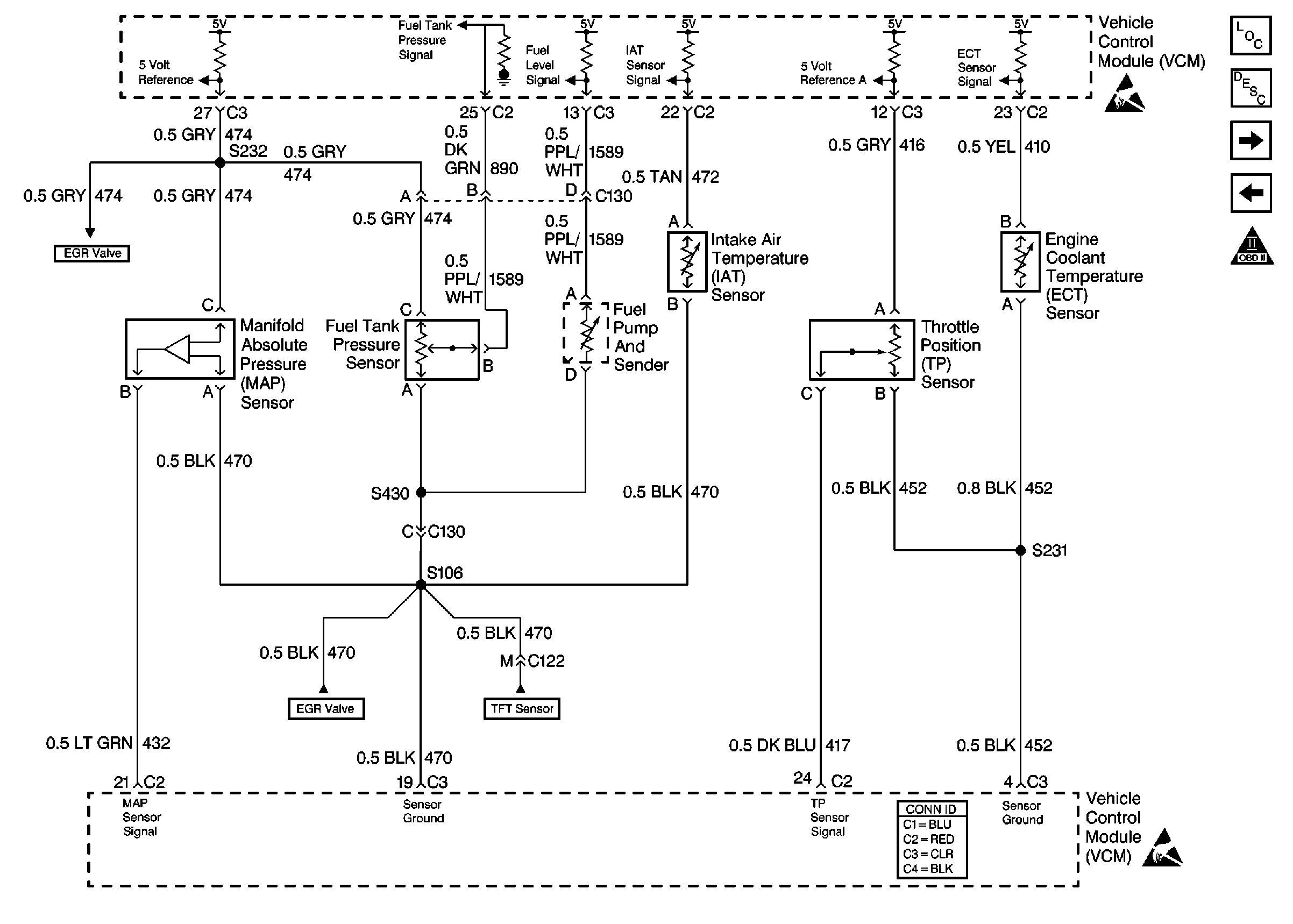
Engine Sensors
Engine Sensors
OBD II Symbol Description Notice
VCM Connector End Views
Handling ESD Sensitive Parts Notice
Shift Solenoids (4l 60E)
Evaporative and EGR Controls
Evaporative and EGR Controls
Handling ESD Sensitive Parts Notice
Heated Oxygen Sensors
Fuel Injector Controls